5 Cimentaciones profundas

5.1 Definiciones y tipologías

5.1.1 Definiciones

  1. A efectos de este DB se considerará que una cimentación es profunda si su extremo inferior, en el terreno, está a una profundidad superior a 8 veces su diámetro o ancho.
  2. Cuando la ejecución de una cimentación superficial no sea técnicamente viable, se debe contemplar la posibilidad de realizar una cimentación profunda.
  3. Las cimentaciones profundas se pueden clasificar en los siguientes tipos:
    1. pilote aislado: aquél que está a una distancia lo suficientemente alejada de otros pilotes como para que no tenga interacción geotécnica con ellos;
    2. grupo de pilotes: son aquellos que por su proximidad interaccionan entre sí o están unidos mediante elementos estructurales lo suficientemente rígidos, como para que trabajen conjuntamente;
    3. zonas pilotadas: son aquellas en las que los pilotes están dispuestos con el fin de reducir asientos o mejorar la seguridad frente a hundimiento de las cimentaciones. Suelen ser pilotes de escasa capacidad portante individual y estar regularmente espaciados o situados en puntos estratégicos;
    4. micropilotes: son aquellos compuestos por una armadura metálica formada por tubos, barras o perfiles introducidos dentro de un taladro de pequeño diámetro, pudiendo estar o no inyectados con lechada de mortero a presión más o menos elevada. El cálculo de micropilotes inyectados no se contempla en el presente Documento Básico.

5.1.2 Tipologías

5.1.2.1 Por la forma de trabajo
  1. En cuanto a la forma de trabajo, los pilotes se clasifican en (véase Figura 5.1):
    1. pilotes por fuste: en aquellos terrenos en los que al no existir un nivel claramente más resistente, al que transmitir la carga del pilotaje, éste transmitirá su carga al terreno fundamentalmente a través del fuste. Se suelen denominar pilotes "flotantes";
    2. pilotes por punta: en aquellos terrenos en los que al existir, a cierta profundidad, un estrato claramente más resistente, las cargas del pilotaje se transmitirán fundamentalmente por punta. Se suelen denominar pilotes "columna".
Esquema de cimentaciones profundas (pilotajes)
Figura 5.1. Esquema de cimentaciones profundas (pilotajes)
5.1.2.2 Por el tipo de pilote
  1. Los pilotes pueden ser de naturaleza y forma muy variada. En general siempre será un elemento aproximadamente prismático cuya longitud es mucho mayor que la dimensión transversal media. Para diferenciar los tipos de pilotes se pueden utilizar los siguientes criterios:
5.1.2.2.1 Por el tipo de material del pilote
  1. Para la construcción de pilotes se podrán utilizar los siguientes materiales:
    1. hormigón "in situ": se ejecutarán mediante excavación previa, aunque también podrán realizarse mediante desplazamiento del terreno o con técnicas mixtas (excavación y desplazamiento parcial);
    2. hormigón prefabricado: podrá ser hormigón armado (hormigones de alta resistencia) u hormigón pretensado o postensado;
    3. acero: se podrán utilizar secciones tubulares o perfiles en doble U o en H. Los pilotes de acero se deben hincar con azuches (protecciones en la punta) adecuados;
    4. madera: se podrá utilizar para pilotar zonas blandas amplias, como apoyo de estructuras con losa o terraplenes;
    5. mixtos, como los de acero tubular rodeados y rellenos de mortero.
5.1.2.2.2 Por la forma de la sección transversal
  1. La forma de la sección transversal del pilote podrá ser circular o casi circular (cuadrada, hexagonal u octogonal) de manera que no sea difícil asimilar la mayoría de los pilotes a elementos cilíndricos de una cierta longitud L y de un cierto diámetro D.
  2. La asimilación a cilindros debe hacerse de acuerdo con los siguientes criterios:
    1. Cuando se quiera evaluar la capacidad portante por la punta, debe hacerse la equivalencia igualando las áreas de la sección transversal, esto es:

      Deq=4πAD_{eq} = \sqrt{\frac{4}{\pi} A} (5.1)

      siendo

      A la sección transversal del área de apoyo.

    2. En los casos en los que se quiera evaluar la resistencia por fuste, debe hacerse la equivalencia en la longitud del contorno de la sección, L, esto es:

      Deq=1πLD_{eq} = \frac{1}{\pi} L (5.2)

    3. En pilotes metálicos en H, la longitud de contorno que se recomienda tomar es igual al doble de la suma del ancho del ala más el canto.
  3. Como caso excepcional deben considerarse los pilotes-pantalla. Los pilotes-pantalla, o elementos portantes de pantalla, suelen ser de hormigón armado y con una sección recta rectangular con una proporción longitud-anchura tal, que la asimilación a la forma circular es difícil. En el presente DB se admitirá que, a efectos de estimar la resistencia por punta, se utilice el factor reductor siguiente:

    f=0,7+0,3BLf = 0,7 + 0,3 \frac{B}{L} (5.3)

    Siendo B el ancho y L la longitud de la sección recta rectangular equivalente. La resistencia por fuste se calculará del mismo modo que en los pilotes excavados, contando, como longitud del perímetro de la sección transversal, la longitud real del mismo.
5.1.2.2.3 Por el procedimiento constructivo
  1. De forma general, atendiendo al modo de colocar los pilotes dentro del terreno, se considerarán los siguientes:
    1. pilotes prefabricados hincados: la característica fundamental de estos pilotes estriba en el desplazamiento del terreno que su ejecución puede inducir, ya que el pilote se introduce en el terreno sin hacer excavaciones previas que faciliten su alojamiento en el terreno;
    2. pilotes hormigonados "in situ": son aquellos que se ejecutan en excavaciones previas realizadas en el terreno.
  2. También podrán ejecutarse pilotes de carácter intermedio entre los dos anteriores, tales como los hincados en preexcavaciones parciales de menor longitud y mayor diámetro que el pilote.
5.1.2.2.4 Pilotes prefabricados hincados
  1. Las formas de hincar pilotes pueden ser diferentes según se use vibración o se emplee, como suele ser más frecuente, la hinca o percusión con golpes de maza. A efectos de este DB se considerará el pilote prefabricado hincado de directriz recta cuya profundidad de hinca sea mayor a 8 veces su diámetro equivalente.
  2. Los pilotes hincados podrán estar constituidos por un único tramo, o por la unión de varios tramos, mediante las correspondientes juntas, debiéndose, en estos casos, considerar que la resistencia a flexión, compresión y tracción del pilote nunca será superior a la de las juntas que unan sus tramos.
  3. Los pilotes prefabricados hincados se podrán construir aislados siempre que se realice un arriostramiento en dos direcciones ortogonales y que se demuestre que los momentos resultantes en dichas direcciones son nulos o bien absorbidos por la armadura del pilote o por las vigas riostras.
5.1.2.2.5 Pilotes hormigonados "in situ"
  1. A efectos de este DB se diferencian los siguientes tipos: pilotes de desplazamiento con azuche, pilotes de desplazamiento con tapón de gravas, pilotes de extracción con entubación recuperable, pilotes de extracción con camisa perdida, pilotes de extracción sin entubación con lodos tixotrópicos, pilotes barrenados sin entubación, pilotes barrenados, hormigonados por el tubo central de la barrena y pilotes de desplazamiento por rotación.
  2. Para los pilotes hormigonados "in situ" se tendrán en cuenta las siguientes consideraciones:
    1. diámetro < 0,45 m: no se deben ejecutar pilotes aislados, salvo en elementos de poca responsabilidad en los que un posible fallo del elemento de cimentación no tenga una repercusión significativa;
    2. 0,45 m < diámetro < 1,00 m: se podrán realizar pilotes aislados siempre que se realice un arriostramiento en dos direcciones ortogonales y se asegure la integridad del pilote en toda su longitud de acuerdo con los métodos de control recogidos en el apartado 5.4;
    3. diámetro > 1,00 m: se podrán realizar pilotes aislados sin necesidad de arriostramiento siempre y cuando se asegure la integridad del pilote en toda su longitud de acuerdo con los métodos de control recogidos en el apartado 5.4 y el pilote se arme para las excentricidades permitidas y momentos resultantes.
  3. Para la selección del tipo de pilote se tendrán en cuenta las indicaciones recogidas en el apartado 5.4.1.1.

5.1.3 Configuración geométrica de la cimentación

  1. En el proyecto, la disposición geométrica de una cimentación por pilotes se realizará tanteando diferentes disposiciones de pilotes hasta alcanzar una situación óptima. Cuando se trate de analizar una situación ya existente, será imprescindible conocer los datos geométricos de la disposición de los pilotes.
  2. Los datos geométricos de mayor interés para analizar el comportamiento de un pilote aislado son la longitud dentro del terreno y su diámetro, o la ley de variación de su diámetro si es que éste no fuera constante.
  3. En los grupos de pilotes será necesario tener en cuenta además su distribución geométrica, en particular, su separación (véase Figura 5.2).
  4. De cada pilote se debe conocer su sección transversal y su ubicación dentro del encepado. Normalmente, los pilotes serán de igual longitud; en caso contrario, habrá de considerarse en los cálculos de detalle.

5.2 Acciones a considerar

  1. Además de las acciones de la estructura sobre la cimentación se tendrá en cuenta que los pilotes puedan estar sometidos a efectos "parásitos" inducidos por acciones derivadas por el movimiento del propio terreno de cimentación.
  2. Debe considerarse la forma y dimensiones del encepado a fin de incluir su peso, así como el de las tierras o aquello que pueda gravitar sobre éste, en el cómputo de las acciones.
  3. En su caso, se especificará el nivel del terreno alrededor del pilotaje. En aquellos casos en los que pueda existir socavación habrá que considerar con carácter accidental, la situación correspondiente a la máxima prevista
Esquema de un posible pilotaje
Figura 5.2. Esquema de un posible pilotaje

5.2.1 Acciones del resto de la estructura sobre la cimentación

  1. Para el dimensionado del pilotaje se tomarán las acciones indicadas en el apartado 2.3.2.
  2. En el caso de un grupo de pilotes, para cada combinación de acciones se debe realizar un reparto de cargas entre los pilotes del grupo. Este reparto requiere de un proceso iterativo. Los coeficientes de reparto entre pilotes dependen de la naturaleza del terreno y de la rigidez de los pilotes y del encepado.
  3. En general, si el encepado que une los pilotes es suficientemente rígido, bastará con considerar la distribución de cargas que se obtiene al suponer que los pilotes están articulados en cabeza y que el encepado es infinitamente rígido (véase Figura 5.3).
  4. Si hubiera pilotes de distinto diámetro dentro de un mismo grupo, los valores de cálculo se determinarán para cada uno de los diámetros (o diámetros equivalentes para formas no circulares) que se usen.
Distribución de esfuerzos en la hipótesis de encepado rígido y pilotes articulados en cabeza
Figura 5.3. Distribución de esfuerzos en la hipótesis de encepado rígido y pilotes articulados en cabeza

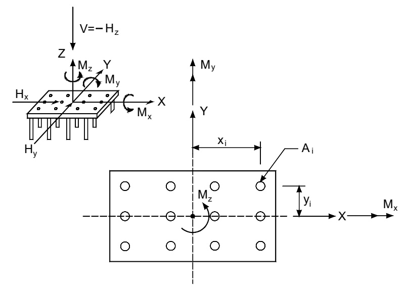
Resultante de las acciones

Vertical = V    Horizontales = Hx , Hy    Momentos = Mx , My , Mz

Reparto entre pilotes

Compresión

Cortantes

5.2.2 Rozamiento negativo

  1. La situación de rozamiento negativo se produce cuando el asiento del terreno circundante al pilote es mayor que el asiento del pilote. En esta situación, el pilote soporta, además de la carga que le transmite la estructura, parte del peso del terreno. Como consecuencia, el rozamiento negativo hace que aumente la carga total de compresión que el pilote tiene que soportar.
  2. Debe estudiarse el posible desarrollo de rozamiento negativo cuando se dé alguna de las circunstancias siguientes:
    1. consolidación por su propio peso de rellenos o niveles de terreno de reciente deposición;
    2. consolidación de niveles compresibles bajo sobrecargas superficiales;
    3. variaciones del nivel freático;
    4. humectación de niveles colapsables;
    5. asientos de materiales granulares inducidos por cargas dinámicas (vibraciones, sismo);
    6. subsidencias inducidas por excavaciones o disolución de materiales profundos.
  3. La identificación del problema puede realizarse comparando, mediante un cálculo previo, los asientos del terreno y del pilote. En general, es suficiente una pequeña diferencia de asientos para que se produzca la situación de rozamiento negativo. Un asiento de 1 cm puede producir ya efectos notables.
  4. El rozamiento lateral por fuste se puede reducir notablemente en pilotes prefabricados (hormigón, metálicos o madera) tratándolo mediante pinturas bituminosas.
  5. El rozamiento unitario negativo en el fuste se calculará con la expresión:

    Fs,neg=i=1nβiσviF_{s,neg} = \sum_{i=1}^{n} \beta_i \cdot \sigma'_{vi} (5.4)

    siendo
    • i cada una de las unidades geotécnicas consideradas a lo largo del pilote;
    • β 0,25 en arcillas y limos blandos; 0,1 en arenas flojas y 0,8 en arenas densas;
    • σ'vi la tensión efectiva en el punto del fuste considerado.
  6. Cuando el rozamiento negativo no se desarrolle en su totalidad a lo largo del fuste, podrán emplearse métodos de cálculo que consideren deformaciones relativas entre el suelo y el pilote para cuantificar la profundidad hasta la que se produce.
  7. Los pilotes exteriores de los grupos de pilotes deben considerarse sometidos al mismo rozamiento negativo que si estuviesen aislados, especialmente los situados en las esquinas.

5.2.3 Empujes horizontales causados por sobrecargas

  1. Cuando existan suelos blandos en profundidad, las cargas colocadas en superficie producen desplazamientos horizontales del terreno que pueden afectar negativamente a las cimentaciones próximas pilotadas. Por tanto, si en ese tipo de terreno se proyecta un edificio contiguo a una construcción pilotada, debe evitarse una cimentación superficial.
  2. Los pilotes ejecutados en taludes pueden estar sometidos también a cargas horizontales importantes.
  3. A efectos de este DB podrá prescindirse de la consideración de los empujes horizontales sobre los pilotes siempre que la máxima componente de estos empujes sea inferior al 10% de la carga vertical compatible con ella.
  4. El estudio del efecto de los empujes horizontales requiere un análisis de interacción terreno-pilote, que será necesario realizar con tanto más detalle cuanto más crítico resulte el problema. Para el cálculo se podrá seguir el método simplificado que se indica a continuación.
5.2.3.1 Método simplificado para la consideración del empuje horizontal en pilotes
  1. El empuje horizontal se estimará de acuerdo con la siguiente expresión:

    ph=pv2Cup_h = p_v - 2 \cdot C_u (5.5)

    siendo
    • pv la presión vertical en la parte superior del estrato blando, considerando un reparto a 30º de las presiones en superficie.
    • Cu la resistencia al corte sin drenaje.
  2. Se supondrá que cada pilote soporta una carga por unidad de longitud igual al valor menor de los siguientes:
    1. Pp = ph · S, siendo S la separación entre ejes de pilotes;
    2. Pp = ph · 3D, siendo D el diámetro del pilote;
    3. Pp = ph · H, siendo H el espesor del estrato blando.
  3. Cuando existan varias filas de pilotes se podrá suponer que los esfuerzos se distribuyen entre las sucesivas filas de acuerdo con la siguiente expresión:

    ph=phPpSp'_h = p_h - \frac{P_p}{S} (5.6)

    que se aplicará de forma sucesiva ph=phPpS,,phn=phn1Ppn1Sp''_h = p'_h - \frac{P'_p}{S}, \dots, p^n_h = p^{n-1}_h - \frac{P^{n-1}_p}{S}
  4. Una vez calculado el valor de Pp se obtendrán los valores de los momentos flectores en los pilotes como una viga, suponiendo, según los casos, las condiciones en los apoyos que se reflejan en la Figura 5.4 y que se concretan en:
    1. empotramiento en cabeza;
    2. empotramiento a 0,5 m en la capa resistente inferior;
    3. empotramiento a 1 m en capas resistentes situadas por encima de la capa blanda si su espesor es superior a 8 diámetros, en caso contrario se considerará como una articulación (apoyo).
Condiciones de apoyo para el cálculo de esfuerzos horizontales en los pilotes
Figura 5.4. Condiciones de apoyo para el cálculo de esfuerzos horizontales en los pilotes

5.3 Análisis y dimensionado

  1. Las comprobaciones para verificar que una cimentación profunda cumple los requisitos necesarios se basarán en el método de los estados límite tal y como se indica en el apartado 2.2.
  2. Además deben analizarse los problemas indicados en el apartado 5.3.3.

5.3.1 Estados límite últimos

  1. Las formas de fallo de una cimentación profunda pueden ser de muy diverso tipo. Los tipos de rotura más comunes y que en cualquier caso deben verificarse son:
    1. estabilidad global;
    2. hundimiento;
    3. rotura por arrancamiento;
    4. rotura horizontal del terreno bajo cargas del pilote;
    5. capacidad estructural del pilote.
  2. La verificación de estos estados límite para cada situación de dimensionado se hará utilizando la expresión (2.2) y los coeficientes de seguridad parciales para la resistencia del terreno y para los efectos de las acciones del resto de la estructura sobre la cimentación definidos en la tabla 2.1.
5.3.1.1 Estabilidad global
  1. El conjunto de la estructura y su cimentación pilotada pueden fallar mediante un mecanismo de rotura aún más profundo que la cimentación o que, no siendo tan profundo, pudiera cortar los pilotes por su fuste.
5.3.1.2 Hundimiento
  1. Se podrá producir este modo de rotura cuando la carga vertical sobre la cabeza del pilote supere la resistencia del terreno causando asientos desproporcionados. En el apartado 5.3.4, se establece un método para la determinación de la carga de hundimiento, Rck.
  2. Teniendo en cuenta el valor de los coeficientes de la tabla 2.1 y las consideraciones hechas en el apartado 2.4.2.6 el valor de Rcd puede expresarse para cada situación de dimensionado mediante la siguiente ecuación:

    Rcd=RckγRR_{cd} = \frac{R_{ck}}{\gamma_R} (5.7)

5.3.1.3 Rotura por arrancamiento
  1. Los pilotes podrán utilizarse para soportar cargas de tracción en su cabeza. Si estas cargas exceden la resistencia al arrancamiento, el pilote se desconecta del terreno, rompiendo su unión y produciéndose el consiguiente fallo. Este tipo de mecanismo y el procedimiento de evaluación de la carga de arrancamiento se consideran en el apartado 5.3.5.
5.3.1.4 Rotura horizontal del terreno bajo cargas del pilote
  1. Cuando las cargas horizontales aplicadas en los pilotes producen en el terreno tensiones que éste no puede soportar, se producen deformaciones excesivas o incluso, si el terreno en un principio no sea suficientemente resistente estructural, el vuelco del mismo. Este estado límite debe comprobarse tan sólo en aquellos casos en los que la máxima componente de los empujes horizontales sobre los pilotes sea mayor del 10% de la carga vertical compatible con ellos.
  2. La carga horizontal límite que puede soportar el terreno que rodea a los pilotes o a los grupos de pilotes se considera en el apartado 5.3.6.
5.3.1.5 Capacidad estructural del pilote
  1. Las cargas transmitidas a los pilotes en su cabeza inducen esfuerzos en los mismos que pueden dañar su estructura.
  2. Los criterios de verificación de la capacidad estructural de los pilotes frente a los esfuerzos axiles (tope estructural), cortantes y momentos flectores a lo largo de su eje se indican en el apartado 5.3.8.

5.3.2 Estados límite de servicio

  1. Los estados límite de servicio en las cimentaciones profundas están normalmente asociados a los movimientos.
  2. Tanto al proyectar pilotes aislados como grupos de pilotes, deben realizarse las comprobaciones relacionadas con los movimientos (asientos y desplazamientos transversales) en los que influye no sólo la resistencia del terreno sino también su deformabilidad, tal y como se indica en el apartado 5.3.7.

5.3.3 Otras consideraciones

  1. Aparte de la consideración de los estados límite citados en los apartados precedentes, se tendrán en cuenta otros efectos que pueden afectar a la capacidad portante o aptitud de servicio de la cimentación. Entre los posibles problemas que puedan presentarse se hará una consideración expresa de los siguientes:
    1. influencia de la hinca de pilotes prefabricados en estructuras o edificaciones cercanas;
    2. ataques del medio ambiente al material del pilote con la consiguiente merma de capacidad. Se debe prestar una atención especial al efecto de la corrosión del acero en las zonas batidas por la carrera de marea o por las oscilaciones del nivel freático;
    3. posible expansividad del terreno que pueda provocar el problema inverso al rozamiento negativo, causando el levantamiento de la cimentación;
    4. posible heladicidad del terreno, que pudiera afectar a encepados poco empotrados en el terreno;
    5. protección contra la helada en las cabezas de los pilotes recién construidos;
    6. posible ataque químico del terreno o de las aguas a los pilotes;
    7. posible modificación local del régimen hidrogeológico por conexión de acuíferos ubicados a distinta profundidad que podrían quedar conectados al ejecutar los pilotes;
    8. posible contaminación medioambiental por la utilización de lodos o polímeros durante la excavación de pilotes de hormigón "in situ";
    9. estabilidad de los taludes de las excavaciones y plataformas realizadas para construir el pilotaje;
    10. desprendimientos sobre la cabeza del pilote recién construido, debidos a la diferencia de cota entre el pilote terminado y la plataforma de trabajo, así como desprendimientos o contaminaciones causadas por la limpieza de la plataforma, especialmente en el caso de pilotes de hélice continua, en los que es necesaria la limpieza de la cabeza para la introducción de la armadura;
    11. mala limpieza del fondo de las excavaciones de los pilotes perforados;
    12. problemas de colapso en suelos que tengan una estructura metaestable;
    13. posibles efectos sísmicos y en particular la posible licuefacción del entorno y que pudiera incluir al propio pilotaje;
    14. posible pérdida de capacidad portante por socavación de pilotajes.

5.3.4 Carga de hundimiento

5.3.4.1 Generalidades
5.3.4.1.1 Criterios básicos
  1. La resistencia característica al hundimiento de un pilote aislado se considerará dividida en dos partes (véase Figura 5.5): resistencia por punta y resistencia por fuste

    Rck=Rpk+RfkR_{ck} = R_{pk} + R_{fk} (5.8)

    siendo
    • Rck la resistencia frente a la carga vertical que produce el hundimiento;
    • Rpk la parte de la resistencia que se supone soportada por la punta;
    • Rfk la parte de la resistencia que se supone soportada por el contacto pilote-terreno en el fuste.
Esquema de distribución de la carga de un pilote aislado
Figura 5.5. Esquema de distribución de la carga de un pilote aislado
  1. Para estimar ambas componentes de la resistencia se supondrá que son proporcionales a las áreas de contacto respectivas de acuerdo con las expresiones:

    Rpk=qpApR_{pk} = q_p \cdot A_p (5.9)

    Rfk=0LτfpfdzR_{fk} = \int_0^L \tau_f \cdot p_f \cdot dz (5.10)

    siendo
    • qp la resistencia unitaria por la punta según F.2.1
    • Ap el área de la punta
    • τf la resistencia unitaria por el fuste, obtenida de F.2.1
    • L la longitud del pilote dentro del terreno
    • pf el perímetro de la sección transversal del pilote, considerada según 5.1.2.2.2
    • z la profundidad contada desde la parte superior del pilote en contacto con el terreno
5.3.4.1.2 Consideraciones sobre la resistencia por punta
  1. El área de la punta a utilizar en el cálculo será igual al área de la sección transversal del pilote al nivel de la punta (pilotes de extracción) o a la proyección sobre el plano transversal del área del azuche en pilotes hincados. Para pilotes huecos (sección en forma de corona circular), o para perfiles metálicos hincados sin azuche, habrá que calcular el área de la punta equivalente según 5.1.2.2.2.
  2. El área de la punta que ha de considerarse para el cálculo de los pilotes metálicos en H será, salvo que se justifique otro valor, o se disponga un azuche especial, el menor de los dos valores siguientes:
    1. el área del rectángulo circunscrito;
    2. vez y media el cuadrado del ala.
  3. En los pilotes huecos hincados, se tomará como área de la punta el total de la superficie encerrada por el contorno externo.
  4. En casos de terreno heterogéneo, se supondrá que la carga de hundimiento por la punta está controlada por un terreno con las características medias de la zona comprendida entre tres diámetros bajo la punta (zona activa inferior) y seis diámetros sobre la punta (zona pasiva superior), aproximadamente.
  5. En las situaciones en las que bajo la punta existan zonas arcillosas de menor resistencia, que reduzcan la resistencia unitaria por punta "qp", dicho valor vendrá limitado por la expresión:

    qp6(1+HD)2Cuq_p \le 6 \cdot \left( 1 + \frac{H}{D} \right)^2 \cdot C_u (5.11)

    siendo
    • H la distancia de la punta del pilote al estrato del suelo cohesivo blando inferior;
    • D el diámetro real o equivalente (igual área) del pilote;
    • Cu la resistencia al corte sin drenaje del suelo cohesivo blando.
  6. Si la separación entre pilotes es inferior a la distancia de la punta del pilote al nivel del suelo cohesivo blando inferior debe considerarse el efecto combinado del grupo de pilotes para estimar la carga de hundimiento y el posible asiento de la cimentación.
5.3.4.1.3 Consideraciones sobre la resistencia por fuste
  1. Cuando la resistencia unitaria por fuste varíe con la profundidad, para el cálculo de la resistencia total por fuste se debe realizar una integración a lo largo del pilote. En los casos en que la resistencia total por fuste sea constante por tramos y también lo sea la longitud del contorno del pilote en cualquier sección horizontal, la resistencia por fuste se considerará como un sumatorio con un término por cada tramo, esto es:

    Rfk=τfAfR_{fk} = \sum \tau_f \cdot A_f (5.12)

    siendo
    • Af el área del contacto entre el fuste del pilote y el terreno en cada tramo;
    • τf la resistencia unitaria por fuste en cada tramo.
  2. En los pilotes con sección transversal especial, pilotes en H por ejemplo, se tomará como longitud del contorno la correspondiente a la figura geométrica simple (circunferencia, rectángulo o cuadrado) que conduzca a un perímetro menor.
  3. En los pilotes columna sobre roca, no debe contemplarse la resistencia por fuste en los suelos cuya deformabilidad sea claramente mayor que la correspondiente a la zona de la punta.
5.3.4.1.4 Consideraciones del efecto grupo
  1. De forma general, para el cálculo de los pilotes, no se considerará el efecto grupo para una separación entre ejes de pilotes igual o mayor a 3 diámetros.
  2. A partir de grupos de 4 pilotes se debe considerar que la proximidad entre los pilotes se traduce en una interacción entre ellos, de tal forma que si el grupo tiene n pilotes, y la carga de hundimiento del pilote aislado es Rck, la carga que produce el hundimiento del grupo, Rckg, en general, no suele ser igual a n · Rck, al tener que aplicar a este valor, n · Rck, un coeficiente de eficiencia, η, que se define como el cociente:

    η=Carga de hundimiento del gruponCarga hundimiento del pilote individual=RckgnRck\eta = \frac{\text{Carga de hundimiento del grupo}}{n \cdot \text{Carga hundimiento del pilote individual}} = \frac{R_{ckg}}{n \cdot R_{ck}} (5.13)

    Siendo n el numero de pilotes
  3. El coeficiente de eficiencia será de 1, para separaciones entre ejes iguales o superiores a 3 D. Para separaciones de 1 D el coeficiente de eficiencia será 0,7. Para separaciones entre 1 D y 3 D se interpolará linealmente entre 0,7 y 1.
  4. En pilotes hincados en arenas densas o muy densas se podrá adoptar un coeficiente de eficiencia igual a 1. Podrá aumentarse este valor, previa justificación, por la posible compactación que se pueda producir, sin que en ningún caso pueda ser superior a 1,3.
  5. Para determinar el valor de cálculo de la resistencia al hundimiento del grupo, analizado como una única cimentación que engloba los pilotes, debe utilizarse un coeficiente, γR, que como mínimo será el indicado en la tabla 2.1.
5.3.4.1.5 Métodos para verificar el estado límite por hundimiento de un pilote
  1. En el caso de pilotes en arcillas y arenas el valor de cálculo de la resistencia del terreno Rcd que permite verificar el estado límite del hundimiento se obtendrá a partir de la expresión (5.7), pudiéndose determinar la resistencia Rck del terreno con los métodos indicados en el anejo F.
  2. En el caso de pilotes en roca se puede determinar directamente el valor de Rcd a través de los valores qp,d y τf,d determinados según se indica en el anejo F.2.

5.3.5 Cálculo de la resistencia al arrancamiento

  1. Si el pilote está sometido a tracción, la solicitación no debe superar la capacidad resistente al arrancamiento. Se puede considerar que la resistencia al arrancamiento es igual al 70% de la resistencia por fuste a compresión, establecida en la determinación de la carga de hundimiento.
  2. En los pilotes sometidos a tracción se debe prestar un especial cuidado a los problemas de posible corrosión.

5.3.6 Resistencia del terreno frente a acciones horizontales

  1. Tal como se ha indicado en el apartado 5.2.3, el cálculo de los pilotes frente a esfuerzos horizontales, a efectos de este DB, tan sólo debe realizarse en aquellos casos en los que la máxima componente de los empujes horizontales sea superior al 10% de la carga vertical compatible con ella.
  2. En el caso de utilizar pruebas de carga en la estimación de la carga horizontal de rotura, se podrán reducir los coeficientes de seguridad en función de la importancia de las pruebas. El coeficiente de seguridad no será, en cualquier caso, inferior al 70% de los valores recogidos en la tabla 2.1.
  3. En el anejo F.2.5. se indica un método para la estimación de la resistencia del terreno frente a acciones horizontales, válida para pilote aislado.
  4. En el caso de grupo de pilotes, la resistencia frente a esfuerzos horizontales del terreno situado alrededor del grupo se estimará como el menor valor de los dos siguientes:
    1. la suma de las resistencias horizontales del terreno alrededor de cada pilote, calculadas individualmente;
    2. la resistencia horizontal del terreno correspondiente a un pilote equivalente cuyo diámetro fuese la anchura del grupo y cuya profundidad fuese igual a la profundidad media de los pilotes del grupo.
  5. En los casos en los que este aspecto en el proyecto resulte crítico, se deben utilizar procedimientos de cálculo más detallados o realizar pruebas de carga que permitan una estimación más exacta de la carga de rotura.

5.3.7 Movimientos de la cimentación

5.3.7.1 Asientos
  1. La limitación de asientos se hará de acuerdo con los criterios recogidos en el apartado 2.4.3.
  2. Si el asiento en los pilotes resulta un aspecto crítico, será conveniente la realización de pruebas de carga especialmente diseñadas para la determinación de asientos a largo plazo, única manera precisa de conocer la relación carga-asiento. Para la realización de dicha prueba se recomienda independizar la resistencia de punta de la del fuste del pilote.
  3. En los casos en los que este aspecto resulte crítico, los asientos se calcularán tanto para el pilote aislado como teniendo en cuenta el efecto grupo, debiéndose cumplir que los valores así estimados deben ser menores que los límites admisibles para los estados límite de servicio. En el anejo F.2.6. se indica un método para la estimación de asientos.
5.3.7.2 Movimientos horizontales
  1. Los movimientos horizontales deben estudiarse en aquellos en los que se analice el comportamiento de los pilotes frente a esfuerzos horizontales.
  2. Si el movimiento horizontal de la cimentación pilotada resulta ser un aspecto crítico del problema en estudio, será conveniente hacer pruebas de campo para estimarlos.
  3. Se comprobará que los movimientos horizontales sean inferiores a los límites admisibles para los estados límite de servicio. En el anejo F.2.7. se indica un método simplificado para su estimación, distinguiendo entre pilote aislado y efecto grupo.

5.3.8 Consideraciones estructurales

  1. En el análisis de los estados límite últimos se tendrá en cuenta que las acciones en el pilote pueden llegar a provocar el agotamiento de la capacidad estructural de su sección resistente.
5.3.8.1 Tope estructural
  1. El tope estructural o carga nominal es el valor de cálculo de la capacidad resistente del pilote. Se debe comprobar que, la solicitación axil sobre cada pilote, no supere este tope. Como tales solicitaciones deben compararse con los valores de los efectos de las acciones definidos en el apartado 2.3.2.2.
  2. El tope estructural depende de:
    1. la sección transversal del pilote;
    2. el tipo de material del pilote;
    3. el procedimiento de ejecución;
    4. el terreno.
  3. Los valores del tope estructural se adoptarán de acuerdo con la siguiente expresión:

    Qtope=σAQ_{tope} = \sigma \cdot A (5.14)

    siendo
    • σ la tensión del pilote (tabla 5.1)
    • A el área de la sección transversal
Tabla 5.1. Valores recomendados para el tope estructural de los pilotes
Procedimiento Tipo de pilote Valores de σ (Mpa)
Hincados Hormigón pretensado o postesado 0,30 (fck - 0,9 fp)
Hormigón armado 0,30 fck
Metálicos 0,30 fyk
Madera 5
Tipo de apoyo
Suelo firme Roca
Perforados(1) Entubados 5 6
Lodos 4 5
En seco 4 5
Barrenados sin control de parámetros 3,5 -
Barrenados con control de parámetros 4 -
(1) Con un control adecuado de la integridad, los pilotes perforados podrán ser utilizados con topes estructurales un 25% mayores.
  • fck es la resistencia característica del hormigón
  • fp es la tensión introducida en el hormigón por el pretensado
  • fyk es el límite elástico del acero
5.3.8.2 Capacidad estructural del pilote
  1. Tal y como se indica en el apartado 2.4.2.4 se debe comprobar que los valores de cálculo de los efectos de las acciones de la estructura sobre cada pilote (momentos y esfuerzos cortantes) no superan el valor de cálculo de su capacidad resistente.
  2. En ausencia de otras recomendaciones más específicas y en los casos normales, donde las acciones horizontales no sean dominantes, el cálculo de esfuerzos en los pilotes podrá hacerse con el mismo modelo estructural indicado en el apartado 5.3.7 para el cálculo de movimientos. En este modelo, la cimentación proporciona esfuerzos en la parte exenta (no enterrada) de los pilotes que pueden considerarse suficientemente precisos. En el Anejo F.2.8 se indica un método para el cálculo de los mismos.
  3. El armado de los pilotes se hará de acuerdo con las reglas especificadas en la instrucción EHE
  4. A efectos del cálculo a flexión de pilotes hormigonados in situ se recomienda considerar una resistencia característica del hormigón igual o inferior a 18 MPa.

5.4 Condiciones constructivas y de control

5.4.1 Condiciones constructivas

5.4.1.1 Pilotes hormigonados “in situ”
  1. Los pilotes hormigonados al amparo de entubaciones metálicas (camisas) recuperables deben avanzar la entubación hasta la zona donde el terreno presente paredes estables, debiéndose limpiar el fondo. La entubación se retirará al mismo tiempo que se hormigone el pilote, debiéndose mantener durante todo este proceso un resguardo de al menos 3 m de hormigón fresco por encima del extremo inferior de la tubería recuperable.
  2. En los casos en los que existan corrientes subterráneas capaces de producir el lavado del hormigón y el corte del pilote o en terrenos susceptibles de sufrir deformaciones debidas a la presión lateral ejercida por el hormigón se debe considerar la posibilidad de dejar una camisa perdida.
  3. Cuando las paredes del terreno resulten estables, los pilotes podrán excavarse sin ningún tipo de entibación (excavación en seco), siempre y cuando no exista riesgo de alteración de las paredes ni del fondo de la excavación.
  4. En el caso de paredes en terrenos susceptibles de alteración, la ejecución de pilotes excavados, con o sin entibación, debe contemplar la necesidad o no de usar lodos tixotrópicos para su estabilización.
  5. El uso de lodos tixotrópicos podrá también plantearse como método alternativo o complementario a la ejecución con entubación recuperable siempre que se justifique adecuadamente.
  6. En el proceso de hormigonado se debe asegurar que la docilidad y fluidez del hormigón se mantiene durante todo el proceso de hormigonado, para garantizar que no se produzcan fenómenos de atascos en el tubo Tremie, o bolsas de hormigón segregado o mezclado con el lodo de perforación.
  7. El cemento a utilizar en el hormigón de los pilotes se ajustará a los tipos definidos en la instrucción vigente para la Recepción de Cemento.
  8. En los pilotes barrenados la entibación del terreno la produce el propio elemento de excavación (barrena o hélice continua). Una vez alcanzado el fondo, el hormigón se coloca sin invertir el sentido de la barrena y en un movimiento de extracción del útil de giro perforación. La armadura del pilotaje se introduce a posteriori, hincándola en el hormigón aún fresco hasta alcanzar la profundidad de proyecto, que será como mínimo de 6 m o 9D.
  9. A efectos de este DB no se deben realizar pilotes de barrena continua cuando:
    1. se consideren pilotes aislados, salvo que se efectúen con registro continuo de parámetros de perforación y hormigonado, que aseguren la continuidad estructural del pilote;
    2. la inclinación del pilote sea mayor de 6º, salvo que se tomen medidas para controlar el direccionado de la perforación y la colocación de la armadura;
    3. existan capas de terreno inestable con un espesor mayor que 3 veces el diámetro del pilote, salvo que pueda demostrarse mediante pilotes de prueba que la ejecución es satisfactoria o se ejecuten pilotes con registro continuo de parámetros y tubo telescópico de hormigonado, que asegure la continuidad estructural del pilote.
  10. En relación con el apartado anterior, se considerarán terrenos inestables los siguientes:
    1. terrenos uniformes no cohesivos con coeficiente de uniformidad (relación de diámetros correspondientes al 60 y al 10% en peso) inferior a 2 (D60/D10<2D_{60}/D_{10} < 2) por debajo del nivel freático;
    2. terrenos flojos no cohesivos con N < 7;
    3. terrenos muy blandos cohesivos con resistencia al corte no drenada, cuc_u, inferior a 15 kPa.
  11. No se considera recomendable ejecutar pilotes con barrena continua en zonas de riesgo sísmico o que trabajen a tracción salvo que se pueda garantizar el armado en toda su longitud y el recubrimiento de la armadura.
  12. Para la ejecución de pilotes hormigonados “in situ” se consideran adecuadas las especificaciones constructivas con relación a este tipo de pilotes, recogidas en la norma UNE EN 1536:2011+A1:2016.
5.4.1.1.1 Materias primas
  1. Tanto las materias primas como la dosificación de los hormigones, se ajustarán a lo indicado en la Instrucción de Hormigón Estructural EHE.
    1. Agua
      El agua para la mezcla debe cumplir lo expuesto en la Instrucción EHE, de forma que no pueda afectar a los materiales constituyentes del elemento a construir.
    2. Cemento
      El cemento a utilizar en el hormigón de los pilotes se ajustará a los tipos definidos en la vigente instrucción para la recepción de cemento. Pueden emplearse otros cementos cuando se especifiquen y tengan una eficacia probada en condiciones determinadas.
      No se recomienda la utilización de cementos de gran finura de molido y el alto calor de hidratación, debido a altas dosificaciones a emplear. No será recomendable el empleo de cementos de aluminato de calcio, siendo preferible el uso de cementos con adiciones (tipo II), porque se ha manifestado que éstas mejoran la trabajabilidad y la durabilidad, reduciendo la generación de calor durante el curado.
      En el caso de que el nivel de agresividad sea muy elevado, se emplearán cementos con la característica especial de resistencia a sulfatos o agua de mar (SR/MR)
    3. Áridos
      Los áridos cumplirán las especificaciones contenidas en el artículo 28º de la Instrucción de Hormigón Estructural EHE.
      A fin de evitar la segregación, la granulometría de los áridos será continua. Es preferible el empleo de áridos redondeados cuando la colocación del hormigón se realice mediante tubo Tremie.
      El tamaño máximo del árido se limitará a treinta y dos milímetros (32 mm), o a un cuarto (1/4) de la separación entre redondos longitudinales, eligiéndose la menor en ambas dimensiones. En condiciones normales se utilizarán preferiblemente tamaños máximos de árido de veinticinco milímetros (25 mm), si es rodado, y de veinte milímetros (20 mm), si procede de machaqueo.
    4. Aditivos
      Para conseguir las propiedades necesarias para la puesta en obra del hormigón, se podrán utilizar con gran cuidado reductores de agua y plastificantes, incluidos los superplastificantes, con el fin de evitar el rezume o segregación que podría resultar por una elevada proporción de agua.
      Se limitará, en general, la utilización de aditivos de tipo superfluidificante de duración limitada al tiempo de vertido, que afecten a una prematura rigidez de la masa, al tiempo de fraguado y a la segregación. En el caso de utilización se asegurará que su dosificación no provoque estos efectos secundarios y mantenga unas condiciones adecuadas en la fluidez del hormigón durante el periodo completo del hormigonado de cada pilote.
5.4.1.1.2 Dosificación y propiedades del hormigón
  1. El hormigón de los pilotes deberá poseer:
    1. alta capacidad de resistencia contra la segregación;
    2. alta plasticidad y buena cohesión;
    3. buena fluidez;
    4. capacidad de autocompactación;
    5. suficiente trabajabilidad durante el proceso de vertido, incluida la retirada, en su caso, de entubados provisionales.
  2. En la tabla 5.2 se recogen los criterios de contenido mínimo de cemento, relación agua/cemento y contenido mínimo de finos.
Tabla 5.2. Dosificaciones de amasado
Contenido de cemento
- vertido en seco 325 Kg/m3\ge 325 \text{ Kg/m}^3
- hormigonado sumergido 375 Kg/m3\ge 375 \text{ Kg/m}^3
Relación agua-cemento (A/C) <0,6< 0,6
Contenido de finos d < 0,125 mm (cemento incluido)
- árido grueso d > 8 mm 400 kg/m3\ge 400 \text{ kg/m}^3
- árido grueso d \le 8 mm 450 kg/m3\ge 450 \text{ kg/m}^3
  1. En la tabla 5.3 se recogen los valores de consistencia del hormigón, según diferentes condiciones de colocación.
Tabla 5.3. Consistencia del hormigón
Asientos de cono de Abrams mm Condiciones típicas de uso (ejemplos)
130H180130 \le H \le 180 Hormigón vertido en seco
H160H \ge 160 Hormigón bombeado o bien hormigón sumergido, vertido bajo agua con tubo tremie
H180H \ge 180 Hormigón sumergido, vertido bajo fluido estabilizador con tubo tremie
Nota.- Los valores medidos del asiento (H) deben redondearse a los 10 mm
  1. En el caso de que las dosificaciones de amasado y los valores de consistencia establecidos en las tablas 5.2 y 5.3 no den una mezcla de alta densidad, se puede ajustar el contenido de cemento y la consistencia.
  2. Se ha de asegurar que la docilidad y fluidez se mantiene durante todo el proceso de hormigonado, para garantizar que no se produzcan fenómenos de atascos en el tubo Tremie, discontinuidades en el hormigón o bolsas de hormigón segregado o mezclado con el lodo de perforación. Durante 4 horas y, al menos durante todo el periodo de hormigonado de cada pilote, la consistencia del hormigón dispuesto deberá mantenerse en un cono de Abrams no inferior a 100mm.
  3. Se debe proporcionar una adecuada protección a través del diseño de la mezcla o de camisas perdidas, contra la agresividad del suelo o de los acuíferos.
5.4.1.2 Pilotes prefabricados hincados
  1. Para la ejecución de los pilotes prefabricados se consideran adecuadas las especificaciones constructivas recogidas con relación a este tipo de pilotes en la norma UNE EN 12699:2016.

5.4.2 Control

5.4.2.1 Control de ejecución de pilotes hormigonados in situ
  1. La correcta ejecución del pilote, incluyendo la limpieza y en su caso el tratamiento de la punta son factores fundamentales que afectan a su comportamiento, y que deben tomarse en consideración para asegurar la validez de los métodos de cálculo contemplados en este DB.
  2. Los pilotes ejecutados “in situ” se controlarán durante la ejecución, confeccionando un parte que contenga, al menos, los siguientes datos:
    1. datos del pilote (Identificación, tipo, diámetro, punto de replanteo, profundidad, etc.);
    2. longitud de entubación (caso de ser entubado);
    3. valores de las cotas: del terreno, de la cabeza del pilote, de la armadura, de la entubación, de los tubos sónicos, etc;
    4. tipos de terreno atravesados (comprobación con el terreno considerado originalmente);
    5. niveles de agua;
    6. armaduras (tipos, longitudes, dimensiones, etc.);
    7. hormigones (tipo, características, etc.);
    8. tiempos (de perforación, de colocación de armaduras, de hormigonado);
    9. observaciones (cualquier incidencia durante las operaciones de perforación y hormigonado).
  3. Durante la ejecución se consideran adecuados los controles siguientes, según la norma UNE EN 1536:2011+A1:2016 (tablas 6 a 11):
    1. control del replanteo;
    2. control de la excavación;
    3. control del lodo;
    4. control de las armaduras;
    5. control del hormigón.
  4. En el control de vertido de hormigón, al comienzo del hormigonado, el tubo Tremie no podrá descansar sobre el fondo, sino que se debe elevar unos 20 cm para permitir la salida del hormigón.
  5. En los pilotes de barrena continua se consideran adecuados los controles indicados en la tabla 12 de la norma UNE EN 1536:2011+A1:2016. Cuando estos pilotes se ejecuten con instrumentación, se controlarán en tiempo real los parámetros de perforación y de hormigonado, permitiendo conocer y corregir instantáneamente las posibles anomalías detectadas.
  6. Se pueden diferenciar dos tipos de ensayos de control:
    1. ensayos de integridad a lo largo del pilote;
    2. ensayos de carga (estáticos o dinámicos).
  7. Los ensayos de integridad tienen por objeto verificar la continuidad del fuste del pilote y la resistencia mecánica del hormigón.
  8. Pueden ser, según los casos, de los siguientes tres tipos:
    1. transparencia sónica;
    2. impedancia mecánica;
    3. sondeos mecánicos a lo largo del pilote.
    Además, se podrá realizar un registro continuo de parámetros en pilotes de barrena continua.
  9. El número y la naturaleza de los ensayos se fijarán en el Pliego de condiciones del proyecto y se establecerán antes del comienzo de los trabajos. El número de ensayos no debe ser inferior a 1 por cada 20 pilotes, salvo en el caso de pilotes aislados con diámetros entre 45 y 100 cm que no debe ser inferior a 2 por cada 20 pilotes. En pilotes aislados de diámetro superior a 100 cm no debe ser inferior a 5 por cada 20 pilotes.
5.4.2.2 Control de ejecución de pilotes prefabricados hincados
  1. Los controles de todos los trabajos de realización de las diferentes etapas de ejecución de un pilote se deben ajustar al método de trabajo y al plan de ejecución establecidos en el proyecto.
  2. Se deben controlar los efectos de la hinca de pilotes en la proximidad de obras sensibles o de pendientes potencialmente inestables. Los métodos pueden incluir la medición de vibraciones, de presiones intersticiales, deformaciones y medición de la inclinación. Estas medidas se deben comparar con los criterios de prestaciones aceptables.
  3. La frecuencia de los controles debe estar especificada y aceptada antes de comenzar los trabajos de hincado de los pilotes.
  4. Los informes de los controles se deben facilitar en plazo convenido y conservarlos en obra hasta la terminación de los trabajos de hincado de los pilotes.
  5. Todos los instrumentos utilizados para el control de la instalación de los pilotes o de los efectos derivados de esta instalación deben ser adecuados al objetivo previsto y deben estar calibrados.
  6. Debe reseñarse cualquier no conformidad.
  7. Se debe registrar la curva completa de la hinca de un cierto número de pilotes. Dicho número debe fijarse en el Pliego de condiciones del proyecto.
  8. De forma general se debe reseñar:
    1. sobre las mazas: la altura de caída del pistón y su peso o la energía de golpeo, así como el número de golpes de la maza por unidad de penetración;
    2. sobre los pilotes hincados por vibración: la potencia nominal, la amplitud, la frecuencia y la velocidad de penetración;
    3. sobre los pilotes hincados por presión: la fuerza aplicada al pilote.
  9. Cuando los pilotes se hinquen hasta rechazo, se debe medir la energía y avance.
  10. Si los levantamientos o los desplazamientos laterales son perjudiciales para la integridad o la capacidad del pilote, se debe medir, respecto a una referencia estable, el nivel de la parte superior del pilote y su implantación, antes y después de la hinca de los pilotes próximos o después de excavaciones ocasionales.
  11. Los pilotes prefabricados que se levanten por encima de los límites aceptables, se deben volver a hincar hasta que se alcancen los criterios previstos en el proyecto en un principio (cuando no sea posible rehincar el pilote, se debe realizar un ensayo de carga para determinar sus características carga-penetración, que permitan establecer las prestaciones globales del grupo de pilotes).
  12. No se debe interrumpir el proceso de hinca de un pilote hasta alcanzar el rechazo previsto que asegure la resistencia señalada en el proyecto. En suelos arcillosos, y para edificios de categoría C-3 y C-4, debe comprobarse el rechazo alcanzado, transcurrido un periodo mínimo de 24 horas, en una muestra representativa de pilotes.

5.4.3 Tolerancias de ejecución

  1. Para pilotes hormigonados in situ se deben cumplir, salvo especificación en contra del Pliego de condiciones del proyecto, las siguientes tolerancias:
    1. Posición de los pilotes a nivel de la plataforma de trabajo
      e<emax=0,1Deqe < e_{max} = 0,1 \cdot D_{eq}; para pilotes con Deq1,5D_{eq} \le 1,5 m.
      e<emax=0,15e < e_{max} = 0,15 m, para pilotes con Deq>1,5D_{eq} > 1,5 m.
      siendo DeqD_{eq} el diámetro equivalente del pilote.
    2. Inclinación
      i<imax=0,02 m/mi < i_{max} = 0,02 \text{ m/m}. para θ4\theta \le 4^\circ
      i<imax=0,04 m/mi < i_{max} = 0,04 \text{ m/m}. para θ>4\theta > 4^\circ
      siendo θ\theta el ángulo que forma el eje del pilote con la vertical.
  2. Para pilotes prefabricados hincados se deben cumplir los siguientes requisitos:
    1. Posición de los pilotes a nivel de la plataforma de trabajo
      en tierra: e<emax=e < e_{max} = valor mayor entre el 15% del diámetro equivalente ó 5 cm
      en agua: de acuerdo con las especificaciones definidas en el proyecto.
    2. Inclinación
      i<imax=0,02 m/mi < i_{max} = 0,02 \text{ m/m}. para θ4\theta \le 4^\circ
      i<imax=0,04 m/mi < i_{max} = 0,04 \text{ m/m}. para θ>4\theta > 4^\circ
      siendo θ\theta el ángulo que forma el eje del pilote con la vertical
  3. Cuando se requieran tolerancias más estrictas que las anteriores, se deben establecer en el Pliego de condiciones del proyecto, y, en cualquier caso, antes del comienzo de los trabajos.
  4. Para la medida de las desviaciones de ejecución se considerará que el centro del pilote es el centro de gravedad de las armaduras longitudinales, o el centro del mayor círculo inscrito en la sección de la cabeza del pilote para los no armados.

5.4.4 Ensayos de pilotes

  1. Los ensayos de pilotes se pueden realizar para:
    1. estimar los parámetros de cálculo;
    2. estimar la capacidad portante;
    3. probar las características resistente-deformacionales en el rango de las acciones especificadas;
    4. comprobar el cumplimiento de las especificaciones;
    5. probar la integridad del pilote.
  2. Los ensayos de pilotes pueden consistir en:
    1. ensayos de carga estática;
    2. ensayos de carga dinámica, o de alta deformación;
    3. ensayos de integridad;
    4. ensayos de control.
  3. Los ensayos de carga estática podrán ser:
    1. por escalones de carga;
    2. a velocidad de penetración constante.
  4. Los ensayos de integridad podrán ser:
    1. ensayos de eco o sónicos por reflexión y por impedancia, o de baja deformación;
    2. ensayos sónicos por transparencia, o cross-hole sónicos.
  5. Los ensayos de control podrán ser:
    1. con perforación del hormigón para obtención de testigos;
    2. con inclinómetros para verificar la verticalidad del pilote.
  6. Conviene que los ensayos de carga estática y dinámica no se efectúen hasta después de un tiempo suficiente, que tenga en cuenta los aumentos de resistencia del material del pilote, así como la evolución de la resistencia de los suelos debida a las presiones intersticiales.
  7. Para edificios de categoría C-3 y C-4, en pilotes prefabricados, se considera necesaria la realización de pruebas dinámicas de hinca contrastadas con pruebas de carga.

Documento Básico SE - Seguridad Estructural

Versión c-2019