5 Comportamiento estructural

5.1 Generalidades

  1. Pueden analizarse independientemente partes o elementos aislados de la estructura, si se considera su disposición espacial y la interacción con el resto.
  2. El comportamiento supuesto para las uniones, conexiones e interacciones en el modelo de análisis se ajustará al comportamiento real.
  3. La estructura de muros se diseñará para que pueda resistir esfuerzos laterales, de acuerdo con cálculos de estabilidad global.

5.2 Muros sometidos predominantemente a carga vertical

5.2.1 Análisis de solicitaciones

  1. La determinación de esfuerzos se realizará de acuerdo con los métodos generales de análisis estructural, utilizando modelos planos o espaciales.
  2. En la mayoría de los casos, para el análisis a carga vertical, es suficiente plantear una estructura constituida por elementos de profundidad unidad, en la cual los muros y los forjados se sustituyen por barras con sus mismas características geométricas y de deformación, formando pórticos que idealizan la estructura para su cálculo utilizando modelos planos.
  3. En general, se podrá modelar las estructuras de muros de carga y forjados como pórticos rígidos para aplicarles cálculo elástico. De manera simplificada, se puede realizar un análisis nudo a nudo, (hipótesis elástica y con la fábrica no fisurada), en el que, repartiendo el desequilibrio de momentos de empotramiento, de acuerdo con la rigidez relativa de cada elemento, la suma de los momentos en los tramos superior e inferior de un nudo de piso intermedio, (figura 5.1) resulta:

    M=(Memp,iMemp,j)K/KTM = (M_{emp, i} - M_{emp, j}) \cdot K / K_T (5.1)

    siendo:

    Memp,i,Memp,jM_{emp, i}, M_{emp, j} los momentos de empotramiento perfecto del forjado a uno y otro lado, uno con la carga total y otro con sólo la permanente, lo que sea peor

    KK la suma de las rigideces de los tramos de muros en cuestión, cada uno igual a 4EI/h4EI/h donde:

    • EE es el módulo de elasticidad del muro
    • II es el momento de inercia del muro; el de la hoja portante si hay otra que no lo es.
    • hh es la altura libre del paño

    KTK_T la suma de rigideces de las piezas que concurren en el nudo analizado; para las de forjado se tomará nEI/LnEI/L donde:

    • nn es 3 si el nudo opuesto es de fachada, 4 si es interior, 0 si es un vuelo
    • EIEI es la rigidez del forjado
    • LL es la luz libre del forjado
  4. Como la unión entre el muro y el forjado no es perfectamente rígida, si la tensión vertical de cálculo media en el grueso total del muro es menor que 0,25 N/mm20,25 \text{ N/mm}^2, los momentos obtenidos con (5.1) se pueden reducir por un coeficiente C, (incrementando, en consecuencia, los momentos de vano de los forjados), de valor:

    C=(1k/4)>0,50C = (1 - k/4) > 0,50 (5.2)

    donde:

    kk es la relación de suma de la rigidez a flexión de los forjados a la de los muros

Análisis simplificado de un nudo
Figura 5.1 Análisis simplificado de un nudo.
  1. Para asignar el momento a cada paño, será válido cualquier reparto que conserve el equilibrio (véase figura 5.2 y 5.3)
    Equilibrio de nudos intermedios
    Figura 5.2 Equilibrio de nudos intermedios.
  2. En los nudos superiores se podrá suponer que la carga de los forjados acomete a los muros con una excentricidad, (véase figura 5.3), igual a:
    1. en el caso de muros extremos: e=0,25t+0,25ae = 0,25 \cdot t + 0,25 \cdot a (5.3)
    2. en el caso de muros interiores: e=0,25t(NiNj)/(Ni+Nj)e = 0,25 \cdot t \cdot (N_i - N_j) / (N_i + N_j) (5.4)
    siendo:
    • tt el grueso del muro en los que acometen forjados por los dos lados, descontando los rehundidos en los bordes si los hubiere
    • aa la profundidad con que se remete la tabica del forjado respecto a la cara exterior
    • Ni,NjN_i, N_j la carga que acomete por cada lado
  3. A los efectos del cálculo, el arranque inferior del muro en la solera, forjado sanitario o zanja, puede considerarse como empotramiento perfecto.
Excentricidad de apoyo en cabeza de muro superior
Figura 5.3 Excentricidad de apoyo en cabeza de muro superior
  1. Si la excentricidad obtenida a partir de los momentos de puntos anteriores es mayor que 0,4 del espesor, o la tensión vertical de cálculo media es inferior a 0,25 N/mm20,25 \text{ N/mm}^2 (suele presentarse en los nudos superiores) la reacción de los muros puede obtenerse directamente por capacidad como la que corresponde a la amplitud del bloque comprimido que equilibra el esfuerzo normal de cálculo mediante una tensión no superior a la resistencia de cálculo del material (véase figura 5.4). Este procedimiento de garantizar la capacidad portante no permite descartar que los giros producidos provoquen fisuras en el lado opuesto al de aplicación de la carga. En caso de que, sin acudir a este recurso, no se verifique (5.1), podrían reconsiderarse los detalles constructivos, en particular variando la entrega del forjado o, lo que suele ser más eficaz, aumentando su canto.
    Excentricidad del esfuerzo normal de cálculo
    Figura 5.4 Excentricidad del esfuerzo normal de cálculo.
  2. Las condiciones de vinculación de los nudos del modelo utilizado para el análisis deben corresponderse con la posibilidad de movimientos que se deriven del detalle constructivo. En el modelo de análisis se considerarán todos los elementos que puedan suponer una alteración del comportamiento estructural, especialmente aquellos que impidan la deformación supuesta de los forjados (cerramientos, muros de arriostramiento, o tabiquería retacados superiormente)
  3. Todo muro de carga tendrá un espesor de al menos 115 mm.

5.2.2 Capacidad portante

  1. En todo paño de un muro de fábrica, la compresión vertical de cálculo, NSdN_{Sd}, será menor o igual que su resistencia vertical de cálculo, NRdN_{Rd}, es decir:

    NSdNRdN_{Sd} \le N_{Rd} (5.5)

  2. En muros de una hoja (o de dos hojas unidas rígidamente), la capacidad resistente vertical de cálculo a compresión vertical, NRdN_{Rd}, por unidad de longitud, vale:

    NRd=ΦtfdN_{Rd} = \Phi \cdot t \cdot f_d (5.6)

    donde:
    • Φ\Phi es el factor de reducción del grueso del muro por efecto de la esbeltez y/o de la excentricidad de la carga que se calcula según el apartado 5.2.3.
    • tt es el espesor del muro
    • fdf_d es la resistencia de cálculo a compresión de la fábrica. Cuando el área A, en m2m^2, de la sección horizontal de un muro sea menor que 0,1m20,1 m^2, se reducirá por el factor 0,7+3A0,7 + 3 \cdot A
  3. En muros capuchinos se comprobará cada hoja por separado.

5.2.3 Factor de reducción Φ\Phi

  1. En cabeza y base de muro (figura 5.4), el factor de reducción, Φ\Phi, vale:

    en cabeza Φ=12et\Phi = 1 - 2\frac{e}{t} (5.7)

    en base Φ=12et2at\Phi = 1 - 2\frac{e}{t} - 2\frac{a}{t} (5.8)

    siendo:
    • aa la profundidad con que se remete la tabica del forjado respecto a la cara exterior del muro (figuras 5.2 y 5.3)
    • ee la excentricidad total de la sección que se comprueba. Salvo que se haya obtenido por capacidad, según el apartado 5.2.2, se considerará:

      e=MSd/NSd+ea>0,05te = M_{Sd}/N_{Sd} + e_a > 0,05 \cdot t (5.9)

      donde:
      • MSdM_{Sd} es el momento flector de cálculo de la sección que se comprueba, deducido del modelo estructural adoptado, debido a carga vertical, más, en su caso, el debido a las acciones laterales locales, según 5.5
      • NSdN_{Sd} es el esfuerzo normal de cálculo en la sección que se comprueba, deducido del modelo estructural, en general considerando las plantas superiores sin sobrecarga.
      • eae_a es un incremento de excentricidad por ejecución. Si la categoría de ejecución es la B, ea=hd/450e_a = h_d /450. Si la categoría de ejecución es la A, ea=hd/500e_a = h_d /500. Si la categoría es la C, se adoptará el valor ea=20 mme_a = 20 \text{ mm}, si se trata de un tramo entre forjados y ea=50 mme_a = 50 \text{ mm}, si corresponde a un tramo libre en su extremo superior o su altura es la total del edificio. En las expresiones anteriores, hdh_d es la altura de cálculo del muro, según el apartado 5.2.4
    Normales y momentos flectores en un muro
    Figura 5.5 Normales y momentos flectores en un muro.
  2. En paños entre tramos sucesivos de forjados, a media altura (figura 5.5), el factor de reducción Φ\Phi se determinará, de forma simplificada a partir de la ecuación (5.10). La formulación completa para la determinación de Φ\Phi a media altura se encuentra en el Anejo D.

    Φ=12emt\Phi = 1 - 2\frac{e_m}{t} (5.10)

    siendo:

    em=e+epe_m = e + e_p (5.11)

    donde:
    • ee es la excentricidad debida a las solicitaciones en ese punto, según (5.9),
    • epe_p la excentricidad debida a pandeo, de valor
    • ep=0,00035t(hd/td)2e_p = 0,00035 \cdot t \cdot (h_d / t_d)^2 (5.12)
  3. La excentricidad por fluencia puede considerarse nula para muros ejecutados con piezas cerámicas o de piedra natural, y en muros ejecutados con otro tipo de piezas con esbeltez menor o igual a 15. Para tener en cuenta la fluencia, el valor epe_p se incrementará en:

    Δep=0,002φhdtdtem\Delta e_p = 0,002 \varphi_\infty \frac{h_d}{t_d} \sqrt{t \cdot e_m} (5.13)

    donde:
    • hdh_d es la altura de cálculo, según el apartado 5.2.4
    • tdt_d es el espesor de cálculo del muro, según 5.2.5

5.2.4 Altura de cálculo de un muro

  1. Un muro se considera arriostrado por otro en un borde vertical si:
    1. No es previsible que se produzcan fisuras entre ambos, como cuando ambos se ejecutan simultáneamente con materiales de análoga deformabilidad, están análogamente cargados, se enlazan, y no son previsibles movimientos diferenciales entre ellos, por retracción, cargas, etc.
    2. La unión entre el muro arriostrado y el arriostrante (mediante elementos de trabado, llaves u otros medios) se proyecta para resistir los esfuerzos cortantes, las tracciones y/o las compresiones previsibles.
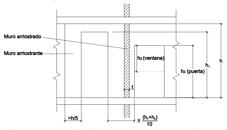
  2. Un muro se considera arriostrante de un borde vertical de otro cuando:
    1. tiene una longitud no menor que 1/5 de la altura libre del arriostrado, y
    2. tiene un espesor no menor que 0,3 del espesor eficaz del muro arriostrado, ni menor de 85 mm, y
    3. si tiene huecos, la distancia entre ellos no es menor que 1/5 de la altura media de los huecos (véase figura 5.6) y cuando se prolonga más allá de cada hueco una distancia no menor que 1/5 de la altura libre de la planta.
      Longitud mínima de un muro arriostrante de un borde de otro
      Figura 5.6 Longitud mínima de un muro arriostrante de un borde de otro.
  3. También puede considerarse que sirve para arriostrar un borde cualquier otro elemento que tenga una rigidez equivalente a la de un muro arriostrante de fábrica, según el párrafo anterior, y esté enlazado al muro arriostrado mediante anclajes o llaves, proyectados específicamente para resistir los cortantes y las tracciones y compresiones que sean previsibles.
  4. Se considerarán bordes libres los de huecos con altura libre mayor que 1/4 de la altura de piso, o anchura libre mayor que 1/4 de la longitud del muro, o área mayor de 1/10 de la del muro.
  5. La altura de cálculo, hdh_d, de un paño de muro de altura h, longitud L, y grueso t, puede determinarse a partir de lo establecido en el Anejo E. De manera simplificada es:
    1. Para un muro arriostrado sólo en cabeza y base, (caso 1), hd=hh_d = h. Si se arriostra mediante forjados de hormigón armado con una entrega de al menos 2t/3 y 85 mm, y la excentricidad de la compresión en cabeza es menor de 0,25 t, (caso 2) puede tomarse hd=0,75hh_d = 0,75 \cdot h
    2. Un muro, de espesor t, arriostrado en un sólo borde vertical, con L15tL \ge 15 \cdot t, o en los dos bordes verticales con L30tL \ge 30 \cdot t, se tratará como arriostrado sólo en cabeza y base.
    3. En los muros arriostrados en la cabeza y pie, y en uno o dos bordes verticales, el valor es el de la tabla 5.1, función del caso de los bordes horizontales.
    4. Para un muro libre en cabeza hd=2hh_d = 2 \cdot h. Si está arriostrado en algún borde vertical, el valor será el doble del establecido en la tabla 5.1 según corresponde, para el caso 1.
Tabla 5.1 Valores de hd/hh_d/h para paños arriostrados en al menos los dos bordes horizontales
h/L 0 1 2 3 5
y un borde vertical caso 1 1,00 0,90 0,70 0,50 0,30
caso 2 0,75 0,75 0,70 0,60 0,50
y los dos bordes verticales caso 1 1,00 0,50 0,25 0,18 0,10
caso 2 0,75 0,50 0,25 0,18 0,10

5.2.5 Espesor de cálculo de un muro

  1. El espesor de cálculo, tdt_d, de un muro de una hoja, doblado, o de tendel hueco, es el real, o si es preciso descontar rozas o rebajes, el residual.
  2. Cuando el espesor residual del muro sea menor que la mitad de su espesor real, ese borde se considerará libre a efectos de determinar la altura eficaz.
  3. En un muro capuchino con ambas hojas enlazadas según el apartado 8.2 el espesor eficaz es :

    td=t13+kt233t_d = \sqrt[3]{t_1^3 + k t_2^3} (5.14)

    siendo:
    • t1,t2t_1, t_2 los espesores de las hojas, siendo t1t_1, el de la hoja cargada, tomando t2t_2 no mayor que t1t_1.
    • kk la relación del módulo de elasticidad de la hoja descargada respecto al de la cargada, pero no mayor que 1,0

5.2.6 Esbeltez de un muro

  1. La esbeltez geométrica, λ\lambda, de un muro es la relación: hd/tdh_d/t_d. Esta relación no será mayor que 27.

5.2.7 Cargas concentradas

  1. En todo muro que esté solicitado por una carga concentrada, (figura 5.7), la tensión de cálculo alcanzada sobre la superficie de aplicación no será mayor que la resistencia de cálculo del material en el que apoya.
  2. En un muro realizado con ladrillo macizo siempre que no sea de tendeles huecos, la resistencia de cálculo a compresión de la superficie de aplicación se puede incrementar por un factor ξ\xi. El valor de ξ\xi puede tomarse, de manera simplificada, de la ecuación (5.15), o de la formulación indicada en el Anejo F.

    ξ=(1,1+a/h)<1,4\xi = (1,1 + a/h) < 1,4 (5.15)

    donde:
    • aa la distancia del borde del área cargada al borde vertical del muro más próximo;
    • hh la altura del paño hasta el nivel en que se aplica la carga.
  3. La excentricidad de la carga en su acometida al muro no será mayor de t/4.
  4. Además debe comprobarse la compresión repartida en la longitud eficaz LefL_{ef} incluyendo el efecto de cualquier otra carga vertical, particularmente cuando coinciden cargas concentradas próximas, que solapan sus longitudes eficaces, adoptando las medidas que procedan para garantizar el equilibrio.
  5. La carga concentrada se apoyará sobre piezas u otro material macizo en una longitud igual a la del área cargada incrementada en una longitud adicional al efecto de que las tensiones, suponiendo que se reparten con un ángulo de 60°, sean soportables para el material que constituye el muro.

5.2.8 Tensiones debidas a coacciones y deformaciones impuestas

  1. Puede prescindirse del cálculo de los efectos debidos a la retracción, fluencia y variaciones de temperatura en fábricas sustentantes, cuando se disponen juntas de dilatación de acuerdo con las condiciones indicadas en el apartado 2.2 de este DB.
  2. La anchura de las juntas de dilatación debe permitir el máximo movimiento previsible de la fábrica.
  3. Puede prescindirse del cálculo de los efectos debidos a los asientos diferenciales de la cimentación y a la deformación de otros elementos estructurales que sirvan de soporte al propio muro, cuando la diferencia de deformación vertical de los elementos sustentadores no supere el valor de 1/1000 de la separación entre dichos elementos.
Muros con cargas concentradas
Figura 5.7 Muros con cargas concentradas.

5.3 Muros sometidos a cortante

5.3.1 Análisis de solicitaciones

  1. La resistencia del edificio frente a acciones horizontales de fábrica sustentante se consigue mediante los forjados, funcionando como diafragmas rígidos, y los muros dispuestos en la dirección de la acción. Si existen huecos en los muros a corte se descontará la longitud de los huecos en la sección correspondiente.
  2. A cada paño de muro en la dirección de la acción se le podrán incorporar como alas parte del muro perpendicular que haya en uno u otro de sus extremos, siempre que la unión sea capaz de soportar los esfuerzos rasantes que correspondan. La longitud de dichas alas, a uno otro lado, no superará:
    1. htot/5h_{tot}/5, siendo htoth_{tot} la altura del muro a corte analizado,
    2. la mitad de la distancia entre muros de corte enlazados por el muro arriostrado,
    3. la distancia al extremo del muro arriostrado,
    4. la mitad de la altura de la planta.
    5. 6 veces el espesor del muro arriostrado
Anchura admisible para las alas de un muro transversal
Figura 5.8 Anchura admisible para las alas de un muro transversal.
  1. Para la distribución de las acciones horizontales se empleará la rigidez elástica de los muros de corte, incluidas las alas. Para muros de altura mayor que el doble de su longitud, puede despreciarse el efecto de la rigidez a cortante.
  2. Cuando los forjados puedan considerarse rígidos en su plano (por ejemplo, aquellos que cuentan con una losa superior hormigonada en obra) queda del lado de la seguridad distribuir las acciones horizontales entre los muros a corte en proporción a su rigidez, admitiendo que todos tienen el mismo desplazamiento.
  3. Cuando la resultante de las acciones horizontales no pasen por el metacentro, o centro de las rigideces de los muros a corte, por disposición asimétrica en planta de éstos, o por otra razón, se considerará en los muros el efecto de la rotación del sistema (efecto torsor). Al equilibrio de dicho efecto de rotación colaboran eficazmente los muros transversales a la dirección en la que actúa la acción horizontal considerada.
  4. El esfuerzo cortante horizontal máximo en un muro, calculado por análisis elástico lineal, puede reducirse en un 15 %, (atendiendo a una redistribución por fisuración limitada) siempre que se incrementen los cortantes correspondientes a los muros paralelos inmediatos de tal modo que se mantenga el equilibrio frente a las acciones de cálculo aplicadas.
  5. El muro a corte, y en las alas unidas eficazmente a él mediante traba o amarres, debe considerar los efectos de las acciones:
    1. en el muro, el esfuerzo normal por efecto de las cargas verticales permanentes, utilizando el valor de cálculo con el coeficiente de seguridad que corresponde a acciones favorables, aplicado con la excentricidad debida a la flexión que causan las acciones horizontales;
    2. en las alas, el esfuerzo normal;
    3. en el muro, el esfuerzo cortante horizontal
    4. en la unión del muro con cada ala, el esfuerzo cortante vertical (rasante) máximo.

5.3.2 Capacidad portante

  1. El esfuerzo cortante de cálculo aplicado, VSdV_{Sd}, será menor o igual que el esfuerzo cortante resistente, VRdV_{Rd}, es decir:

    VSdVRdV_{Sd} \le V_{Rd} (5.16)

  2. Se considerará la combinación del esfuerzo normal y del esfuerzo cortante más desfavorable de las siguientes:
    1. En el muro, el esfuerzo normal, por efecto de las cargas verticales, aplicado con la excentricidad debida a la flexión que causan las acciones horizontales.
    2. En cada ala, el esfuerzo normal.
    3. En el muro, el esfuerzo cortante horizontal.
    4. En la unión del muro con cada ala, el esfuerzo cortante vertical (rasante) máximo.
  3. Al efecto de evaluar el esfuerzo normal que contribuye a la resistencia a cortante:
    1. En los muros que sustentan forjados bidireccionales, la carga de los forjados se repartirá alícuotamente entre los muros sustentantes.
    2. En el caso de forjados unidireccionales, dotados de una losa superior y un encadenado de apoyo, puede considerarse una distribución a 45°, en alzado, de la carga del forjado sobre los muros no directamente cargados.
  4. La capacidad resistente de cálculo a esfuerzo cortante vale:

    VRd=VRd1+VRd2V_{Rd} = V_{Rd1} + V_{Rd2} (5.17)

    donde

    VRd1=fvdtLcV_{Rd1} = f_{vd} \cdot t \cdot L_c (5.18)

    VRd2=0,67AsfydLd/sV_{Rd2} = 0,67 \cdot A_s \cdot f_{yd} \cdot L_d / s (5.19)

    siendo:
    • fvdf_{vd} la resistencia de cálculo a cortante de la fábrica, considerando la tensión vertical correspondiente, según 4.5.3
    • tt el espesor, en su caso residual, del muro
    • LdL_d la longitud comprimida del muro debida a las acciones verticales, equilibrando a las horizontales, descontando pues la zona de tracción, suponiendo una distribución lineal de tensiones
    • ss separación entre las armaduras de tendel.
    En cualquier caso, la capacidad resistente a cortante no puede ser superior a;

    VRd2,0 N/mm2tLdV_{Rd} \le 2,0 \text{ N/mm}^2 \cdot t \cdot L_d (5.20)

  5. Como resistencia vertical a corte de la unión puede tomarse el valor de resistencia a cortante puro (véase tabla 4.5)
    Evaluación a cortante de las armaduras de tendel
    Figura 5.9 Evaluación a cortante de las armaduras de tendel.

5.4 Muros con acciones laterales locales

5.4.1 Generalidades

  1. El cálculo de muros sometidos a acciones laterales se puede basar en:
    1. su respuesta como pieza a flexión sustentada en uno o varios bordes
    2. su respuesta como arco estribado entre ambos bordes.
    Si en ambas direcciones responde como pieza a flexión se dice que el comportamiento es de placa.
  2. En el caso en que el muro posea algún borde en el cual no se pueda garantizar la movilización de las reacciones necesarias para su equilibrio (por ejemplo bordes superiores no retacados a los forjados), se considerará que ese borde no es competente como sustentación de placa, o en esa dirección no puede darse el comportamiento en arco.
  3. Para la respuesta como pieza a flexión, puede conseguirse empotramiento mediante llaves, por traba de las piezas o por tope contra los forjados cuando es pasante sobre éstos.
  4. En un muro capuchino se podrá considerar que ambas hojas colaboran en la resistencia a las acciones laterales, aunque sólo una de ellas esté directamente conectada a los elementos de sustentación.

5.4.2 Análisis de solicitaciones en flexión

  1. Es aceptable el uso de cualquier procedimiento que dé como resultado un conjunto de esfuerzos en equilibrio con las acciones consideradas.
  2. En general, pueden tomarse como solicitaciones las procedentes del método de las líneas de rotura, a partir de la capacidad resistente en la dirección paralela a los tendeles, MRd1M_{Rd1}, y en la perpendicular, MRd2M_{Rd2}, de acuerdo con los valores dados en 5.4.3.
  3. En un paño rectangular, los valores de los momentos máximos pueden tomarse, para carga uniforme, como:

    MSdx1=μαqdL2M_{Sdx1} = \mu \alpha \cdot q_d L^2 (5.21)

    MSdx2=αqdL2M_{Sdx2} = \alpha \cdot q_d L^2 (5.22)

    siendo:
    • qdq_d el valor de cálculo de la acción horizontal por unidad de superficie
    • μ\mu la relación entre las capacidades resistentes a flexión en dirección de los tendeles, MRd1M_{Rd1} y en la de las llagas MRd2M_{Rd2}. Para comportamiento en placa, se puede adoptar:

      μ=fxk1/fxk2\mu = f_{xk1} / f_{xk2} (5.23)

      o como valor aproximado:

      μ=fvk/(0,1fk)\mu = f_{vk} / (0,1 \cdot f_k) (5.24)

      fxk1,fxk2f_{xk1}, f_{xk2} la resistencia a flexión de la fábrica, según tabla 4.6
    • α\alpha el coeficiente de flexión. Este coeficiente puede determinarse a partir de las tablas del Anejo G, o de la teoría de placas en rotura.

5.4.3 Comprobación de la capacidad resistente

  1. Es aceptable el uso de cualquier procedimiento que dé como resultado un conjunto de esfuerzos en equilibrio con las acciones consideradas.
  2. En cualquier dirección, el momento de cálculo aplicado, MSdM_{Sd}, será menor o igual que el momento resistente, MRdM_{Rd}, es decir:

    MSdMRdM_{Sd} \le M_{Rd} (5.25)

  3. Como valor de MRdM_{Rd} puede tomarse:

    como pieza a flexión, si no hay compresión: MRd=fxdZM_{Rd} = f_{xd} \cdot Z (5.26)

    pieza a flexión, si hay compresión: MRd=(fxd+σd)ZM_{Rd} = (f_{xd} + \sigma_d) \cdot Z (5.27)

    como arco con relación longitud a canto mayor de 35 MRd=E(td3/L2)r/8M_{Rd} = E \cdot (t_d^3 / L^2) \cdot r/8 (5.28a)

    como arco con relación longitud a canto menor de 35 MRd=(fdtdfd2L2/tdE)r/2M_{Rd} = (f_d \cdot t_d - f_d^2 L^2 / t_d E) \cdot r/2 (5.28b)

    siendo:
    • ZZ módulo resistente elástico a flexión de la sección bruta, igual a t2/6t^2/6; en un muro apilastrado, se adoptará como longitud de resalto no más del décimo de la altura, para los sustentados en cabeza y base, y un quinto para los libres en cabeza.
    • σd\sigma_d valor de cálculo de la tensión media de compresión del muro, en la sección que corresponda
    • rr altura del arco, según 5.4.4
  4. Como viga vertical, si no puede contarse con la resistencia a tracción, como es el caso de muros de carga, en donde el fracaso del muro puede suponer el colapso de la estructura, o con acción sísmica:

    MRd1=Nd(t2eNd/fd)/2M_{Rd1} = N_d \cdot (t - 2 \cdot e - N_d/f_d) / 2 (5.29)

    siendo:
    • NdN_d valor de cálculo de la compresión vertical del muro debida a acciones verticales
    • tt el grueso del muro
    • ee la excentricidad de la compresión, con su signo, debida a las acciones verticales
  5. En otro caso, se podrá proceder análogamente, bien por reparto de los momentos isostáticos en cada dirección, de acuerdo a la relación de capacidades resistentes, tal como se ha hecho en (5.23) y (5.24), o por equilibrio límite en la situación de agotamiento por flexión, a partir de esos mismos parámetros.
  6. Cuando en uno de los bordes exista una barrera antihumedad, no será necesario considerarla si la carga vertical sobre la barrera asegura que, por causa del momento aplicado, no se supera la resistencia a la flexión (véase apartado 4.5.2.3). En otro caso se considerará como tendel hueco.

5.4.4 Arco estribado en sus extremos

  1. Cuando un muro se ejecuta entre extremos capaces de resistir empuje, puede suponerse que las acciones perpendiculares a su plano se resisten mediante arcos verticales u horizontales, si se adoptan las medidas constructivas adecuadas a ese comportamiento.
  2. El cálculo como arco se basa en el de tres articulaciones, dos en los extremos y uno en una sección intermedia, situadas en el centro de bielas de ancho 0,1td0,1 \cdot t_d, siendo tdt_d el canto del sólido capaz en donde se puede inscribir el arco (figura 5.10)
  3. La altura del arco, rr, viene dada por la ecuación:

    r=2/3(tdd)r = 2/3 \cdot (t_d - d) (5.30)

    siendo:
    • tdt_d el canto del arco
    • dd la deformación del arco debida al valor de cálculo de la acción lateral; puede despreciarse para paños con una relación de longitud a canto de no más de 25. En otro caso resulta del lado de la seguridad adoptar d=td/4d = t_d / 4
Comportamiento del muro como arco rebajado
Figura 5.10 Comportamiento del muro como arco rebajado.
  1. A efectos de comprobar la capacidad de respuesta de los estribos, como valor de cálculo del empuje máximo, por unidad de longitud o altura del muro, NadN_{ad}, puede tomarse:

    Nad=qdL2/4tdN_{ad} = q_d \cdot L^2 / 4 \cdot t_d (5.31)

    y cuando la deformación lateral es pequeña, la resistencia lateral de cálculo, qRdq_{Rd}, es:

    qRd=fd169L2[td2+12td243L2fd2E]2q_{Rd} = \frac{f_d}{16} \frac{9}{L^2} \left[ \frac{t_d}{2} + \frac{1}{2} \sqrt{\frac{t_d^2}{4} - \frac{3 \cdot L^2 \cdot f_d}{2 \cdot E}} \right]^2 (5.32)

    siendo:
    • fdf_d la resistencia de cálculo de la fábrica
    • tdt_d el canto del arco
    • LL la longitud o altura del arco
  2. Pequeñas variaciones en el valor de L pueden alterar los valores obtenidos en el cálculo del arco, por lo que esta comprobación no es fiable para fábricas que tengan retracción en su dirección.

5.5 Llaves

  1. En los muros capuchinos, sometidos a acciones laterales, se dispondrán llaves que sean capaces de trasladar la acción horizontal de una hoja a otra y capaces de transmitirla a los extremos.
  2. Es suficiente un número de llaves igual a:

    n=qd/Fdn = q_d / F_d (5.34)

    siendo:
    • qdq_d el valor de cálculo de la acción lateral por unidad de superficie
    • FdF_d la resistencia de cálculo a compresión o tracción de una llave, que se especificará en proyecto.
  3. En un muro capuchino, la acción que se transmite a cada hoja, se determinará distribuyendo la acción del viento de forma proporcional a la resistencia a carga lateral que ofrece cada hoja.
  4. En un muro de revestimiento se considerará que las llaves transmiten toda la acción lateral qdq_d al muro portante.

5.6 Fábrica armada a flexión

  1. Este apartado trata de los elementos de fábrica armada, pretensado o confinada, sometidos predominantemente a flexión, tales como dinteles.
  2. En el instante de fisuración de la fábrica, la armadura debe estar por debajo de su límite elástico, lo que determina un criterio para cuantificar la armadura mínima requerida.

5.6.1 Análisis de solicitaciones

  1. A efectos del análisis, la luz de cálculo LdL_d, de elementos aislados o continuos, se mide en general hasta el eje de cada elemento de sustentación, pero no más de hasta la cara más medio canto útil, d (figura 5.13). Como canto útil se tomará, como en el caso de hormigón, la distancia entre el eje de la armadura principal traccionada y el borde opuesto.
    Luz de cálculo de elementos en flexión
    Figura 5.11 Luz de cálculo de elementos en flexión
  2. A efectos La luz libre de un elemento de fábrica armada se limitará a los valores dados en la tabla 5.3.
  3. Para asegurar la estabilidad lateral, la distancia libre entre apoyos no será mayor que 60bc60 \cdot b_c ni que 250bc2/d250 \cdot b_c^2 / d, siendo bcb_c el ancho de la sección comprimida a mitad de vano, y d el canto útil de la viga.
  4. En los voladizos arriostrados lateralmente sólo en el apoyo, la luz libre no será mayor que 25bc25 \cdot b_c ni que 100bc2/d100 \cdot b_c^2 / d, siendo bcb_c el ancho de la sección en el apoyo.
Tabla 5.3 Limitaciones de la relación entre luz libre a canto útil
Condiciones de borde Relación de luz libre a canto útil
Muro(1) Viga
(1) Se considera muro un elemento sometido a flexión compuesta esviada. Se considera viga la parte de un muro sometida a una flexión recta contenida en su plano. Para los muros de extremo libre sometidos a una acción predominante de viento y que no formen parte de una estructura, la limitación de la relación luz libre/canto útil puede incrementarse en un 30% si los revestimientos admiten deformaciones sin dañarse.
Apoyado 35 20
Continuo 45 26
Bidireccional 45 -
Voladizo 18 7
  1. Una vez analizadas las solicitaciones de un dintel, se pueden redistribuir con las mismas condiciones y limitaciones que establece la norma de hormigón vigente.
  2. Para determinar el esfuerzo cortante de cálculo de un elemento sometido a una carga uniformemente distribuida, puede admitirse que el máximo esfuerzo cortante se produce a la distancia d/2 de la cara del apoyo, siendo d el canto útil de la sección si se cumple que:
    1. Las acciones y las reacciones se pueden equilibrar mediante bielas a compresión a 45° y armadura de tracción.
    2. En los extremos la armadura de tracción se ancla una longitud no inferior a la necesaria ni a una distancia de 2,5 d.
    3. En una sustentación intermedia, la armadura de tracción necesaria, se prolonga desde la cara del elemento de soporte una longitud de al menos la de anclaje más 2,5d

5.6.2 Capacidad resistente

  1. En todo lo que afecta a las armaduras o pasivas, y modelos de capacidad resistente de la sección, se seguirán, en lo que no se contradiga aquí, las prescripciones de la norma de hormigón vigente.
  2. Los parámetros de deformabilidad del hormigón de relleno se considerarán iguales a los de la fábrica.
  3. Cuando una zona incluya parte de fábrica y parte de hormigón, se tomará como resistencia de cálculo la del material menos resistente.
5.6.2.1 Solicitaciones normales
  1. Para calcular el momento flector resistente de una sección, puede adoptarse como simplificación una distribución rectangular de tensiones, como la usada en hormigón, y por tanto la resistencia a momento se rige por la expresión clásica MRd=AsfydzM_{Rd} = A_s \cdot f_{yd} \cdot z, con el brazo de palanca z=dx/2z = d - x/2, siendo x la profundidad del bloque comprimido a tensión constante.
  2. Para muros de fábrica armada a flexión en voladizo, la profundidad x no será mayor que d/2.
  3. La resistencia a momento en elementos con armaduras concentradas en nervios no será mayor que la que resulte de considerar la totalidad del ala comprimida.
  4. Los elementos de fábrica armada con esbeltez mayor que 12, se comprobarán teniendo en cuenta los efectos de segundo orden, pudiendo aplicarse, por analogía, los procedimientos de la norma de hormigón vigente.
  5. En las zonas comprimidas de la fábrica confinada, para aplicar un diagrama rectangular de tensiones, se considerará sólo la resistencia de la fábrica. Si hay armaduras en la zona de compresión no se considerarán.
  6. Cuando la sección se pueda asimilar a una T o L, el espesor de las alas tft_f se considerará no mayor que 0,5d0,5 \cdot d (donde d, es el canto útil de la sección). Se comprobará que la fábrica situada entre las armaduras pueda resistir, si existen, los esfuerzos de flexión. Para secciones asimilables a T, el ancho eficaz del ala, befb_{ef}, no será superior a el ancho del hueco armado o del nervio más 12 veces el espesor del ala (tft_f), ni a un tercio de la altura del muro ni a la distancia entre huecos o nervios. Si se asimila a una L, los límite serán mitad de los señalados. En otro caso la anchura de la sección resistente no se tomará mayor que 3 veces el espesor de la fábrica (véase la figura 5.12).
    Ancho de las secciones con armaduras concentradas en huecos
    Figura 5.12 Ancho de las secciones con armaduras concentradas en huecos.
5.6.2.2 Solicitaciones tangenciales
  1. En la comprobación a cortante de elementos de fábrica confinada, se despreciará la contribución de la armadura.
  2. En tramos apoyados o en voladizo de luz corta, cuya luz a cortante, ava_v (relación entre el máximo momento flector de cálculo de la pieza y el máximo cortante en el extremo considerado) sea menor que dos veces el canto útil, el valor del término de resistencia de la fábrica, fvdf_{vd}, puede multiplicarse por el factor:

    k=2d/av4k = 2d / a_v \le 4 (5.35)

    sin que el valor resultante supere 0,7 N/mm20,7 \text{ N/mm}^2.

5.7 Vigas de gran canto

5.7.1 Análisis

  1. Se consideran vigas de gran canto las que tienen una luz libre inferior al doble del canto.
  2. La luz de cálculo se medirá con la regla de las de las vigas, pero sin superar 1,15 veces la luz libre, y como brazo mecánico, z, se tomará el valor:

    z=0,4h+0,2Ld<0,7Ldz = 0,4 \cdot h + 0,2 \cdot L_d < 0,7 \cdot L_d (5.36)

    donde h es la altura libre del paño de muro que forma la viga.
  3. Se comprobará la posible inestabilidad por pandeo de la zona comprimida de la viga de gran canto si no está arriostrada, y la resistencia a compresión en las sustentaciones.
  4. En el cálculo se considerarán todas las cargas que se aplican en la parte adintelada del muro, a menos que puedan transmitirse hacia otros elementos estructurales gracias al efecto de los forjados superiores comportándose como tirantes. El método de cálculo que se propone no permite considerar cargas aplicadas dentro del canto útil de la viga.
  5. Si la continuidad lateral del muro permite contrarrestar empujes, para el cálculo se podrá usar el criterio de que la parte de muro superior que carga sobre la viga es la contenida en un arco parabólico de una flecha igual al 0,6 de la luz libre del mismo.
  6. Para determinar la armadura necesaria, una viga de gran canto aislada se considerará como biapoyada, según la figura 5.13.

5.7.2 Capacidad resistente

  1. La capacidad resistente de la viga de gran canto se limita a 0,4fdbd20,4 \cdot f_d \cdot b \cdot d^2, tomando d=1,3zd = 1,3 \cdot z
  2. Además de la armadura principal, si no hay sardinel, se colocarán armaduras en los tendeles, para evitar la fisuración, en una altura igual a la menor de 0,5Ld0,5 \cdot L_d o 0,5d0,5 \cdot d, contada desde la cara inferior de la viga.
  3. La armadura será uniforme (solapándose correctamente en su caso) en toda la luz LdL_d, y se prolongará con la correspondiente longitud de anclaje, según el apartado 7.4.3.
    Viga de gran canto
    Figura 5.13 Viga de gran canto.
  4. En vigas de gran canto, no es necesario colocar armadura transversal si el cálculo, considerando que d=1,3zd = 1,3 \cdot z no lo exige.

5.7.3 Dinteles compuestos

  1. Si se emplean dinteles prefabricados de hormigón armado o pretensado para trabajar conjuntamente con la fábrica, y su rigidez es pequeña comparada con la de muro superior, se podrán aplicar los criterios de las vigas de gran canto, siempre que se justifique que la longitud de entrega en cada extremo del dintel prefabricado es suficiente, y ésta no sea menor que 100 mm (véase la figura 5.18).
    Viga de gran canto con dintel compuesto
    Figura 5.14 Viga de gran canto con dintel compuesto.
  2. Para evitar sobrecargar las jambas de la fábrica, la entrega de los dinteles será superior a su canto.

Documento Básico SE - Seguridad Estructural

Versión f-2019