3 Diseño y dimensionado

3.1 Aislamiento acústico a ruido aéreo y a ruido de impactos

3.1.1 Datos previos y procedimiento

  1. Para el diseño y dimensionado de los elementos constructivos, puede elegirse una de las dos opciones, simplificada o general, que figuran en los apartados 3.1.2 y 3.1.3 respectivamente.
  2. En ambos casos, para la definición de los elementos constructivos que proporcionan el aislamiento acústico a ruido aéreo, deben conocerse sus valores de masa por unidad de superficie, m, y de índice global de reducción acústica, ponderado A, RA, y, para el caso de ruido de impactos, además de los anteriores, el nivel global de presión de ruido de impactos normalizado, Ln,w. Los valores de RA y de Ln,w pueden obtenerse mediante mediciones en laboratorio según los procedimientos indicados en la normativa correspondiente contenida en el Anejo C, del Catálogo de Elementos Constructivos u otros Documentos Reconocidos o mediante otros métodos de cálculo sancionados por la práctica.
  3. También debe conocerse el valor del índice de ruido día, L d, de la zona donde se ubique el edificio, como se establece en el apartado 2.1.1.

3.1.2 Opción simplificada: Soluciones de aislamiento acústico

  1. La opción simplificada proporciona soluciones de aislamiento que dan conformidad a las exigencias de aislamiento a ruido aéreo y a ruido de impactos.
  2. Una solución de aislamiento es el conjunto de todos los elementos constructivos que conforman un recinto (tales como elementos de separación verticales y horizontales, tabiquería, medianerías, fachadas y cubiertas) y que influyen en la transmisión del ruido y de las vibraciones entre recintos adyacentes o entre el exterior y un recinto. (Véase figura 3.1).
Axonometría que muestra los elementos que componen dos recintos y que influyen en la transmisión de ruido entre ambos, como los elementos de separación horizontal, elementos de separación vertical, la fachada y la tabiquería
Figura 3.1. Elementos que componen dos recintos y que influyen en la transmisión de ruido entre ambos
  1. Para cada uno de dichos elementos constructivos se establecen en tablas los valores mínimos de los parámetros acústicos que los definen, para que junto con el resto de condiciones establecidas en este DB, particularmente en el punto 3.1.4, se satisfagan los valores límite de aislamiento establecidos en el apartado 2.1.
3.1.2.1 Condiciones de aplicación
  1. La opción simplificada es válida para edificios de cualquier uso. En el caso de vivienda unifamiliar adosada, puede aplicarse el Anejo I.
  2. La opción simplificada es válida para edificios con una estructura horizontal resistente formada por forjados de hormigón macizos o aligerados, o forjados mixtos de hormigón y chapa de acero.
3.1.2.2 Procedimiento de aplicación

Para el diseño y dimensionado de los elementos constructivos, deben elegirse:

  1. la tabiquería;
  2. los elementos de separación horizontales y los verticales (véase apartado 3.1.2.3):
    1. entre unidades de uso diferentes o entre una unidad de uso y cualquier otro recinto del edificio que no sea de instalaciones o de actividad;
    2. entre un recinto protegido o un recinto habitable y un recinto de actividad o un recinto de instalaciones;
  3. las medianerías (véase apartado 3.1.2.4);
  4. las fachadas, las cubiertas y los suelos en contacto con el aire exterior. (véase apartado 3.1.2.5)
3.1.2.3 Elementos de separación
3.1.2.3.1 Definición y composición de los elementos de separación
  1. Los elementos de separación verticales son aquellas particiones verticales que separan una unidad de uso de cualquier recinto del edificio o que separan recintos protegidos o habitables de recintos de instalaciones o de actividad (Véase figura 3.2). En esta opción se contemplan los siguientes tipos:
    1. tipo 1: Elementos compuestos por un elemento base de una o dos hojas de fábrica, hormigón o paneles prefabricados pesados (Eb), sin trasdosado o con un trasdosado por ambos lados (Tr);
    2. tipo 2: Elementos de dos hojas de fábrica o paneles prefabricados pesados (Eb), con bandas elásticas en su perímetro dispuestas en los encuentros de, al menos, una de las hojas con forjados, suelos, techos, pilares y fachadas;
    3. tipo 3: Elementos de dos hojas de entramado autoportante (Ee).

En todos los elementos de dos hojas, la cámara debe ir rellena con un material absorbente acústico o amortiguador de vibraciones.

Esquema con tres tipos de elementos de separación vertical, y su composición, entre recintos recintos protegidos o habitables de recintos de instalaciones o de actividad.
Figura 3.2. Composición de los elementos de separación entre recintos
  1. Los elementos de separación horizontales son aquellos que separan una unidad de uso de cualquier otro recinto del edificio o que separan un recinto protegido o un recinto habitable de un recinto de instalaciones o de un recinto de actividad. Los elementos de separación horizontales están formados por el forjado (F), el suelo flotante (Sf) y, en algunos casos, el techo suspendido (Ts). (Véase figura 3.2).
  2. La tabiquería está formada por el conjunto de particiones interiores de una unidad de uso. En esta opción se contemplan los tipos siguientes (Véase figura 3.3):
    1. tabiquería de fábrica o de paneles prefabricados pesados con apoyo directo en el forjado, sin interposición de bandas elásticas;
    2. tabiquería de fábrica o de paneles prefabricados pesados con bandas elásticas dispuestas al menos en los encuentros inferiores con los forjados, o apoyada sobre el suelo flotante;
    3. tabiquería de entramado autoportante.
Esquema con cinco tipos de tabiquería que separan particiones interiores de una unidad de uso.
Figura 3.3. Tipo de tabiquería
  1. Las soluciones de elementos de separación de este apartado son válidas para los tipos de fachadas y medianerías siguientes:
    1. de una hoja de fábrica o de hormigón;
    2. de dos hojas: ventilada y no ventilada:
      1. con hoja exterior, que puede ser:
        • pesada: fábrica u hormigón
        • ligera: elementos prefabricados ligeros como panel sándwich o GRC.
      2. con una hoja interior, que puede ser:
3.1.2.3.2 Parámetros acústicos de los elementos constructivos

Los parámetros que definen cada elemento constructivo son los siguientes:

  1. Para el elemento de separación vertical, la tabiquería y la fachada:
    1. m, masa por unidad de superficie del elemento base, en kg/m 2;
    2. RA, índice global de reducción acústica, ponderado A, del elemento base, en dBA;
    3. ΔRA, mejora del índice global de reducción acústica, ponderado A, en dBA, debida al trasdosado.
  2. Para el elemento de separación horizontal:
    1. m, masa por unidad de superficie del forjado, en kg/m 2, que corresponde al valor de masa por unidad de superficie de la sección tipo del forjado, excluyendo ábacos, vigas y macizados;
    2. RA, índice global de reducción acústica, ponderado A, del forjado, en dBA;
    3. ΔLw, reducción del nivel global de presión de ruido de impactos, en dB, debida al suelo flotante;
    4. ΔRA, mejora del índice global de reducción acústica, ponderado A, en dBA, debida al suelo flotante o al techo suspendido.
3.1.2.3.3 Condiciones mínimas de la tabiquería

En la tabla 3.1 se expresan los valores mínimos de la masa por unidad de superficie, m, y del índice global de reducción acústica, ponderado A, RA, que deben tener los diferentes tipos de tabiquería.

Tabla 3.1. Parámetros de la tabiquería
Tipo m
kg/m2
RA
dBA
Fábrica o paneles prefabricados pesados con apoyo directo 70 35
Fábrica o paneles prefabricados pesados con bandas elásticas 65 33
Entramado autoportante 25 43
3.1.2.3.4 Condiciones mínimas de los elementos de separación verticales
  1. En la tabla 3.2 se expresan los valores mínimos que debe cumplir cada uno de los parámetros acústicos que definen los elementos de separación verticales. De entre todos los valores de la tabla 3.2, aquéllos que figuran entre paréntesis son los valores que deben cumplir los elementos de separación verticales que delimitan un recinto de instalaciones o un recinto de actividad. Las casillas sombreadas se refieren a elementos constructivos inadecuados. Las casillas con guión se refieren a elementos de separación verticales que no necesitan trasdosados.
  2. En el caso de elementos de separación verticales de tipo 1, el trasdosado debe aplicarse por ambas caras del elemento constructivo base. Si no fuera posible trasdosar por ambas caras y la transmisión de ruido se produjera principalmente a través del elemento de separación vertical, podrá trasdosarse el elemento constructivo base solamente por una cara, incrementándose en 4 dBA la mejora ΔRA del trasdosado especificada en la tabla 3.2.
  3. En el caso de que una unidad de uso no tuviera tabiquería interior, como por ejemplo un aula, puede elegirse cualquier elemento de separación vertical de la tabla 3.2.
  4. De acuerdo con lo establecido en el apartado 2.1.1, las puertas que comunican un recinto protegido de una unidad de uso con cualquier otro del edificio que no sea recinto de instalaciones o de actividad, deben tener un índice de reducción acústica, ponderado A, R A, no menor que 30 dBA y si comunican un recinto habitable de una unidad de uso en un edificio de uso residencial (público o privado) u hospitalario con cualquier otro del edificio que no sea recinto de instalaciones o de actividad, su índice de reducción acústica, ponderado A, RA no será menor que 20 dBA. Si las puertas comunican un recinto habitable con un recinto de instalaciones o de actividad, su índice global de reducción acústica, ponderado A, RA, no será menor que 30 dBA.
  5. Con carácter general, los elementos de la tabla 3.2 son aplicables junto con forjados de masa por unidad de superficie, m, de al menos 300kg/m2. No obstante, pueden utilizarse con forjados de menor masa siempre que se cumplan las condiciones recogidas en las notas indicadas a pie de tabla para las diferentes soluciones.
  6. En el caso de que un elemento de separación vertical acometa a un muro cortina, podrá utilizarse la tabla 3.2 asimilando la fachada a alguna de las contempladas en la tabla, en función del tipo específico de unión entre el muro cortina y el elemento de separación vertical.
  7. Con objeto de limitar las transmisiones indirectas por flancos, las fachadas o medianerías, a las que acometan cada uno de los diferentes tipos de elementos de separación verticales, deben cumplir las condiciones siguientes:
    1. Elementos de separación verticales de tipo1:
      1. para la fachada o medianería de una hoja o ventilada de fábrica o de hormigón debe cumplirse:
        • la masa por unidad de superficie, m, de la hoja de fábrica o de hormigón, debe ser al menos 135kg/m2;
        • el índice global de reducción acústica, ponderado A, RA, de la hoja de fábrica o de hormigón, debe ser al menos 42dBA.

        Esta fachada no puede utilizarse en el caso de recintos de instalaciones.

      2. para la fachada o medianería pesada de dos hojas, no ventilada, la masa por unidad de superficie, m, de la hoja exterior debe ser al menos 130kg/m2;
      3. para la fachada o medianería ventilada o ligera no ventilada, que tenga la hoja interior de entramado autoportante:
        • la masa por unidad de superficie, m, de la hoja interior deber ser al menos 26 kg/m 2;
        • el índice global de reducción acústica, ponderado A, RA, de la hoja interior debe ser al menos 43dBA;

      En la tabla 3.2 no se contempla el caso de elementos de separación de tipo 1 y fachadas ligeras no ventiladas con hoja interior de fábrica. Tampoco se contempla el caso de fachadas de dos hojas, con hoja interior de fábrica, de hormigón o de paneles prefabricados pesados usados conjuntamente con tabiquería de entramado autoportante, ni el de fachadas de dos hojas con hoja interior de entramado autoportante usados conjuntamente con tabiquería de fábrica o de paneles prefabricados pesados.

    2. Elementos de separación verticales de tipo2:
      1. para la fachada o medianería de dos hojas pesada, no existen restricciones;
      2. para la fachada o medianería de una sola hoja o ventiladas con la hoja interior de fábrica o de hormigón:
        • si la masa por unidad de superficie, m, del elemento de separación vertical es menor que 170 kg/m2, no está permitido que éstos acometan a este tipo de medianerías o fachadas;
        • si la masa por unidad de superficie, m, del elemento de separación vertical es mayor que 170 kg/m2, el índice global de reducción acústica, ponderado A, RA, de la medianería o la fachada a la que acometen debe ser al menos 50 dBA y su masa por unidad de superficie, m, al menos 225 kg/m2.

      En la tabla 3.2 no se contempla el caso de elementos de tipo 2 que acometan a fachadas de dos hojas, ventiladas o no, con hoja interior de entramado autoportante. Tampoco se contempla el caso de elementos de tipo 2 que acometan a fachadas ligeras de dos hojas.

    3. Elementos de separación verticales de tipo3:
      1. para la fachada o medianería pesada de dos hojas, con hoja interior de entramado autoportante:
        • la masa por unidad de superficie, m, de la hoja exterior deber ser al menos 145kg/m 2;
        • el índice global de reducción acústica, ponderado A, RA, de la hoja exterior debe ser al menos 45dBA.
      2. para la fachada o medianería ventilada o ligera no ventilada, que tenga la hoja interior de entramado autoportante:
        • la masa por unidad de superficie, m, de la hoja interior deber ser al menos 26 kg/m 2;
        • el índice global de reducción acústica, ponderado A, RA, de la hoja interior debe ser al menos 43dBA.

      En la tabla 3.2 no se contempla el caso de elementos de separación verticales de tipo3 que acometan a fachadas de una hoja o fachadas de dos hojas, ventiladas o no, con hoja interior de fábrica, hormigón o paneles prefabricados pesados.

Independientemente de lo indicado en este apartado, las medianerías y las fachadas deben cumplir lo establecido en los apartados 3.1.2.4 y 3.1.2.5, respectivamente.

Tabla 3.2. Parámetros acústicos de los componentes de los elementos de separación verticales
Elementos de separación verticales
Tipo Elemento base(1)(2) (Eb - Ee) Trasdosado(3) (Tr)
(en función de la tabiquería)
m
kg/m2
RA
dBA
Tabiquería de fábrica o paneles prefabricados pesados (4)
ΔRA dBA
Tabiquería de entramado autoportante
ΔRA dBA
TIPO 1
Una hoja o dos hojas de fábrica con Trasdosado
67 33 16(8) (11)
120 38 14(8) (11)
150(7) 41(7) 16(8) 13(11)
180 45 13 9(11) (12)(11)
200 46 11(11) 10(13) (10)(11)
250 51 6(13) 4(13) (8)(13)
300 52 3(13)
8
(9)
3(13) (8)(13)
300(7) 55(7) - -
350 55 5(13)
(8)(11)
0(13) (6)(13)
400 57 0(13) 2(13) (6) (13) 0(13) (6)(13)
TIPO 2
Dos hojas de fábrica con bandas elásticas perimétricas
130(5) 54(5) - -
170(5) 54(5) - -
(200)(6) (61)(6) - -
TIPO 3
Entramado autoportante
44(12) 58(12)
(52)(9) (64)(9)
(60)(10) (68)(10)
(1) En el caso de elementos de separación verticales de dos hojas de fábrica, el valor de m corresponde al de la suma de las masas por unidad de superficie de las hojas y el valor de RA corresponde al del conjunto.
(2) Los elementos de separación verticales deben cumplir simultáneamente los valores de masa por unidad de superficie, m y de índice global de reducción acústica, ponderado A, RA.
(3) El valor de la mejora del índice global de reducción acústica, ponderado A, ΔRA, corresponde al de un trasdosado instalado sobre un elemento base de masa mayor o igual a la que figura en la tabla 3.2.
(4) La columna tabiquería de fábrica o paneles prefabricados pesados se aplica indistintamente a todos los tipos de tabiquería de fábrica o paneles prefabricados pesados incluidos en el apartado 3.1.2.3.1.
(5) La masa por unidad de superficie de cada hoja que tenga bandas elásticas perimétricas no será mayor que 150 kg/m2 y en el caso de los elementos de tipo 2 que tengan bandas elásticas perimétricas únicamente en una de sus hojas, la hoja que apoya directamente sobre el forjado debe tener un índice global de reducción acústica, ponderado A, RA, de al menos 42 dBA.
(6) Esta solución es válida únicamente para tabiquería de entramado autoportante o de fábrica o paneles prefabricados pesados con bandas elásticas en la base, dispuestas tanto en la tabiquería del recinto de instalaciones, como en la del recinto protegido inmediatamente superior. Por otra parte, esta solución no es válida cuando acometan a medianerías o fachadas de una sola hoja ventiladas o que tengan en aislamiento por el exterior.
(7) Esta solución es válida si se disponen bandas elásticas en los encuentros del elemento de separación vertical con la tabiquería de fábrica que acomete al elemento, ya sea ésta con apoyo directo o con bandas elásticas.
(8) Estas soluciones no son válidas si acometen a una fachada o medianería de una hoja de fábrica o ventilada con la hoja interior de fábrica o de hormigón.
(9) Esta solución de tipo 3 es válida para recintos de instalaciones o de actividad si se cumplen las condiciones siguientes:
- Se dispone en el recinto de instalaciones o recinto de actividad y en el recinto habitable o recinto protegido colindante horizontalmente un suelo flotante con una mejora del índice global de reducción acústica, ponderado A, ΔR A mayor o igual que 6dBA;
- Además, debe disponerse en el recinto de instalaciones o recinto de actividad un techo suspendido con una mejora del índice global de reducción acústica, ponderado A, ΔR A mayor o igual que:
i. 6dBA, si el recinto de instalaciones es el interior o el elemento de separación vertical acomete a una fachada ligera, con hoja interior de entramado autoportante;
ii. 12dBA, si el elemento de separación vertical de tipo 3 acomete a una medianería o fachada pesada con hoja interior de entramado autoportante.
Independientemente de lo especificado en esta nota, los suelos flotantes y los techos suspendidos deben cumplir lo especificado en el apartado 3.1.2.3.5.
(10) Solución válida si el forjado que separa el recinto de instalaciones o recinto de actividad de un recinto protegido o habitable tiene una masa por unidad de superficie mayor que 400 kg/m2.
(11) Valores aplicables en combinación con un forjado de masa por unidad de superficie, m, de al menos 250kg/m 2 y un suelo flotante, tanto en el recinto emisor como en el recinto receptor, con una mejora del índice global de reducción acústica, ponderado A, ΔRA mayor o igual que 4dBA;
(12) Valores aplicables en combinación con un forjado de masa por unidad de superficie, m, de al menos 200kg/m2 y un suelo flotante y un techo suspendido, tanto en el recinto emisor como en el recinto receptor, con una mejora del índice global de reducción acústica, ponderado A, ΔRA mayor o igual que 10dBA y 6dBA respectivamente;
(13) Valores aplicables en combinación con un forjado de masa por unidad de superficie, m, de al menos 175kg/m 2.
Independientemente de lo especificado en las notas 10, 11 y 12, los suelos flotantes y los techos suspendidos deben cumplir lo especificado en el apartado 3.1.2.3.5.
3.1.2.3.5 Condiciones mínimas de los elementos de separación horizontales
  1. En la tabla 3.3 se expresan los valores mínimos que debe cumplir cada uno de los parámetros acústicos que definen los elementos de separación horizontales.
  2. Los forjados que delimitan superiormente una unidad de uso deben disponer de un suelo flotante y, en su caso, de un techo suspendido con los que se cumplan los valores de mejora del índice global de reducción acústica, ponderado A, ΔR A y de reducción del nivel global de presión de ruido de impactos, ΔLw especificados en la tabla 3.3.
  3. Los forjados que delimitan inferiormente una unidad de uso y la separan de cualquier otro recinto del edificio deben disponer de una combinación de suelo flotante y techo suspendido con los que se cumplan los valores de mejora del índice global de reducción acústica, ponderado A, ΔR A.
  4. Además, para limitar la transmisión de ruido de impactos, en el forjado de cualquier recinto colindante horizontalmente con un recinto perteneciente a unidad de uso o con una arista horizontal común con el mismo, debe disponerse un suelo flotante cuya reducción del nivel global de presión de ruido de impactos, ΔLw, sea la especificada en la tabla 3.3. (Véase figura 3.4). De la misma manera, en el forjado de cualquier recinto de instalaciones o de actividad que sea colindante horizontalmente con un recinto protegido o habitable del edificio o con una arista horizontal común con los mismos, debe disponerse de un suelo flotante cuya reducción del nivel global de presión de ruido de impactos, ΔLw, sea la especificada en la tabla 3.3.
  5. En el caso de que una unidad de uso no tuviera tabiquería interior, como por ejemplo un aula, puede elegirse cualquier elemento de separación horizontal de la tabla 3.3.
  6. Entre paréntesis figuran los valores que deben cumplir los elementos de separación horizontales entre un recinto protegido o habitable y un recinto de instalaciones o de actividad.
  7. Además de lo especificado en las tablas, los techos suspendidos de los recintos de instalaciones deben instalarse con amortiguadores que eviten la transmisión de las bajas frecuencias (preferiblemente de acero). Asimismo los suelos flotantes instalados en recintos de instalaciones, pueden contar con un material aislante a ruido de impactos, con amortiguadores o con una combinación de ambos de manera que evite la transmisión de las bajas frecuencias.
  8. Con carácter general, la tabla 3.3 es aplicable a fachadas ligeras ventiladas y no ventiladas con la hoja interior de entramado autoportante. La hoja interior de la fachada debe cumplir las condiciones siguientes:
    1. La masa por unidad de superficie, m, debe ser al menos 26kg/m 2;
    2. El índice global de reducción acústica, ponderado A, R A, debe ser al menos 43dBA.
Sección vertical que muestra la disposición de los suelos flotantes en los forjados colindantes horizontalmente con una unidad de uso.
Figura 3.4. Esquema es sección vertical. Disposición de los suelos flotantes.
Tabla 3.3. Parámetros acústicos de los componentes de los elementos de separación horizontales.
Forjado(1) (F) Suelo flotante y techo suspendido (Sf) y (Ts) en función de la tabiquería
Tabiquería de fábrica o de paneles prefabricados pesados con apoyodirecto en el forjado Tabiquería de fábrica o de paneles prefabricados pesados con bandas elásticas o apoyada sobre el suelo flotante. Tabiquería de entramado autoportante
Suelo flotante(2)(3) Techo suspendido(5) Suelo flotante(2)(3) Techo suspendido(5) Suelo flotante(2)(3) Techo suspendido(5) ΔRA dBA Condiciones de la fachada(6)
m kg/m2 RA dBA ΔLw dB ΔRA dBA ΔRA dBA ΔLw dB ΔRA dBA ΔRA dBA ΔRA dBA ΔLw dB ΔRA dBA
175 44 26 3
15
15
4
26 0
2
6
7
8
8
7
5
1
0
2H
4
9
14
15
19
15
12
5
4
3
1H
(31) (4)
(9)
(14)
(15)
(17)
(18)
(15)
(10)
(5)
(4)
(1)
(0)
2H
1H
200 45 25 2
8
15
15
5
2
24 0
2
4
6
7
7
6
5
1
0
2H
2
9
15
15
5
2
1H
(30) (14)
(15)
(19)
(15)
(14)
(11)
(29) (1)
(2)
(9)
(11)
(16)
(15)
(14)
(7)
(5)
(0)
2H
1H
225 47 24 0
2
5
15
17
15
8
5
1
0
23 0
2
4
4
3
0
2H
0
2
5
9
14
15
15
8
5
2
1
0
1H
(29) (9)
(15)
(19)
(15)
(9)
(7)
(28) (0)
(2)
(8)
(9)
(12)
(13)
(13)
(11)
(5)
(4)
(1)
(0)
2H
1H
250 49 22 0
2
9
10
5
0
21 0
2
2
0
2H
0
2
9
9
5
0
1H
(27) (6)
(9)
(15)
(10)
(26) (0)
(2)
(6)
(9)
(11)
(11)
(9)
(5)
(2)
(0)
2H
1H
300(4) 52 18 3
8
9
15
5
4
16 0
2
4
4
1
0
16 0 0 2H
0
2
2
0
1H
(21) (3)
(7)
(8)
(9)
(15)
(6)
(5)
(4)
(21) (0)
(2)
(5)
(10)(7)
(5)
(4)
(0)
(0)(7)
2H
1H
350(4) 54 16 0
1
2
8
12
12
8
5
1
0
15 0 0 14 0
0
5
0
5
0
1H ó 2H
(19) (1)
(4)
(5)
(8)
(11)
(5)
(4)
(2)
(19) (0)
(2)
(3)
(8)(7)
(3)
(2)
(0)
(0)(7)
2H
(5)
(7)
(8)
(7)
(5)
(4)
1H
400(4) 57 14 0
2
9
5
2
2
0
2
5
15
12 0 0 11 0 0 1H ó 2H
(17) (0)
(4)
(6)
(10)(7)
(6)
(1)
(0)
(0)(7)
(16) (0)
(5)(7)
(0)
(1)
(4)
(6)
(8)
(9)(7)
(0)
(0)(7)
(9)
(7)
(3)
(1)
(0)
(0)(7)
2H
1H
450 58 12 0
0
5
0
4
0
10 0 0 10 0 0 1H ó 2H
(15) (0)
(3)
(6)(7)
(3)
(0)
(0)(7)
(15) (0)
(4)(7)
(0)
(0)(7)
2H
(0)
(3)
(4)
(4)
(2)
(0)
1H
500 60 12 0 0 10 0 0 9 0 0 1H ó 2H
(17) (4)
(5)
(7)
(5)
(15) (0)
(3)(7)
(0)
(0)(7)
(14) (0)
(1)(7)
(0)
(0)(7)
2H
(0)
(1)
(3)(7)
(1)
(0)
(0)(7)
1H
(1) Los forjados deben cumplir simultáneamente los valores de masa por unidad de superficie, m y de índice global de reducción acústica ponderado A, RA.
(2) Los suelos flotantes deben cumplir simultáneamente los valores de reducción del nivel global de presión de ruido de impactos, ΔLw, y de mejora del índice global de reducción acústica, ponderado A, ΔR A.
(3) Los valores de mejora del aislamiento a ruido aéreo, ΔRA, y de reducción de ruido de impactos, ΔLw, corresponden a un único suelo flotante; la adición de mejoras sucesivas, una sobre otra, en un mismo lado no garantiza la obtención de los valores de aislamiento.
(4) En el caso de forjados con piezas de entrevigado de poliestireno expandido (EPS), el valor de ΔLw correspondiente debe incrementarse en 4dB.
(5) Los valores de mejora del aislamiento a ruido aéreo, ΔRA, corresponden a un único techo suspendido; la adición de mejoras sucesivas, una bajo otra, en un mismo lado no garantiza la obtención de los valores de aislamiento.
(6) Para limitar las transmisiones por flancos, en el caso de la tabiquería de entramado autoportante, en la tabla 3.3 aparecen los símbolos:
- 1H, para fachadas o medianerías de 1 hoja o fachadas ventiladas de fábrica o de hormigón, que deben cumplir:
i. la masa por unidad de superficie, m, de la hoja de fábrica o de hormigón deber ser al menos 135kg/m2;
ii. el índice global de reducción acústica, ponderado A, R A, de la hoja de fábrica o de hormigón debe ser al menos 42dBA.
- 2H, para fachadas o medianerías de dos hojas, que deben cumplir:
i. para las fachadas pesadas no ventiladas o ventiladas por el exterior de la hoja principal con la hoja interior de entramado autoportante o adherido:
- la masa por unidad de superficie, m, de la hoja exterior deber ser al menos 145kg/m2;
- el índice global de reducción acústica, ponderado A, RA, de la hoja exterior debe ser al menos 45dBA.
ii. para las fachadas o medianerías pesadas ventiladas por el interior de la hoja principal o ligeras ventiladas o no ventiladas, con la hoja interior de entramado autoportante:
- la masa por unidad de superficie, m, de la hoja interior deber ser al menos 26kg/m 2;
- el índice global de reducción acústica, ponderado A, RA, de la hoja interior debe ser al menos 43dBA;
Las soluciones para fachada de dos hojas también son aplicables en el caso de que los recintos sean interiores.
(7) Soluciones de elementos de separación horizontales específicas para el caso de garajes.
3.1.2.4 Condiciones mínimas de las medianerías
  1. El parámetro que define una medianería es el índice global de reducción acústica, ponderado A, RA.
  2. El valor del índice global de reducción acústica ponderado, R A, de toda la superficie del cerramiento que constituya una medianería de un edificio, no será menor que 45 dBA.
3.1.2.5 Condiciones mínimas de las fachadas, las cubiertas y los suelos en contacto con el aire exterior.
  1. En la tabla 3.4 se expresan los valores mínimos que deben cumplir los elementos que forman los huecos y la parte ciega de la fachada, la cubierta o el suelo en contacto con el aire exterior, en función de los valores límite de aislamiento acústico entre un recinto protegido y el exterior indicados en la tabla 2.1 y del porcentaje de huecos expresado como la relación entre la superficie del hueco y la superficie total de la fachada vista desde el interior de cada recinto protegido.
  2. El parámetro acústico que define los componentes de una fachada, una cubierta o un suelo en contacto con el aire exterior es el índice global de reducción acústica, ponderado A, para ruido exterior dominante de automóviles o de aeronaves, RA,tr, de la parte ciega y de los elementos que forman el hueco.
  3. Este índice, RA,tr, caracteriza al conjunto formado por la ventana, la caja de persiana y el aireador si lo hubiera. En el caso de que el aireador no estuviera integrado en el hueco, sino que se colocara en el cerramiento, debe aplicarse la opción general.
  4. En el caso de que la fachada del recinto protegido fuera en esquina o tuviera quiebros, el porcentaje de huecos se determina en función de la superficie total del perímetro de la fachada vista desde el interior del recinto.
Tabla 3.4 Parámetros acústicos de fachadas, cubiertas y suelos en contacto con el aire exterior de recintos protegidos
Nivel límite exigido (Tabla 2.1)
D2m,nT,Atr dBA
Parte ciega 100 %
RA,tr dBA
Parte ciega ≠ 100 %
RA,tr dBA
Huecos
Porcentaje de huecos R A,tr de los componentes del hueco (2) dBA
Hasta 15 % De 16 a 30% De 31 a 60% De 61 a 80% De 81 a 100%
D2m,nT,Atr = 30 33 35 26 29 31 32 33
40 25 28 30 31
45 25 28 30 31
D2m,nT,Atr = 32 35 35 30 32 34 34 35
40 27 30 32 34
45 26 29 32 33
D2m,nT,Atr = 34 (1) 36 40 30 33 35 36 36
45 29 32 34 36
50 28 31 34 35
D2m,nT,Atr = 36 (1) 38 40 33 35 37 38 38
45 31 34 36 37
50 30 33 36 37
D2m,nT,Atr = 37 39 40 35 37 39 39 39
45 32 35 37 38
50 31 34 37 38
D2m,nT,Atr = 41 (1) 43 45 39 40 42 43 43
50 36 39 41 42
55 35 38 41 42
D2m,nT,Atr = 42 44 50 37 40 42 43 44
55 36 39 42 43
60 36 39 42 43
D2m,nT,Atr = 46 (1) 48 50 43 45 47 48 48
55 41 44 46 47
60 40 43 46 47
D2m,nT,Atr = 47 49 55 42 45 47 48 49
60 41 44 47 48
D2m,nT,Atr = 51 (1) 53 55 48 50 52 53 53
60 46 49 51 52
(1) Los valores de estos niveles límite se refieren a los que resultan de incrementar 4 dBA los exigidos en la tabla 2.1, cuando el ruido exterior dominante es el de aeronaves.
(2) El índice R A,tr de los componentes del hueco expresado en la tabla 3.4 se aplica a las ventanas que dispongan de aireadores, sistemas de microventilación o cualquier otro sistema de abertura de admisión de aire con dispositivos de cierre en posición cerrada.

3.1.3 Opción general. Método de cálculo de aislamiento acústico

  1. La opción general contiene un procedimiento de cálculo basado en el modelo simplificado para la transmisión acústica estructural de la UNE-EN ISO 12354 partes 1, 2 y 3. También podrá utilizarse el modelo detallado que se especifica en esa norma.
  2. La transmisión acústica desde el exterior a un recinto de un edificio o entre dos recintos de un edificio se produce siguiendo los caminos directos y los indirectos o por vía de flancos.
  3. En el cálculo de ruido aéreo se usa el aislamiento acústico aparente R’ (o índice de reducción acústica aparente), que se considera en su forma global R’A; en el cálculo de ruido de impactos se usa el nivel global de presión de ruido de impactos normalizado L’ n,w.
3.1.3.1 Procedimiento de aplicación
  1. Para el correcto diseño y dimensionado de los elementos constructivos de un edificio que proporcionan el aislamiento acústico, tanto a ruido aéreo como a ruido de impactos, debe realizarse el diseño y dimensionado de sus recintos teniendo en cuenta las diferencias en forma, tamaño y de elementos constructivos entre parejas de recintos, y considerando cada uno de ellos como recinto emisor y como recinto receptor.
  2. Debe procederse separadamente al cálculo del aislamiento acústico a ruido aéreo tanto de elementos de separación verticales (particiones y medianerías) y elementos de separación horizontales, como de fachadas y de cubiertas (véase figura 3.1), y al cálculo del aislamiento acústico a ruido de impactos de los elementos de separación horizontales entre recintos superpuestos, entre recintos adyacentes y entre recintos con una arista horizontal común (véase figura 3.7).
  3. A partir de los datos previos establecidos en el apartado 3.1.1, debe determinarse el aislamiento acústico a ruido aéreo (DnT,A, diferencia de niveles estandarizada, ponderada A) y el nivel global de presión de ruido de impactos estandarizado, L’nT,w, para un recinto, teniendo en cuenta las transmisiones acústicas directas de los elementos constructivos que lo separan de otros y también las transmisiones acústicas indirectas por todos los caminos posibles, así como las características geométricas del recinto, los elementos constructivos empleados y las formas de encuentro de los elementos constructivos entre sí.
  4. Los valores finales de las magnitudes que definen las exigencias, diferencia de niveles estandarizada, ponderada A, DnT,A, y nivel global de presión de ruido de impactos estandarizado L’ nT,w, se expresarán redondeados a un número entero. Los valores de las especificaciones de productos y elementos constructivos podrán usarse redondeados a enteros o con un decimal y en las magnitudes de cálculos intermedios se usará una cifra decimal.
3.1.3.2 Hipótesis para el cálculo. Comportamiento en obra de los elementos constructivos
  1. Las transmisiones por vía directa y por vía de flancos deben establecerse en términos de aislamiento medido in situ. No obstante, a efectos de este DB se consideran válidas las expresiones siguientes:

    Rsitu=Rlab[dB](3.1)R_{situ} = R_{lab} \quad [dB] \tag{3.1}

    Ln,situ=Ln,lab[dB](3.2)L_{n,situ} = L_{n,lab} \quad [dB] \tag{3.2}

    siendo
    • Rsitu: índice de reducción acústica de un elemento medido in situ, [dB]
    • Rlab: índice de reducción acústica de un elemento medido en laboratorio, [dB]
    • Ln,situ: nivel de presión de ruido de impactos normalizado medido in situ, [dB]
    • Ln,lab: nivel de presión de ruido de impactos normalizado medido en laboratorio, [dB]
  2. De igual forma, para revestimientos tales como techos suspendidos, suelos flotantes y trasdosados, los valores medidos in situ de la mejora del índice de reducción acústica, ΔRsitu, y de la reducción del nivel de presión de ruido de impactos por revestimiento de la cara de emisión del elemento de separación, ΔLsitu, y de la cara de recepción del elemento de separación, ΔLd,situ, pueden aproximarse a los valores medidos en laboratorio:

    ΔRsitu=ΔRlab[dB](3.3)\Delta R_{situ} = \Delta R_{lab} \quad [dB] \tag{3.3}

    ΔLsitu=ΔLlab[dB](3.4)\Delta L_{situ} = \Delta L_{lab} \quad [dB] \tag{3.4}

    ΔLd,situ=ΔLd,lab[dB](3.5)\Delta L_{d,situ} = \Delta L_{d,lab} \quad [dB] \tag{3.5}

    siendo

    • ΔRlab: mejora del índice de reducción acústica de un revestimiento de elemento constructivo vertical u horizontal medido en laboratorio, [dB];
    • ΔLlab: reducción del nivel de presión de ruido de impactos por un revestimiento de forjado en la cara de emisión del elemento de separación medido en laboratorio, [dB];
    • ΔLd, lab: reducción del nivel de presión de ruido de impactos mediante una capa adicional sobre la cara de recepción del elemento de separación medido en laboratorio, [dB].

    Para forjados homogéneos de masa por unidad de superficie menor que 300 kg/m2 o forjados de vigas de madera, no deben usarse losvalores de reducción del nivel de presión de ruido de impactos, ΔL, medidos sobre un forjado normalizado.

  3. Para la aplicación de los valores ΔRA en el método de cálculo, en donde aparecen como sumando lineal, deben cumplirse las condiciones de uso siguientes:
    1. la relación de masas por unidad de superficie entre el elemento constructivo base vertical y el revestimiento debe ser igual o mayor que 2;
    2. la relación de masas por unidad de superficie entre el forjado y el suelo flotante debe ser igual o mayor que 2.
  4. En el caso de que no se cumplan estas condiciones, debe utilizarse el índice global de reducción acústica, ponderado A, RA del conjunto formado por el elemento base vertical y los trasdosados o del conjunto formado por el forjado y el suelo flotante.
  5. Para la aplicación de los valores ΔLw en el método de cálculo, en donde aparecen como sumando lineal, debe cumplirse que la relación de masas por unidad de superficie entre el forjado y el suelo flotante debe ser igual o mayor que 2. Cuando no se cumpla esta condición debe utilizarse el nivel global de presión de ruido de impactos normalizado, Ln,w, del conjunto formado por el suelo flotante y el forjado.
  6. Por simplificación en la notación, a partir de este punto se considerará:

    Rlab = R, Ln,lab = L n, ΔRlab = ΔR, ΔLlab = ΔL y ΔLd,lab = ΔLd.

  7. En las uniones, la transmisión in situ se caracteriza por el índice de reducción de vibraciones para cada camino de transmisión del elemento i al j, Kij. Éste es función de la diferencia de niveles de velocidad promediada en dirección Dv,ij,situ . Su valor puede calcularse mediante la norma UNE-EN ISO 12354-1.
3.1.3.3 Método de cálculo de aislamiento acústico a ruido aéreo entre recintos interiores
  1. La diferencia de niveles estandarizada, ponderada A, D nT,A, utilizada para recintos interiores se calcula mediante la expresión:

    DnT,A=RA+10lg(0,32VSs)[dBA](3.6)D_{nT,A} = R'_A + 10 \cdot \lg \left( \frac{0,32 \cdot V}{S_s} \right) \quad [dBA] \tag{3.6}

    siendo

    • V: volumen del recinto receptor, [m 3];
    • Ss: área compartida del elemento de separación, [m2];
    • R'A: índice global de reducción acústica aparente, ponderado A, [dBA].
  2. El índice de reducción acústica aparente en obra R’ se calcula de forma general mediante la expresión:

    R=10lgτ[dB](3.7)R' = -10 \cdot \lg \tau' \quad [dB] \tag{3.7}

    siendo

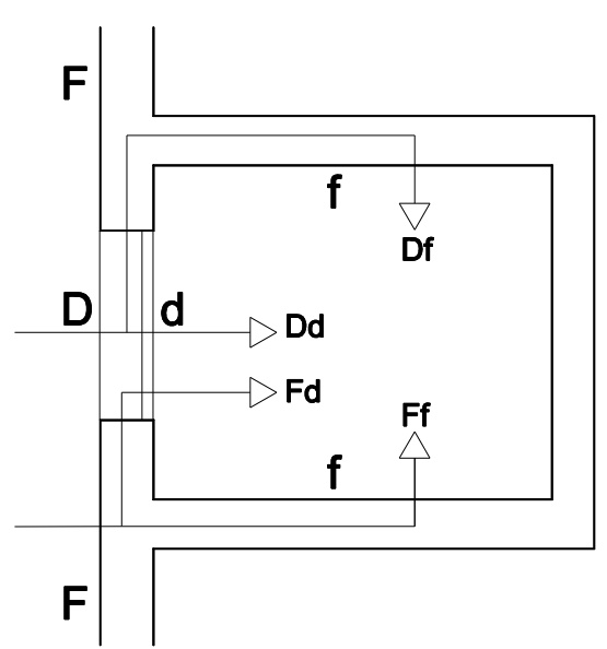
    • τ' : factor de transmisión total de potencia acústica, definido como el cociente entre la potencia acústica total radiada al recinto receptor y la potencia acústica incidente sobre la parte compartida del elemento de separación, para los distintos caminos directos e indirectos (de flancos) que se indican en la figura 3.5.
Definición de los caminos de transmisión acústica ij entre dos recintos. Planta o sección
Figura 3.5 Definición de los caminos de transmisión acústica ij entre dos recintos. Planta o sección
  1. Para obtener el índice global de reducción acústica aparente, ponderado A, R'A, se utilizarán los índices globales de reducción acústica de los elementos constructivos, RA, aproximadamente R w+C de la UNE EN ISO 717-1, dando como resultado los correspondientes valores de aislamiento in situ. Los índices de reducción acústica, RA, de elementos constructivos homogéneos pueden calcularse según la ley de masa, expresiones A.15 y A.16 del Anejo A, aunque es preferible usar valores determinados en laboratorio.

    RA=10lg(100,1RDd,A+F=f=1n100,1RFf,A+f=1n100,1RDf,A+F=1n100,1RFd,A+A0Ssai=ei,si100,1Dn,ai,A)[dBA](3.8)R'_A = -10 \cdot \lg \left( 10^{-0,1 R_{Dd,A}} + \sum_{F=f=1}^{n} 10^{-0,1 R_{Ff,A}} + \sum_{f=1}^{n} 10^{-0,1 R_{Df,A}} + \sum_{F=1}^{n} 10^{-0,1 R_{Fd,A}} + \frac{A_0}{S_s} \sum_{ai=ei,si} 10^{-0,1 D_{n,ai,A}} \right) [dBA] \tag{3.8}

    siendo

    • RDd,A: índice global de reducción acústica para la transmisión directa, en dB (dBA, para ruido rosa);
    • RFf,A: índice global de reducción acústica para la transmisión indirecta, del camino Ff, en dB (dBA, para ruido rosa);
    • RDf,A: índice global de reducción acústica para la transmisión indirecta, del camino Df, en dB (dBA, para ruido rosa);
    • RFd,A: índice global de reducción acústica para la transmisión indirecta, del camino Fd, en dB (dBA, para ruido rosa);
    • Dn,ai,A: diferencia de niveles normalizada, ponderada A, para la transmisión de ruido aéreo por vía directa, a través de aireadores u otros elementos de construcción pequeños, D n,e,A, o por vía indirecta, D n,s,A, a través de distribuidores y pasillos o a través de sistemas tales como conductos de instalaciones de aire acondicionado o ventilación;
    • n: número de elementos de flanco del recinto, que normalmente es 4 pero puede ser diferente según el diseño del recinto;
    • Ss: área compartida del elemento de separación, [m2];
    • A0: área de absorción equivalente de referencia, de valor A0=10 m 2.
  2. El índice global de reducción acústica para la transmisión directa se determina a partir de los datos del elemento de separación según la expresión que sigue:

    RDd,A=Rs,A+ΔRDd,A[dBA](3.9)R_{Dd,A} = R_{s,A} + \Delta R_{Dd,A} \quad [dBA] \tag{3.9}

    siendo

    • Rs,A: índice global de reducción acústica del elemento de separación para ruido rosa incidente, [dBA];
    • ΔRDd,A: mejora del índice global de reducción acústica, por efecto de revestimientos del lado de la emisión y de la recepción, en dBA, para ruido rosa. Este valor se obtiene directamente de resultados disponibles por ensayos en laboratorio para la combinación elegida o se puede deducir de los resultados obtenidos de cada uno de los revestimientos por separado:

      Un revestimiento: ΔRDd,A=ΔR1,A\Delta R_{Dd,A} = \Delta R_{1,A} ó ΔRDd,A=ΔR2,A\Delta R_{Dd,A} = \Delta R_{2,A} [dBA] (3.10)

      Dos revestimientos: ΔRDd,A=ΔR1,A+ΔR2,A2\Delta R_{Dd,A} = \Delta R_{1,A} + \frac{\Delta R_{2,A}}{2} ó ΔRDd,A=ΔR2,A+ΔR1,A2\Delta R_{Dd,A} = \Delta R_{2,A} + \frac{\Delta R_{1,A}}{2} [dBA] (3.11)

      Se elegirá como valor mitad para el caso de dos revestimientos, el menor de ellos.

  3. Los valores de los índices globales de reducción acústica para la transmisión por flancos se determinan mediante las expresiones:

    RFf,A=RF,A+Rf,A2+ΔRFf,A+KFf+10lgSsl0lf[dBA](3.12)R_{Ff,A} = \frac{R_{F,A} + R_{f,A}}{2} + \Delta R_{Ff,A} + K_{Ff} + 10 \cdot \lg \frac{S_s}{l_0 l_f} \quad [dBA] \tag{3.12}

    RDf,A=Rs,A+Rf,A2+ΔRDf,A+KDf+10lgSsl0lf[dBA](3.13)R_{Df,A} = \frac{R_{s,A} + R_{f,A}}{2} + \Delta R_{Df,A} + K_{Df} + 10 \cdot \lg \frac{S_s}{l_0 l_f} \quad [dBA] \tag{3.13}

    RFd,A=RF,A+Rs,A2+ΔRFd,A+KFd+10lgSsl0lf[dBA](3.14)R_{Fd,A} = \frac{R_{F,A} + R_{s,A}}{2} + \Delta R_{Fd,A} + K_{Fd} + 10 \cdot \lg \frac{S_s}{l_0 l_f} \quad [dBA] \tag{3.14}

    siendo

    • RF,A: índice global de reducción acústica del elemento de flanco F, (en dBA, para ruido rosa),
    • Rf,A: índice global de reducción acústica del elemento de flanco f, (en dBA, para ruido rosa),
    • ΔRFf,A: mejora del índice global de reducción acústica, por efecto de revestimientos del elemento de flanco, del lado de la emisión y de la recepción, (en dBA, para ruido rosa),
    • ΔRDf,A: mejora del índice global de reducción acústica, por efecto de revestimientos en el elemento de separación del lado de la emisión y/o del elemento de flanco en la recepción, (en dBA, para ruido rosa),
    • ΔRFd,A: mejora del índice global de reducción acústica, por efecto de revestimientos en el elemento de flanco del lado de la emisión y/o del elemento de separación en la recepción, (en dBA, para ruido rosa). Estos valores se obtienen directamente de resultados disponibles por ensayos en laboratorio para la combinación elegida o se pueden deducir de los resultados obtenidos en cada una de las capas implicadas independientemente (ij= Ff; Fd o Df):

      Un revestimiento: ΔRij,A=ΔRi,A\Delta R_{ij,A} = \Delta R_{i,A} ó ΔRij,A=ΔRj,A\Delta R_{ij,A} = \Delta R_{j,A} [dBA] (3.15)

      Dos revestimientos: ΔRij,A=ΔRi,A+ΔRj,A2\Delta R_{ij,A} = \Delta R_{i,A} + \frac{\Delta R_{j,A}}{2} ó ΔRij,A=ΔRj,A+ΔRi,A2\Delta R_{ij,A} = \Delta R_{j,A} + \frac{\Delta R_{i,A}}{2} [dBA] (3.16)

      Se elegirá como valor mitad para el caso de dos revestimientos, el menor de ellos.

    • Kij: índice de reducción de vibraciones para el camino por flancos ij (ij = Ff; Fd o Df), [dB]; Los Kij pueden calcularse de acuerdo a la norma UNE-EN ISO 12354-1.
    • Ss: área compartida del elemento de separación, en m2
    • lf: longitud común de la arista de unión entre el elemento de separación y los elementos de flancos F y f, [m];
    • l0: longitud de la arista de unión de referencia, de valor l0 = 1 m.
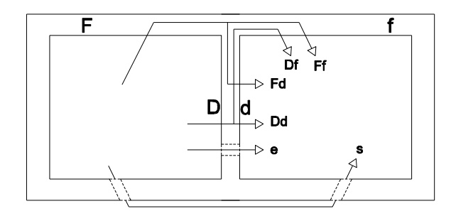
3.1.3.4 Método de cálculo de aislamiento acústico a ruido aéreo en fachadas, en cubiertas y en suelos en contacto con el aire exterior.
  1. Cuando el ruido exterior dominante es el ferroviario o el de estaciones ferroviarias, se debe usar la magnitud de aislamiento global D2m,nT,A. Cuando el ruido exterior dominante es el de automóviles o el de aeronaves, la magnitud del aislamiento global es D 2m,nT,Atr. El valor de D2m,nT,Atr se puede aproximar mediante D2m,nT,A + C tr, usando para Ctr, el valor del término de adaptación espectral para ruido de tráfico del índice de reducción acústica del elemento de aislamiento más débil, generalmente la ventana, que se obtendrá en los datos de los productos o en tabulaciones incluidas en el Catálogo de Elementos Constructivos u otros Documentos Reconocidos.
Definición de los caminos de transmisión acústica desde el exterior al recinto mediante una sección esquematica.
Figura 3.6 Definición de los caminos de transmisión acústica desde el exterior al recinto.
  1. La diferencia de niveles estandarizada, ponderada A, de la fachada o de la cubierta, viene dada por la expresión:

    D2m,nT,A=RA+ΔLfs+10lgV6T0S[dBA](3.17)D_{2m,nT,A} = R'_A + \Delta L_{fs} + 10 \cdot \lg \frac{V}{6 T_0 S} \quad [dBA] \tag{3.17}

    siendo

    • R'A: índice global de reducción acústica aparente, ponderado A, [dBA];
    • ΔLfs: mejora del aislamiento o diferencia de niveles por la forma de la fachada, [dB], que figura en el anejo F; este factor sólo es aplicable en el caso de ruido de automóviles y ruido ferroviario o de estaciones ferroviarias, y no en el caso de ruido de aeronaves;
    • V: volumen del recinto receptor, [m 3];
    • S: área total de la fachada o de la cubierta, vista desde el interior del recinto, [m2];
    • T0: tiempo de reverberación de referencia; su valor es T0 = 0,5 s.
  2. El índice global de reducción acústica aparente, ponderado A, R'A, se obtiene considerando las transmisiones directas e indirectas de la misma manera que en el índice global de reducción acústica entre recintos interiores. (Véase figura 3.6).
  3. La transmisión por flancos comprende todos los caminos indirectos, incluidos los correspondientes a elementos de fachada o de cubierta que no pertenecen al recinto.

    RA=10lg(100,1Rm,A+F=f=1n100,1RFf,A+f=1n100,1RDf,A+F=1n100,1RFd,A+A0Sai=ei,si100,1Dn,ai,A)[dBA](3.18)R'_A = -10 \cdot \lg \left( 10^{-0,1 R_{m,A}} + \sum_{F=f=1}^{n} 10^{-0,1 R_{Ff,A}} + \sum_{f=1}^{n} 10^{-0,1 R_{Df,A}} + \sum_{F=1}^{n} 10^{-0,1 R_{Fd,A}} + \frac{A_0}{S} \sum_{ai=ei,si} 10^{-0,1 D_{n,ai,A}} \right) [dBA] \tag{3.18}

    siendo

    • Rm,A: índice global de reducción acústica del elemento constructivo mixto (aislamiento mixto), ponderado A [dBA]. En el Anejo G se detalla el cálculo del aislamiento de estos elementos;
    • n: número de caminos indirectos.

Para aireadores sin tratamiento acústico se considera:

Dn,e,A=10lg(S010)[dBA](3.19)D_{n,e,A} = -10 \cdot \lg \left( \frac{S_0}{10} \right) \quad [dBA] \tag{3.19}

donde

  • S0: área del aireador, [m2].
3.1.3.5 Método de cálculo de aislamiento acústico a ruido aéreo para medianerías

Cada uno de los cerramientos de una medianería se dimensionará con el método de cálculo de aislamiento acústico a ruido aéreo del apartado 3.1.3.4. El aislamiento acústico a ruido aéreo vendrá dado en términos de la diferencia de niveles estandarizada, ponderada A, para ruido exterior, D2m,nT,Atr.

El valor de D2m,nT,Atr se puede aproximar mediante D 2m,nT,A + Ctr, usando para C tr, el valor del término de adaptación espectral para ruido de tráfico del índice de reducción acústica del cerramiento de la medianería, que se obtendrá en los datos de los productos o en tabulaciones incluidas en el Catálogo de Elementos Constructivos u otros Documentos Reconocidos.

3.1.3.6 Método de cálculo de aislamiento acústico a ruido de impactos
  1. Las situaciones con transmisiones más importantes del ruido de impactos corresponden a recintos superpuestos, recintos adyacentes y recintos con una arista horizontal común formando diedros opuestos por la arista. (Véase figura 3.7).
Definición de los caminos de transmisión entre dos recintos en tres configuraciones diferentes: recintos superpuestos, recintos adyacentes y recintos con una arista vertical común.
Figura 3.7 Definición de los caminos de transmisión entre dos recintos (Vista en sección vertical).
  1. El nivel global de presión de ruido de impactos estandarizado se calcula mediante la expresión:

    LnT,w=Ln,w10lg(0,032V)[dB](3.20)L'_{nT,w} = L'_{n,w} - 10 \cdot \lg (0,032 \cdot V) \quad [dB] \tag{3.20}

    siendo

    • V: volumen del recinto receptor, [m 3];
    • L’n,w: nivel global de presión de ruido de impactos normalizado, [dB].
  2. El nivel global de presión de ruido de impactos normalizado, L’ n,w, resultante, para recintos superpuestos, recintos adyacentes y recintos con una arista horizontal común se calcula mediante las expresiones que se indican en los siguientes apartados.
  3. Podrán aplicarse valores globales a todas las magnitudes de los elementos constructivos que aparecen en el cálculo.
3.1.3.6.1 Recintos superpuestos
  1. El nivel global de presión de ruido de impactos normalizado viene dado por:

    Ln,w=10lg(100,1Ln,w,d+j=1n100,1Ln,w,ij)[dB](3.21)L'_{n,w} = 10 \cdot \lg \left( 10^{0,1 L_{n,w,d}} + \sum_{j=1}^{n} 10^{0,1 L_{n,w,ij}} \right) \quad [dB] \tag{3.21}

    siendo

    • Ln,w,d: nivel global de presión de ruido de impactos normalizado, debido a la transmisión directa, [dB];
    • Ln,w,ij: nivel global de presión de ruido de impactos normalizado, debido a la transmisión indirecta, o por flancos, [dB];
    • n: número de flancos o de elementos de flanco, generalmente 4.
  2. La transmisión directa vale:

    Ln,w,d=Ln,wΔLwΔLd,w[dB](3.22)L_{n,w,d} = L_{n,w} - \Delta L_w - \Delta L_{d,w} \quad [dB] \tag{3.22}

    siendo

    • Ln,w: nivel global de presión de ruido de impactos normalizado, [dB];
    • ΔLw: reducción del nivel global de presión de ruido de impactos por revestimiento del lado de la emisión, (p.e. suelos flotantes), [dB];
    • ΔLd,w: reducción del nivel global de presión de ruido de impactos por revestimiento del lado de la recepción, (p.e. techos suspendidos), [dB].
  3. La transmisión indirecta desde el elemento i al j vale:

    Ln,w,ij=Ln,wΔLw+Ri,ARj,A2ΔRj,AKij10lgSilil0[dB](3.23)L_{n,w,ij} = L_{n,w} - \Delta L_w + \frac{R_{i,A} - R_{j,A}}{2} - \Delta R_{j,A} - K_{ij} - 10 \cdot \lg \frac{S_i}{l_i l_0} \quad [dB] \tag{3.23}

    siendo

    • Ln,w: nivel global de presión de ruido de impactos normalizado, [dB];
    • ΔLw: reducción del nivel global de presión de ruido de impactos por revestimiento, colocado en este caso, del lado de la emisión, (p.e. suelos flotantes), [dB];
    • Ri,A: índice global de reducción acústica de un elemento, ponderado A, [dBA];
    • ΔRj,A: mejora del índice global de reducción acústica por revestimiento del elemento j, [dB];
    • Kij: índice de reducción de vibraciones para cada camino de transmisión del elemento i al j, [dB];
    • Si: área del elemento excitado, [m 2];
    • lij: longitud común de la arista de unión entre el elemento i y el j, [m];
    • l0: longitud de la arista de unión de referencia de valor 1 m, [m].
3.1.3.6.2 Recintos adyacentes y recintos con una arista horizontal común

En estos casos no existen transmisiones directas. Las expresiones resultantes son inmediatas a la vista de las figuras correspondientes y de las relaciones para los distintos caminos de transmisión indirecta señalados en el punto anterior para Ln,w,ij:

Ln,w=10lg(j=1n100,1Ln,w,ij)[dB](3.24)L'_{n,w} = 10 \cdot \lg \left( \sum_{j=1}^{n} 10^{0,1 L_{n,w,ij}} \right) \quad [dB] \tag{3.24}

con la misma notación que la expresión 3.21.

3.1.4 Condiciones de diseño de las uniones entre elementos constructivos

Deben cumplirse las siguientes condiciones relativas a las uniones entre los diferentes elementos constructivos, para que junto a las condiciones establecidas en cualquiera de las dos opciones y las condiciones de ejecución establecidas en el apartado 5, se satisfagan los valores límite de aislamiento especificados en el apartado 2.1.

3.1.4.1 Elementos de separación verticales
3.1.4.1.1 Encuentros con los forjados, las fachadas y la tabiquería
3.1.4.1.1.1 Elementos de separación verticales de tipo 1
  1. En los encuentros de los elementos de separación verticales de dos hojas de fábrica con fachadas de dos hojas, debe interrumpirse la hoja interior de la fachada, ya sea ésta de fábrica o de entramado y en ningún caso, la hoja interior debe cerrar la cámara del elemento de separación vertical o conectar sus dos hojas.
  2. En los encuentros con la tabiquería, ésta debe interrumpirse de tal forma que el elemento de separación vertical sea continuo. En el caso de elementos de separación verticales de dos hojas de fábrica, la tabiquería no conectará las dos hojas del elemento de separación vertical, ni interrumpirá la cámara. Si fuera necesario anclar o trabar el elemento de separación vertical por razones estructurales, solo se trabará la tabiquería a una sola de las hojas del elemento de separación vertical de fábrica o se unirá a ésta mediante conectores.
3.1.4.1.1.2 Elementos de separación verticales de tipo 2
  1. Las bandas elásticas deben colocarse en los encuentros de los elementos de separación verticales de tipo 2 y los forjados, las fachadas y los pilares.
  2. Cuando un elemento de separación vertical de tipo 2 acometa a una fachada, deben disponerse bandas elásticas:
    1. en los encuentros con la hoja principal de las fachadas de una hoja, ventiladas o con el de fachadas con el aislamiento por el exterior;
    2. en el encuentro con la hoja exterior de una fachada de dos hojas.
  3. En los encuentros con fachadas de dos hojas, debe interrumpirse la hoja interior de la fachada, ya sea ésta de fábrica o de entramado y en ningún caso la hoja interior de la fachada debe cerrar la cámara del elemento de separación vertical.
  4. La tabiquería que acometa a un elemento de separación vertical ha de interrumpirse, de tal forma que el elemento de separación vertical sea continuo.
  5. En el caso de que la tabiquería sea de fábrica o de paneles prefabricados pesados con bandas elásticas, las bandas elásticas deben colocarse en el apoyo de la tabiquería en el forjado o en el suelo flotante.
3.1.4.1.1.3 Elementos de separación verticales de tipo 3
  1. Debe interponerse una banda de estanquidad en el encuentro de la perfilería con el forjado, los pilares, otros elementos de separación verticales y la hoja principal de las fachadas de una hoja, ventiladas o con el aislamiento por el exterior, de tal forma que se consiga la estanquidad.
  2. En los encuentros con fachadas de dos hojas, debe interrumpirse la hoja interior de la fachada, y en ningún caso, la hoja interior de la fachada debe cerrar la cámara del elemento de separación vertical.
  3. La tabiquería que acometa a un elemento de separación vertical ha de interrumpirse, de tal forma que el elemento de separación vertical sea continuo. En ningún caso, la tabiquería debe conectar las hojas del elemento de separación vertical, ni interrumpir la cámara.
3.1.4.1.2 Encuentros con los conductos de instalaciones

Cuando un conducto de instalaciones colectivas se adose a un elemento de separación vertical, se revestirá de tal forma que no disminuya el aislamiento acústico del elemento de separación y se garantice la continuidad de la solución constructiva.

3.1.4.2 Elementos de separación horizontales
3.1.4.2.1 Encuentros con los elementos separación verticales
  1. Deben eliminarse los contactos entre el suelo flotante y los elementos de separación verticales, pilares y tabiques con apoyo directo; para ello, se interpondrá entre ambos una capa de material elástico o del mismo material aislante a ruido de impactos del suelo flotante.
  2. Los techos suspendidos o los suelos registrables no serán continuos entre dos recintos pertenecientes a unidades de uso diferentes. La cámara de aire entre el forjado y un techo suspendido o un suelo registrable debe interrumpirse o cerrarse cuando el techo suspendido o el suelo registrable acometa a un elemento de separación vertical entre unidades de uso diferentes.
3.1.4.2.2 Encuentros con los conductos de instalaciones
  1. En el caso de que un conducto de instalaciones, por ejemplo, de instalaciones hidráulicas o de ventilación, atraviese un elemento de separación horizontal, se recubrirá y se sellarán las holguras de los huecos efectuados en el forjado para paso del conducto con un material elástico que garantice la estanquidad e impida el paso de vibraciones a la estructura del edificio.
  2. Deben eliminarse los contactos entre el suelo flotante y los conductos de instalaciones que discurran bajo él. Para ello, los conductos se revestirán de un material elástico.

3.2 Tiempo de reverberación y absorción acústica

3.2.1 Datos previos y procedimiento

  1. Para satisfacer los valores límite del tiempo de reverberación requeridos en aulas y salas de conferencias de volumen hasta 350 m3, restaurantes y comedores, puede elegirse uno de los dos métodos que figuran a continuación:
    1. el método de cálculo general del tiempo de reverberación a partir del volumen y de la absorción acústica de cada uno de los recintos del apartado 3.2.2.
    2. el método de cálculo simplificado del tiempo de reverberación, apartado 3.2.3, que consiste en emplear un tratamiento absorbente acústico aplicado en el techo. Este método sólo es válido en el caso de aulas de volumen hasta 350 m3, restaurantes y comedores.
  2. En el caso de aulas y salas de conferencias, ambas opciones son aplicables si los recintos son de formas prismáticas rectas o asimilables.
  3. Debe calcularse la absorción acústica, A, de las zonas comunes, como se indica en la expresión 3.26 del apartado 3.2.2.
  4. Para calcular el tiempo de reverberación y la absorción acústica, deben utilizarse los valores del coeficiente de absorción acústica medio, αm, de los acabados superficiales, de los revestimientos y de los elementos constructivos utilizados y el área de absorción acústica equivalente medio, Ao,m, de cada mueble fijo, obtenidos mediante mediciones en laboratorio según los procedimientos indicados en la normativa correspondiente contenida en el anejo C o mediante tabulaciones incluidas en el Catálogo de Elementos Constructivos u otros Documentos Reconocidos del CTE.
    En caso de no disponer de valores del coeficiente de absorción acústica medio αm de productos, podrán utilizarse los valores del coeficiente de absorción acústica ponderado, αw de acabados superficiales, de los revestimientos y de los elementos constructivos de los recintos
  5. Debe diseñarse y dimensionarse, como mínimo, un caso de cada recinto que sea diferente en forma, tamaño y elementos constructivos.
  6. Independientemente de lo especificado en este apartado, en el Anejo J se incluyen una serie de recomendaciones de diseño para aulas y salas de conferencias.

3.2.2 Método de cálculo general del tiempo de reverberación

  1. El tiempo de reverberación, T, de un recinto se calcula mediante la expresión: T=0,16VA[s]T = \frac{0,16 \cdot V}{A} \quad [s] (3.25)
    siendo
    • V volumen del recinto, [m 3];
    • A absorción acústica total del recinto, [m 2];
  2. La absorción acústica, A, se calculará a partir de la expresión: A=i=1nαm,iSi+j=1NAo,m,j+4mmVA = \sum_{i=1}^{n} \alpha_{m,i} \cdot S_i + \sum_{j=1}^{N} A_{o,m,j} + 4 \cdot m_m \cdot V (3.26)
    siendo
    • αm,i coeficiente de absorción acústica medio de cada paramento, para las bandas de tercio de octava centradas en las frecuencias de 500, 1000 y 2000 Hz;
    • Si área de paramento cuyo coeficiente de absorción es αi, [m2];
    • Ao,m,j área de absorción acústica equivalente media de cada mueble fijo absorbente diferente [m2];
    • V volumen del recinto, [m 3];
    • mm coeficiente de absorción acústica medio en el aire, para las frecuencias de 500, 1000 y 2000 Hz y de valor 0,006 m-1.
    El término 4 · mm · V es despreciable en los recintos de volumen menor que 250 m3.

3.2.3 Método de cálculo simplificado del tiempo de reverberación. Tratamientos absorbentes de los paramentos

  1. En la mayoría de los casos puede emplearse un tratamiento absorbente uniforme aplicado únicamente en el techo. Los valores mínimos del coeficiente de absorción acústica medio del material o techo suspendido figuran en el apartado 3.2.3.1.
  2. En aquellos casos en los que no sea posible encontrar un material o un techo suspendido con el valor de coeficiente de absorción acústica medio requerido en el apartado 3.2.3.1, deben utilizarse además tratamientos absorbentes adicionales al techo en el resto de los paramentos, según el apartado 3.2.3.2.
3.2.3.1 Tratamientos absorbentes uniformes del techo

Las ecuaciones que figuran a continuación expresan el valor mínimo del coeficiente de absorción acústica medio, α m,t, del material o del techo suspendido para los casos siguientes:

  1. aulas de volumen hasta 350 m3:
    1. sin butacas tapizadas: αm,t=h(0,230,12St)\alpha_{m,t} = h \cdot \left( 0,23 - \frac{0,12}{\sqrt{S_t}} \right) (3.27)
    2. con butacas tapizadas fijas: αm,t=h(0,320,12St)0,26\alpha_{m,t} = h \cdot \left( 0,32 - \frac{0,12}{\sqrt{S_t}} \right) - 0,26 (3.28)
  2. restaurantes y comedores: αm,t=h(0,180,12St)\alpha_{m,t} = h \cdot \left( 0,18 - \frac{0,12}{\sqrt{S_t}} \right) (3.29)

siendo

  • h altura libre del recinto, [m];
  • St área del techo, [m2].
3.2.3.2 Tratamientos absorbentes adicionales al techo

Los tratamientos absorbentes empleados en los paramentos deben cumplir la relación siguiente:

siendo

  • αm,t coeficiente de absorción acústica medio del techo obtenido de las expresiones 3.27, 3.28 y 3.29, según corresponda;
  • St área del techo, [m2];
  • αm,i coeficiente de absorción acústica medio del material utilizado para tratar el área Si;
  • Si área de paramento cuyo coeficiente de absorción es αm,i, [m2].

3.3 Ruido y vibraciones de las instalaciones

3.3.1 Datos que deben aportar los suministradores

Los suministradores de los equipos y productos incluirán en la documentación de los mismos los valores de las magnitudes que caracterizan los ruidos y las vibraciones procedentes de las instalaciones de los edificios:

  1. el nivel de potencia acústica, Lw, de equipos que producen ruidos estacionarios;
  2. la rigidez dinámica, s’, y la carga máxima, m, de los lechos elásticos utilizados en las bancadas de inercia;
  3. el amortiguamiento, C, la transmisibilidad, τ, y la carga máxima ,m, de los sistemas antivibratorios puntuales utilizados en el aislamiento de maquinaria y conductos;
  4. el coeficiente de absorción acústica, α, de los productos absorbentes utilizados en conductos de ventilación y aire acondicionado;
  5. la atenuación de conductos prefabricados, expresada como pérdida por inserción, D, y la atenuación total de los silenciadores que estén interpuestos en conductos, o empotrados en fachadas o en otros elementos constructivos.

3.3.2 Condiciones de montaje de equipos generadores de ruido estacionario

  1. Los equipos se instalarán sobre soportes antivibratorios elásticos cuando se trate de equipos pequeños y compactos o sobre una bancada de inercia cuando el equipo no posea una base propia suficientemente rígida para resistir los esfuerzos causados por su función o se necesite la alineación de sus componentes, como por ejemplo del motor y el ventilador o del motor y la bomba.
  2. En el caso de equipos instalados sobre una bancada de inercia, tales como bombas de impulsión, la bancada será de hormigón o acero de tal forma que tenga la suficiente masa e inercia para evitar el paso de vibraciones al edificio. Entre la bancada y la estructura del edificio deben interponerse elementos antivibratorios.
  3. Se consideran válidos los soportes antivibratorios y los conectores flexibles que cumplan la UNE 100153 IN.
  4. Se instalarán conectores flexibles a la entrada y a la salida de las tuberías de los equipos.
  5. En las chimeneas de las instalaciones térmicas que lleven incorporados dispositivos electromecánicos para la extracción de productos de combustión se utilizarán silenciadores.

3.3.3 Conducciones y equipamiento

3.3.3.1 Hidráulicas
  1. Las conducciones colectivas del edificio deberán ir tratadas con el fin de no provocar molestias en los recintos habitables o protegidos adyacentes
  2. En el paso de las tuberías a través de los elementos constructivos se utilizarán sistemas antivibratorios tales como manguitos elásticos estancos, coquillas, pasamuros estancos y abrazaderas desolidarizadoras.
  3. El anclaje de tuberías colectivas se realizará a elementos constructivos de masa por unidad de superficie mayor que 150 kg/m 2.
  4. En los cuartos húmedos en los que la instalación de evacuación de aguas esté descolgada del forjado, debe instalarse un techo suspendido con un material absorbente acústico en la cámara.
  5. La velocidad de circulación del agua se limitará a 1 m/s en las tuberías de calefacción y los radiadores de las viviendas.
  6. La grifería situada dentro de los recintos habitables será de Grupo II como mínimo, según la clasificación de UNE EN 200.
  7. Se evitará el uso de cisternas elevadas de descarga a través de tuberías y de grifos de llenado de cisternas de descarga al aire.
  8. Las bañeras y los platos de ducha deben montarse interponiendo elementos elásticos en todos sus apoyos en la estructura del edificio: suelos y paredes. Los sistemas de hidromasaje, deberán montarse mediante elementos de suspensión elástica amortiguada.
  9. No deben apoyarse los radiadores en el pavimento y fijarse a la pared simultáneamente, salvo que la pared esté apoyada en el suelo flotante.
3.3.3.2 Aire acondicionado
  1. Los conductos de aire acondicionado deben ser absorbentes acústicos cuando la instalación lo requiera y deben utilizarse silenciadores específicos.
  2. Se evitará el paso de las vibraciones de los conductos a los elementos constructivos mediante sistemas antivibratorios, tales como abrazaderas, manguitos y suspensiones elásticas.
3.3.3.3 Ventilación
  1. Los conductos de extracción que discurran dentro de una unidad de uso deben revestirse con elementos constructivos cuyo índice global de reducción acústica, ponderado A, R A, sea al menos 33 dBA, salvo que sean de extracción de humos de garajes en cuyo caso deben revestirse con elementos constructivos cuyo índice global de reducción acústica, ponderado A, RA, sea al menos 45 dBA.
  2. Asimismo, cuando un conducto de ventilación se adose a un elemento de separación vertical se seguirán las especificaciones del apartado 3.1.4.1.2.
  3. En el caso de que dos unidades de uso colindantes horizontalmente compartieran el mismo conducto colectivo de extracción, se cumplirán las condiciones especificadas en el DB HS3.
3.3.3.4 Eliminación de residuos
  1. Para instalaciones de traslado de residuos por bajante, deben cumplirse las condiciones siguientes:
    1. los conductos deben tratarse adecuadamente para que no transmitan ruidos y vibraciones a los recintos habitables y protegidos colindantes.
    2. El almacén de contenedores se considera un recinto de instalaciones y el suelo del almacén de contenedores debe ser flotante.
3.3.3.5 Ascensores y montacargas
  1. Los sistemas de tracción de los ascensores y montacargas se anclarán a los sistemas estructurales del edificio mediante elementos amortiguadores de vibraciones. El recinto del ascensor, cuando la maquinaria esté dentro del mismo, se considerará un recinto de instalaciones a efectos de aislamiento acústico. Cuando no sea así, los elementos que separan un ascensor de una unidad de uso, deben tener un índice de reducción acústica, RA mayor que 50 dBA.
  2. Las puertas de acceso al ascensor en los distintos pisos tendrán topes elásticos que aseguren la práctica anulación del impacto contra el marco en las operaciones de cierre.
  3. El cuadro de mandos, que contiene los relés de arranque y parada, estará montado elásticamente asegurando un aislamiento adecuado de los ruidos de impactos y de las vibraciones.

Documento Básico HR - Protección frente al Ruido

Versión 2019