10 Sistemas estructurales de madera y productos derivados

10.1 Vigas mixtas

10.1.1 Vigas mixtas de madera y tablero encoladas

10.1.1.1 Principios generales
  1. Para el cálculo de las tensiones se admiten leyes lineales de variación de deformaciones longitudinales unitarias ε; lo cual supone que se consideran las secciones como mixtas sin que existan deslizamientos entre almas y alas en los planos de encolado.
  2. A efectos de cálculos de las tensiones normales y tangenciales se admite, para piezas de relación luz/canto menor o igual que 25 y de una longitud menor de 12m, las fórmulas clásicas de resistencia de materiales considerando la sección compuesta (sin considerar por tanto deslizamientos entre almas y alas en los planos de encolado), teniendo en cuenta la diferencia entre los módulos de elasticidad longitudinales de la madera y el tablero.
  3. No todas las colas son igual de rígidas, y que cada vez se usan más las colas con cierta capacidad de plastificación; apareciendo con ello la posibilidad de un deslizamiento local en el plano de la cola.
10.1.1.2 Vigas con almas de tablero encolado
  1. Este tipo de viga está formada por almas de tablero estructural y alas encoladas, de madera aserrada, laminada encolada o microlaminada. En este apartado se consideran las vigas de sección en I (doble T) y la viga-cajón. (Véase figura 10.1).
Vigas en I ó doble T y cajón de alma delgada formada por tableros
Figura 10.1 Vigas en I ó doble T y cajón de alma delgada formada por tableros
  1. Tensiones normales en las alas

    Las tensiones normales en las alas, considerando una ley de deformación unitaria longitudinal plana de la sección de la viga (véase figura 10.1) deben cumplir las siguientes condiciones:

    σf,c,max,dfm,d\sigma_{f,c,max,d} \le f_{m,d} (10.3)

    σf,t,max,dfm,d\sigma_{f,t,max,d} \le f_{m,d} (10.4)

    σf,c,dkcfc,0,d\sigma_{f,c,d} \le k_c f_{c,0,d} (10.5)

    σf,t,dft,0,d\sigma_{f,t,d} \le f_{t,0,d} (10.6)

    siendo:

    σf,c,max,d\sigma_{f,c,max,d} tensión de cálculo a compresión en la fibra extrema comprimida del ala;

    σf,t,max,d\sigma_{f,t,max,d} tensión de cálculo a tracción en la fibra extrema traccionada del ala;

    σf,c,d\sigma_{f,c,d} valor medio de la tensión de cálculo a compresión en el ala;

    σf,t,d\sigma_{f,t,d} valor medio de la tensión de cálculo a tracción en el ala;

    kck_c coeficiente de pandeo lateral del ala comprimida de la viga, para el caso en que la pieza no está atada. Puede obtenerse para vigas cajón, como se indica en el apartado 6.3.2.2., ecuación (6.32), para kc,z, partiendo en este caso de:

    λrel,z=12Lcb\lambda_{rel,z} = \sqrt{12} \cdot \frac{L_c}{b} (10.7)

    donde:

    LcL_c distancia entre las secciones que tienen impedida la deformación lateral en el ala comprimida;

    bb ancho definido en la figura 10.1;

    fm,df_{m,d} resistencia de cálculo a flexión del material de para las alas;

    fc,0,df_{c,0,d} resistencia de cálculo a compresión paralela del material de las alas;

    ft,0,df_{t,0,d} resistencia de cálculo a tracción paralela del material de las alas;

    La comprobación estricta de σf,c,d\sigma_{f,c,d} pertenece al ámbito de la estabilidad lateral en flexión, no en flexocompresión; y ya que en el diagrama de tensiones normales mostrado en la figura 10.1 no se está considerando ningún axil.

  2. Tensiones normales en el alma:
    1. las tensiones normales en el alma deben cumplir las siguientes condiciones:

      σw,c,max,dfc,w,d\sigma_{w,c,max,d} \le f_{c,w,d} (10.8)

      σw,t,max,dft,w,d\sigma_{w,t,max,d} \le f_{t,w,d} (10.9)

      siendo:

      σw,c,max,d\sigma_{w,c,max,d} tensión de cálculo a compresión en el alma debida a la flexión;

      σw,t,max,d\sigma_{w,t,max,d} tensión de cálculo a tracción en el alma debida a la flexión;

      fc,w,df_{c,w,d} resistencia de cálculo a compresión en el alma en flexión;

      ft,w,df_{t,w,d} resistencia de cálculo a tracción en el alma en flexión.

    2. salvo que se conozcan las resistencias a compresión y a tracción del tablero trabajando de canto, los valores de fc,w,df_{c,w,d} y ft,w,df_{t,w,d} deben tomarse igual a la resistencia de compresión y tracción del tablero trabajando de tabla.
  3. Abolladura del alma.

    Debe verificarse que:

    hw70bwh_w \le 70 \cdot b_w (10.10)

    y

    Fv,w,Sd{bwhw(1+0,5(hf,t+hf,c)hw)fv,0,dpara hw35bw(10.11)35bw2(1+0,5(hf,t+hf,c)hw)fv,0,dpara 35bwhw70bw(10.12)F_{v,w,Sd} \le \begin{cases} b_w \cdot h_w \cdot \left( 1 + \frac{0,5 \cdot (h_{f,t} + h_{f,c})}{h_w} \right) f_{v,0,d} & \text{para } h_w \le 35 b_w & (10.11) \\ 35 b_w^2 \cdot \left( 1 + \frac{0,5 \cdot (h_{f,t} + h_{f,c})}{h_w} \right) f_{v,0,d} & \text{para } 35 b_w \le h_w \le 70 b_w & (10.12) \end{cases}

    siendo:

    hw,bw,hf,c y hf,th_w, b_w, h_{f,c} \text{ y } h_{f,t} cantos y anchos definidos en la figura 10.1;

    Fv,w,SdF_{v,w,Sd} esfuerzo cortante de cálculo, actuando en cada alma;

    fv,0,d(=fv,r,p,0,d)f_{v,0,d} (=f_{v,r,p,0,d}) resistencia de cálculo a cortante de cizalladura del tablero del alma.

  4. Superficies críticas a tensiones tangenciales de rodadura.

    En las secciones 1-1 de la figura 10.1, superficie de contacto tablero-madera, debe verificarse que:

    τmedio,dfv,90,d para hf4bef\tau_{medio,d} \le f_{v,90,d} \text{ para } h_f \le 4 b_{ef} (10.13)

    (10.14)

    siendo:

    τmedio,d\tau_{medio,d} tensión tangencial de cálculo en la superficie de contacto tablero-madera admitiendo una distribución uniforme de las tensiones tangenciales;

    fv,90,d(=fv,r,p,d)f_{v,90,d} (=f_{v,r,p,d}) resistencia de cálculo a cortante de rodadura en el tablero;

    bef=bwb_{ef} = b_w en vigas cajón;

    bef=bw/2b_{ef} = b_w / 2 en secciones en doble te;

    hfh_f indistintamente hf,ch_{f,c} o hf,th_{f,t}, (figura 10.1)

  5. Para la determinación de la tensión media de rodadura τmedio,d\tau_{medio,d} en vigas mixtas de alma delgada encolada, tipo doble T, figura 10.1, se tomará la mas desfavorable de las expresiones siguientes:

    τmedio,d=Fv,w,SdSy2hf,cIy si hf,c<hf,t\tau_{medio,d} = \frac{F_{v,w,Sd} \cdot S_y}{2 \cdot h_{f,c} \cdot I_y} \text{ si } h_{f,c} < h_{f,t} (10.15)

    τmedio,d=Fv,w,SdSy2hf,tIy si hf,chf,t\tau_{medio,d} = \frac{F_{v,w,Sd} \cdot S_y}{2 \cdot h_{f,t} \cdot I_y} \text{ si } h_{f,c} \ge h_{f,t} (10.16)

    siendo:

    Fv,w,SdF_{v,w,Sd} esfuerzo cortante de cálculo;

    SyS_y momento estático del ala de la sección homogeneizada, respecto al eje y;

    IyI_y momento de inercia de la sección homogeneizada respecto al eje y;

    hf,c y hf,th_{f,c} \text{ y } h_{f,t} cantos de las alas (figura 10.1).

10.1.1.3 Vigas cajón con alas encoladas a tablero
  1. Este tipo de vigas están formadas por almas de madera aserrada, madera laminada encolada o microlaminada y alas de tableros.
  2. Para el cálculo se descomponen en secciones eficaces en I (doble T) y en U (véase figura 10.2).
  3. Debe tenerse en consideración la distribución no uniforme de tensiones normales en las alas debidas al retraso por cortante y a la abolladura. A tal fin se considerará, según se expone más adelante, un ancho eficaz o equivalente del tablero (befb_{ef}).
Viga cajón de alas delgadas
Figura 10.2 Viga cajón de alas delgadas
  1. Anchura eficaz de las alas befb_{ef}:
    1. como modelo de análisis propuesto, el conjunto debe considerarse como una serie de vigas con sección en I o en U, figura 10.2, con una anchura eficaz de las alas befb_{ef} que debe cumplir las condiciones siguientes:
      • en secciones en I (interiores):

        bef=bc,ef+bwb_{ef} = b_{c,ef} + b_w ala comprimida (10.17)

        bef=bt,ef+bwb_{ef} = b_{t,ef} + b_w ala traccionada (10.18)

      • en secciones en U (extremos):

        bef=0,5bc,ef+bwb_{ef} = 0,5 \cdot b_{c,ef} + b_w ala comprimida (10.19)

        bef=0,5bt,ef+bwb_{ef} = 0,5 \cdot b_{t,ef} + b_w ala traccionada (10.20)

    2. los valores máximos de anchuras eficaces de bc,efb_{c,ef} y bt,efb_{t,ef} no deben superar el valor máximo calculado por flexibilidad frente a esfuerzos rasantes. Además, bc,efb_{c,ef} no debe ser mayor que el valor máximo calculado teniendo en cuenta la abolladura del ala. Estos valores máximos se indican en la tabla 10.1.
Tabla 10.1. Valores máximos de anchuras eficaces (bc,ef, o bt,ef) del ala debidas al efecto del flexibilidad frente a esfuerzos rasantes y a la abolladura
Material del ala Anchura debida al efecto de:
Flexibilidad por rasante Abolladura
Tablero contrachapado con la dirección de la fibra en las chapas exteriores
paralela a las almas 0,1l0,1 \cdot l 20hf20 \cdot h_f
perpendicular a las alas 0,1l0,1 \cdot l 25hf25 \cdot h_f
Tablero de virutas orientadas (OSB) 0,15l0,15 \cdot l 25hf25 \cdot h_f
Tablero de partículas y tablero de fibras con orientación aleatoria de las partículas 0,2l0,2 \cdot l 30hf30 \cdot h_f
hfh_f es, según corresponda, hf,ch_{f,c} o hf,th_{f,t} (véase figura 10.2)
ll luz de la viga
  1. como modelo de análisis del pandeo de las alas debe cumplir la siguiente condición:

    br2beb_r \le 2 b_e (10.21)

    siendo:

    beb_e valor del ancho eficaz del ala debido al efecto del pandeo local (abolladura), tabla 10.1.

    brb_r la distancia libre entre almas (véase figura 10.2)

  1. Tensiones normales en las alas (en la anchura eficaz de las alas befb_{ef}, apartado a).

    Las tensiones normales en la anchura eficaz de las alas, befb_{ef}, considerando un reparto uniforme de tensiones en el ancho eficaz y el resto de hipótesis ya expuestas, deben cumplir las siguientes condiciones:

    σf,c,dff,c,d\sigma_{f,c,d} \le f_{f,c,d} ala comprimida (10.22)

    σf,t,dff,t,d\sigma_{f,t,d} \le f_{f,t,d} ala traccionada (10.23)

    siendo:

    σf,c,d\sigma_{f,c,d} valor medio de la tensión de cálculo de compresión en la anchura eficaz del ala comprimida;

    σf,t,d\sigma_{f,t,d} valor medio de la tensión de cálculo de tracción en la anchura eficaz del ala traccionada;

    ff,c,df_{f,c,d} resistencias de cálculo a compresión del tablero utilizado para las alas;

    ff,t,df_{f,t,d} resistencias de cálculo a tracción del tablero utilizado para las alas.

  2. Tensiones normales en las almas.

    Las tensiones normales en las almas deben satisfacer las ecuaciones (10.8) y (10.9).

  3. Superficies críticas a tensiones de rodadura:
    1. en las superficies 1-1 de contacto madera-tablero, figura 10.2, debe verificarse que:
      • en secciones en doble T:

τmedio,d{fv,90,dpara bw8hf(10.24)fv,90,d(8hfbw)0,8para bw>8hf(10.25)\tau_{medio,d} \le \begin{cases} f_{v,90,d} & \text{para } b_w \le 8 h_f & (10.24) \\ f_{v,90,d} \left( \frac{8 h_f}{b_w} \right)^{0,8} & \text{para } b_w > 8 h_f & (10.25) \end{cases}

siendo:

τmedio,d\tau_{medio,d} tensión tangencial de cálculo en la superficie de contacto tablero-madera calculada admitiendo una distribución uniforme de las tensiones tangenciales;

fv,90,d(=fv,r,p,d)f_{v,90,d} (=f_{v,r,p,d}) resistencia de cálculo a cortante de rodadura;

hfh_f es, según corresponda, hf,ch_{f,c} o hf,th_{f,t}.

  • en secciones en U:

τmedio,d{fv,90,dpara bw4hf(10.26)fv,90,d(4hfbw)0,8para bw>4hf(10.27)\tau_{medio,d} \le \begin{cases} f_{v,90,d} & \text{para } b_w \le 4 h_f & (10.26) \\ f_{v,90,d} \left( \frac{4 h_f}{b_w} \right)^{0,8} & \text{para } b_w > 4 h_f & (10.27) \end{cases}

  1. Condición de los empalmes.

    Cuando sea necesario realizar empalmes debe verificarse que tienen la resistencia suficiente.

10.1.2 Vigas mixtas unidas con medios de fijación mecánicos

  1. Si la sección transversal de una pieza está formada de varias partes conectadas con medios mecánicos de fijación debe considerarse el deslizamiento de las uniones.
  2. Los cálculos pueden considerar que entre fuerza y deslizamiento existe una relación lineal, que en algunos casos se incluye en este DB a través del coeficiente Kser (tabla 7.1).
  3. Hay que resaltar que la tabla 7.1 no incluye clavijas inclinadas (con distintas técnicas de unión), de mucha mayor rigidez que las colocadas ortogonalmente a las piezas que unen. En ese caso, y siempre que el sistema permita la formación de un mecanismo de biela tirante con la biela inclinada formando ángulos entre 40º y 60º con el plano de contacto, y para piezas cuya luz sea menor de 12m, se podrá prescindir del deslizamiento de la unión y realizar el análisis con la sección total a través de la teoría clásica de resistencia de materiales.
  4. En el caso de disponer los medios de fijación a distancias variables entre smin y smax ≤ 4·smin, en la dirección longitudinal, la fuerza rasante puede obtenerse considerando una separación eficaz sef, definida por la expresión:

    sef = 0,75·smin + 0,25 smax (10.28)

10.2 Soportes compuestos

  1. Para el cálculo de los soportes compuestos incluidos en este apartado, además de otras hipótesis que luego se expondrán, se está considerando un modelo de flexión en viga Vierendeel (entramado sin triangulaciones y con empalmes de nudo rígido) en el que los momentos flectores locales de los cordones son nulos en los puntos equidistantes de las presillas. Para que el efecto Vierendeel se produzca, se cumplirá que (véase figura 10.3), además de las comprobaciones de resistencia que se expondrán, la relación (L1/L26L_1/L_2 \le 6). Este requisito va dirigido a garantizar una relación de inercias razonable, que en todo caso se podrá obtener de otro modo, pero que en ese caso deberá modelizarse de forma particular.
  2. Se prescinde de cualquier deslizamiento local en las uniones de las presillas y los cordones.

10.2.1 Soportes compuestos enlazados por separadores o presillas

  1. Los tipos de soportes considerados se muestran en la figura 10.3; son soportes formados por varios cordones enlazados con separadores o presillas.
  2. Las uniones pueden realizarse mediante clavos, encolado o pernos con conectores.
Soportes compuestos: a) con separadores. b) con presillas
Figura 10.3 Soportes compuestos: a) con separadores. b) con presillas

Para columnas con dos cordones de área A, el área Atot y el momento de inercia total Itot se determinan según las expresiones siguientes:

Atot = 2A

Itot = b((3h + a)3 - a3))/12

Para columnas con tres cordones, Atot y Itot se calculan según:

Atot = 3A

Itot = b((3h + 2a)3 - (h + 2a)3 + h3) / 12

siendo:

Atot y AA_{tot} \text{ y } A área total de la sección transversal del soporte y de un cordón, respectivamente.

Itot e IzI_{tot} \text{ e } I_z momento de inercia respecto al eje y y respecto al eje z, respectivamente.

a,b y ha, b \text{ y } h separación entre cordones, ancho y grueso del cordón, respectivamente.

10.2.1.1 Hipótesis
  1. Se tendrán en cuenta las hipótesis siguientes (véase figura 10.3):
    1. el soporte se encuentra sometido a carga axial concéntrica FcF_c;
    2. los soportes están biarticulados con una longitud l;
    3. los cordones son de una pieza con la longitud completa del soporte;
    4. la sección transversal se compone de 2, 3 ó 4 cordones iguales;
    5. la sección transversal tiene dos ejes de simetría;
    6. el número mínimo de tramos en los que queda dividido el soporte es de 3; es decir los cordones se encuentran conectados al menos en los extremos y en los dos puntos intermedios situados a los tercios de la longitud del soporte;
    7. la distancia libre entre cordones, a, no es superior a 3 veces el espesor del cordón, h, en soportes con separadores y no superior a 6 veces el espesor del cordón en soportes con presillas;
    8. los esfuerzos de los separadores y presillas se calculan de acuerdo con el apartado 10.2.1.3;
    9. la dimensión del separador, l2l_2, cumple la condición siguiente: l2/a1,5l_2/a \ge 1,5;
    10. la dimensión de la presilla, l2l_2, cumple la condición siguiente: l2/a2l_2/a \ge 2;
    11. existen como mínimo 4 clavos o 2 pernos con conectores en cada plano de cortante. En uniones clavadas existen al menos 4 clavos situados en una fila en cada extremo, en la dirección longitudinal del soporte.
10.2.1.2 Capacidad de carga
  1. Se tomará, como capacidad de carga del soporte, la que resulte menor de calcular a pandeo respecto a las dos direcciones principales (véase figura 10.3):
    1. Pandeo con desplazamiento en la dirección y (flectando respecto al eje z-z).
      Cada cordón se comprobará para resistir la carga Fc/n (n, número de cordones y Fc, carga axial concéntrica) aplicando la ecuación (6.30).
    2. Pandeo con desplazamiento en la dirección z (flectando respecto al eje y-y).
      Debe cumplirse que:

      σc,0,dkcfc,0,d\sigma_{c,0,d} \le k_c f_{c,0,d} (10.29)

      siendo:

      σc,0,d=Fc,SdAtot\sigma_{c,0,d} = \frac{F_{c,Sd}}{A_{tot}} (10.30)

      Fc,SdF_{c,Sd} valor de cálculo de la carga axial concéntrica aplicada;

      AtotA_{tot} área total de la sección transversal (véase figura 10.3);

      fc,0,df_{c,0,d} resistencia de cálculo a compresión paralela a la fibra de la madera del cordón;

      kck_c coeficiente de pandeo determinado según la ecuación (6.32) correspondiente a la esbeltez eficaz, λef\lambda_{ef}, que se establece a continuación:

      λef=λ2+ηn2λ12\lambda_{ef} = \sqrt{\lambda^2 + \eta \frac{n}{2} \lambda_1^2} (10.31)

      siendo:

      λ\lambda esbeltez mecánica de un soporte de sección maciza con la misma longitud (l), el mismo área (AtotA_{tot}) y el mismo momento de inercia (ItotI_{tot}), es decir:

      λ=lAtotItot\lambda = l \sqrt{\frac{A_{tot}}{I_{tot}}} (10.32)

      λ1\lambda_1 esbeltez mecánica de los cordones. Se tomará para λ1\lambda_1 el mayor de los dos valores siguientes:

      λ1=12l1h\lambda_1 = \sqrt{12} \frac{l_1}{h} (10.33)

      λ1=30\lambda_1 = 30 (10.34)

      l1 y hl_1 \text{ y } h según figura 10.3;

      nn número de cordones;

      η\eta factor obtenido de la Tabla 10.2.

Tabla 10.2 Factor η\eta
Duración de la carga (1) Unión de los separadores Unión de las presillas
Encolados Con clavos Con pernos y conectores Encoladas Clavadas
Permanente/larga 1 4 3,5 3 6
Media/corta 1 3 2,5 2 4,5
(1) Véase Clase de duración de la carga en el apartado 2.2.2.1
10.2.1.3 Esfuerzos en las piezas de fijación, separadores y presillas
  1. El esfuerzo en las piezas de fijación, separadores y presillas, debe deducirse de acuerdo con lo indicado en la figura 10.4, en función del esfuerzo cortante total en los cordones, VdV_d, obtenido mediante las expresiones siguientes:
Distribución de esfuerzos en cordones, separadores y presillas.
Figura 10.4 Distribución de esfuerzos en cordones, separadores y presillas.

Td=Vdl1/a1T_d = V_d \cdot l_1 / a_1

Vd=Fc,d120kc para λef<30V_d = \frac{F_{c,d}}{120 k_c} \text{ para } \lambda_{ef} < 30 (10.35)

Vd=Fc,dλef3600kc para 30λef<60V_d = \frac{F_{c,d} \cdot \lambda_{ef}}{3600 k_c} \text{ para } 30 \le \lambda_{ef} < 60 (10.36)

Vd=Fc,d60kc para 60λefV_d = \frac{F_{c,d}}{60 k_c} \text{ para } 60 \le \lambda_{ef} (10.37)

siendo:

Fc,dF_{c,d} valor de cálculo del esfuerzo axial aplicado;

λef\lambda_{ef} esbeltez eficaz obtenida de la ecuación (10.31);

kck_c coeficiente de pandeo asociado a la esbeltez mecánica λef\lambda_{ef}, obtenido en el punto b) del apartado 10.2.1.2.

  1. De la Figura 10.4 se establecen los esfuerzos, así como otras consideraciones relativas a esfuerzos y deslizamiento de las uniones, a tener en cuenta en el cálculo y dimensionado de cordones, separadores y presillas.
    1. Esfuerzo cortante en el cordón.
      Como consecuencia del cortante total, cada cordón deberá resistir un esfuerzo cortante perpendicular a la fibra, de valor:

      Vd/nV_d / n (10.38)

      siendo:

      VdV_d esfuerzo cortante total del soporte según las expresiones (10.35) a (10.37);

      nn número de cordones del soporte.

    2. Esfuerzos en separadores y presillas.
      Cada separador y presilla se calculará para resistir los siguientes esfuerzos:
      1. cortante:
        • soporte de dos cordones;

          T2,s,d=Vdl1/a1T_{2,s,d} = V_d \cdot l_1 / a_1 para cada separador (10.39)

          T2,p,d=0,5Vdl1/a1T_{2,p,d} = 0,5 \cdot V_d \cdot l_1 / a_1 para cada presilla (10.40)

        • soporte de tres cordones;

          T3,s,d=0,5Vdl1/a1T_{3,s,d} = 0,5 \cdot V_d \cdot l_1 / a_1 para cada separador (10.41)

          T3,p,d=0,25Vdl1/a1T_{3,p,d} = 0,25 \cdot V_d \cdot l_1 / a_1 para cada presilla (10.42)

        • soporte de cuatro cordones.

          T4,s,e,d=0,3Vdl1/a1T_{4,s,e,d} = 0,3 \cdot V_d \cdot l_1 / a_1 para cada separador extremo (10.43)

          T4,s,c,d=0,4Vdl1/a1T_{4,s,c,d} = 0,4 \cdot V_d \cdot l_1 / a_1 para cada separador central (10.44)

          T4,p,e,d=0,15Vdl1/a1T_{4,p,e,d} = 0,15 \cdot V_d \cdot l_1 / a_1 para cada presilla extrema (10.45)

          T4,p,c,d=0,2Vdl1/a1T_{4,p,c,d} = 0,2 \cdot V_d \cdot l_1 / a_1 para cada presilla central (10.46)

      2. momento (solamente para presillas):
        • soporte de dos cordones;

          M2,p,d=Tda1/4M_{2,p,d} = T_d \cdot a_1 / 4 para cada presilla (10.47)

        • soporte de tres cordones;

          M3,p,d=Tda1/3M_{3,p,d} = T_d \cdot a_1 / 3 para cada presilla (10.48)

        • soporte de cuatro cordones.

          M4,p,d=Tda1/2,4M_{4,p,d} = T_d \cdot a_1 / 2,4 para cada presilla (10.49)

        siendo:

        VdV_d esfuerzo cortante total del soporte definido en el punto a);

        Td=Vdl1/a1T_d = V_d \cdot l_1 / a_1;

        l1l_1 separación entre uniones con separadores o presillas (véase figura 10.3);

        a1=a+ha_1 = a + h;

        a y ha \text{ y } h separación entre cordones y grueso del cordón, respectivamente, (véase figura 10.3).

    3. Esfuerzos en las uniones (cordón-separador o cordón-presilla).
      La unión (cordón-separador o cordón-presilla), tanto encolada como con elementos mecánicos de fijación, deberá resistir los esfuerzos que le correspondan de los determinados anteriormente, ecuaciones (10.38) a (10.49).

10.3 Celosías

10.3.1 Disposiciones generales

  1. En las celosías cargadas predominantemente en los nudos, el índice que corresponde a la suma de los índices procedentes de la combinación de los esfuerzos axiales de compresión y de flexión, ecuaciones (6.19) y (6.20), se limita a 0,9 en vez de 1.
  2. Para las barras comprimidas, la longitud eficaz de pandeo es igual a la distancia máxima entre dos puntos de inflexión consecutivos de la deformada.
  3. Para celosías trianguladas en su totalidad, se tomará una longitud de pandeo en el plano de la celosía y en cada barra igual a la distancia entre dos los nudos que la definen. Así mismo, se comprobará la estabilidad de la celosía fuera de su plano.
  4. En las celosías en las que se realice un análisis simplificado, en las ecuaciones (6.1) y (6.4), la resistencia a tracción y compresión de la madera en la dirección de la fibra se reducirán en un 30% tomándose un valor de comparación con las tensiones de cálculo de 0,7 ft,0,df_{t,0,d} y de 0,7 fc,0,df_{c,0,d}.
  5. Todas las uniones deben ser capaces de transmitir una fuerza Fr,dF_{r,d} actuando en cualquier dirección dentro del plano de la celosía. Se supone que esta fuerza Fr,dF_{r,d} actúa durante un tiempo de aplicación corto, en una clase de servicio 2 y con el valor siguiente:

    Fr,d=1,0+0,1LF_{r,d} = 1,0 + 0,1 \cdot L (kN) (10.50)

    siendo:

    LL longitud total de la celosía en metros.

10.3.2 Celosías con uniones de placas dentadas

  1. Se deben aplicar los principios generales recogidos en 5.4.4. y los que se indican en este apartado.
  2. En celosías totalmente trianguladas en las que en las que una carga concentrada pequeña tiene una componente perpendicular a la barra inferior a 1,5 kN, y donde σc,0,d<0,4fc,d\sigma_{c,0,d} < 0,4 \cdot f_{c,d} y σt,0,d<0,4ft,d\sigma_{t,0,d} < 0,4 \cdot f_{t,d} los requisitos de los apartados 6.2.2 y 6.2.3 pueden remplazarse por:

    σm,d0,75fm,d\sigma_{m,d} \le 0,75 f_{m,d} (10.51)

  3. El solape mínimo de una placa dentada sobre cualquier barra de madera será superior a 40 mm y a un tercio del canto de la barra.
  4. Las placas dentadas utilizadas en los empalmes de cordones deben cubrir al menos 2/3 de la altura de la sección de la barra.

10.4 Diafragmas

10.4.1 Diafragmas de forjados y cubiertas

10.4.1.1 Análisis simplificado
  1. Este apartado se refiere a diafragmas simplemente apoyados de forjados y cubiertas, formados por tableros estructurales unidos al entramado de madera mediante elementos mecánicos de fijación (clavos, grapas, tirafondos, pernos).
  2. La capacidad de carga de los elementos de fijación en los bordes del tablero pueden incrementarse multiplicando por un factor de 1,2 los valores obtenidos con el capítulo 8 relativo al cálculo de uniones.
  3. El análisis simplificado de diafragmas simplemente apoyados solicitados por una carga uniformemente repartida puede realizarse como se indica más adelante siempre que se cumplan las condiciones siguientes:
    1. la luz L varía entre 2b y 6b, siendo b el canto del diafragma;
    2. el fallo del diafragma es debido a los medios de fijación y no a los tableros;
    3. los paneles se fijarán de acuerdo con las especificaciones dadas en el apartado 10.4.1.2.
    Los cordones de borde (véase figura 10.6) deben proyectarse para resistir el esfuerzo axil de tracción o compresión, N, derivado del momento flector:

    N = M / b (10.52)

    siendo:

    M = ql2/8 (10.53)

    Se supone que las tensiones tangenciales debidas a los esfuerzos cortantes que actúan sobre el diafragma se reparten uniformemente en todo el canto (b).
  4. Si los paneles se disponen al tresbolillo (véase figura 10.5) la separación entre clavos en los bordes discontinuos de encuentro entre paneles puede incrementarse un 50% más (hasta un máximo de 150 mm) sin aplicar reducción alguna en la capacidad de carga. Así mismo, se recomienda el uso de la disposición al tresbolillo.
Diafragma de forjado de cubierta con carga uniforme y tableros al tresbolillo
Figura 10.5 Diafragma de forjado de cubierta con carga uniforme y tableros al tresbolillo (no se dibujan los montantes que van sirviendo de apoyo a los tableros)
  1. Cordones de borde.
  2. disposición de empalmes de tableros al tresbolillo.
  3. Disposición de los tableros.
10.4.1.2 Consideraciones constructivas
  1. La aplicación del método simplificado de cálculo requiere que aquellos tableros que no estén soportados por viguetas o pares de cerchas se conecten unos a otros utilizando listones/cubrejuntas que permitan la fijación resistente del tablero en dicho borde (véase figura 10.6). Deben utilizarse clavos anillados, clavos corrugados o tirafondos con una separación máxima de 150 mm a lo largo de los bordes del tablero. En las líneas internas el espaciamiento máximo no será superior a 300 mm.
Ejemplos de uniones entre tableros y montantes.
figura 10.6 Ejemplos de uniones entre tableros y montantes.

10.4.2 Diafragma de muros

  1. En este apartado se establecen las condiciones específicas adicionales para que un entramado de madera con paramentos de tableros estructurales actúe como muro-diafragma con independencia de que el entramado (montantes, testeros, etc.) y los tableros tengan que calcularse para resistir otras combinaciones de acciones.
  2. Para garantizar el efecto diafragma vertical (arriostramiento-rigidez) los tableros deben ir unidos en todo su perímetro al entramado de madera mediante elementos mecánicos de fijación. Se fijarán también a las piezas de madera del entramado que queden dentro del perímetro del tablero (montantes centrales).
10.4.2.1 Principios generales
  1. La resistencia al descuadre de los muros-diafragma puede determinarse a partir de resultados de ensayos de prototipos que deben ajustarse a la norma UNE-EN 594:2011, o mediante el procedimiento simplificado descrito en el apartado 10.4.2.2)
10.4.2.2 Análisis simplificado
  1. Se denomina panel a un elemento que se cierra con un tablero y módulo a un sólo panel o varios que trabajan en conjunto.
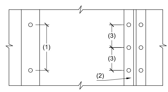
  2. La resistencia al descuadre, Fv,RdF_{v,Rd}, de un muro diafragma, que consta de uno o más paneles en los que cada tablero queda fijado a un solo lado del entramado de madera mediante elementos mecánicos de fijación, asegurado convenientemente al levantamiento (mediante fuerzas verticales o anclajes), solicitado por una fuerza horizontal FkF_k, que actúa en el borde superior, puede determinarse por el procedimiento simplificado que se indica a continuación, siempre que se cumplan las condiciones siguientes:
    1. La separación entre los elementos de fijación es constante a lo largo del perímetro de cada tablero y
    2. El ancho bib_i de cada panel es igual o superior a h/4.

      siendo:

      bi y hb_i \text{ y } h longitud y altura, respectivamente, del panel (véase figura 10.7).

Muro diafragma
Figura 10.7 Muro diafragma
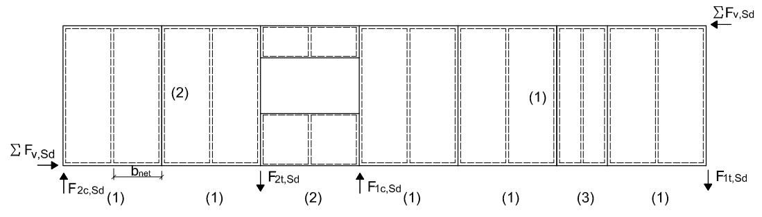
  1. El valor de cálculo de la resistencia al descuadre, Fv,RdF_{v,Rd} , de un muro diafragma que consta de varios paneles con un solo tablero fijado a un lado del entramado, puede calcularse aplicando la fórmula siguiente:

    Fv,Rd=ΣFi,v,RdF_{v,Rd} = \Sigma F_{i,v,Rd} (10.54)

    siendo:

    Fi,v,RdF_{i,v,Rd} la resistencia al descuadre de cada panel (véase figura 10.8) definida por la expresión:

    Fi,v,Rd=Ff,RdbicisF_{i,v,Rd} = \frac{F_{f,Rd} \cdot b_i \cdot c_i}{s} (10.55)

    donde:

    Ff,RdF_{f,Rd} valor de cálculo de la capacidad de carga lateral por elemento de fijación.

    ss separación entre elementos de fijación.

    bib_i anchura del módulo (b1,bi,bj,bnb_1, b_i, b_j, b_n, (véase figura 10.8));

    ss separación entre elementos de fijación;

    ci=1c_i = 1 para bih/2b_i \ge h/2;

    ci=bi/(h/2)c_i = b_i / (h/2) para bi<h/2b_i < h/2.

Solicitaciones sobre un panel
Figura 10.8 Solicitaciones sobre un panel
  1. La capacidad de carga obtenida de acuerdo con el capítulo 8 puede multiplicarse por 1,2 para los elementos de fijación dispuestos en el perímetro del tablero. En la determinación de la resistencia del paramento más débil, los medios de fijación de acuerdo con los requisitos del capítulo 8, los bordes deben considerarse como descargados.
  2. Aquellos paneles del muro diafragma que tengan huecos de puertas o ventanas no se consideran en la contribución a la resistencia al descuadre del grupo (muro diafragma). Para muros diafragma formados con módulos con tableros en las dos caras son de aplicación las reglas siguientes:
    1. si los tableros y medios de fijación son del mismo tipo y dimensión, la resistencia al descuadre del muro-diafragma es suma de las resistencias correspondientes a cada paramento;
    2. si en cada paramento se emplean diferentes tipos de tableros podrá añadirse a la resistencia al descuadre del paramento más resistente el 75% de la resistencia del paramento más débil, siempre que los medios de fijación tengan el mismo módulo de deslizamiento. En los restantes casos no debe añadirse más del 50% de la resistencia del paramento más débil.
  3. Las fuerzas externas Fi,c,SdF_{i,c,Sd} y Fi,t,SdF_{i,t,Sd} (véase figura 10.8) pueden determinarse mediante la expresión siguiente:

    Fi,c,Sd=Fi,t,Sd=Fi,v,SdhbiF_{i,c,Sd} = F_{i,t,Sd} = \frac{F_{i,v,Sd} \cdot h}{b_i} (10.56)

    siendo:

    Fi,v,SdF_{i,v,Sd} la fuerza que actúa sobre el panel i.

    Estas fuerzas pueden transmitirse a los módulos adyacentes del muro-diafragma o a la construcción situada por encima o por debajo. Si se transmiten fuerzas de tracción a la construcción situada por debajo, el panel debe anclarse adecuadamente. Si las fuerzas son de compresión los montantes deben comprobarse a pandeo de acuerdo con el apartado 6.3.2.2. En aquellos casos en los que los montantes descansan sobre los testeros debe comprobarse la compresión perpendicular a la fibra de acuerdo con el apartado 6.1.5.

  4. Las fuerzas externas Fv,SdF_{v,Sd} que se presentan en los módulos que contienen huecos de puertas o ventanas o paneles de ancho menor a h/4, pueden transmitirse a lo largo de todo el testero superior (véase figura 10.9) originando, igualmente, fuerzas que pueden ser de tracción o compresión en la construcción situada en el nivel superior e inferior.
  5. Puede despreciarse el pandeo del tablero si se cumple que:

    bnett65\frac{b_{net}}{t} \le 65 (10.57)

    siendo:

    bnetb_{net} espacio libre entre montantes (véase figura 10.9);

    tt espesor del tablero.

  6. Para que el montante central del módulo pueda considerarse que actúa como soporte del tablero la separación de los medios de fijación no debe ser superior al doble de la separación de los medios de fijación en el perímetro.
  7. Cuando cada módulo es un elemento de pared prefabricado, debe comprobarse que se realiza adecuadamente la transferencia de las fuerzas de corte entre módulos.
Ejemplo de un conjunto de muros diafragma con paneles que contienen huecos de puertas o ventanas y panel de anchura menor.
Figura 10.9 Ejemplo de un conjunto de muros diafragma con paneles que contienen huecos de puertas o ventanas y panel de anchura menor.
10.4.2.3 Consideraciones constructivas
  1. El método simplificado de cálculo definido anteriormente, supone que la fijación del tablero se efectúa con una separación máxima de los clavos o tirafondos, a lo largo de los bordes de 150 mm para los clavos y 200 mm para los tirafondos. En las líneas interiores la separación máxima será de 300 mm.
Fijación de tableros en panel de muro-diafragma.
Figura 10.10 Fijación de tableros en panel de muro-diafragma.
  1. Separación máxima entre clavos, 300 mm, en los montantes centrales.
  2. Montante perimetral.
  3. Separación máxima entre clavos, 150 mm, en los montantes perimetrales.

10.5 Arriostramientos

10.5.1 Piezas simples con restricciones intermedias

  1. En piezas simples comprimidas, que requieran restricciones laterales intermedias a intervalos aa (véase figura 10.11), las desviaciones iniciales de la forma recta entre los puntos de restricción deben tomarse, para su cálculo, como a/500 en elementos de madera laminada encolada y de madera microlaminada y a/300 en otras piezas.
  2. En casos de peritación se podrán admitir desviaciones iniciales mayores.
  3. Cada restricción intermedia debe aportar un coeficiente de rigidez mínimo C definido por la expresión siguiente:

    C=ksNdaC = k_s \frac{N_d}{a} (10.58)

    siendo:

    NdN_d valor medio de cálculo de la solicitación axil de compresión en la combinación más desfavorable;

    aa separación entre secciones arriostradas;

    ksk_s factor de modificación deducido de la expresión:

    ks=2(1+cosπ/m)k_s = 2 (1 + \cos \pi / m) (10.59)

    donde:

    mm número de vanos de longitud a.

Piezas simples con restricciones laterales intermedias.
Figura 10.11 Piezas simples con restricciones laterales intermedias.
  1. Como consecuencia de la restricción aportada por las barras de atado se genera en los puntos de arriostramiento una fuerza de estabilización, FdF_d, definida de la manera siguiente:
    1. Soportes o piezas comprimidas.
      El valor de cálculo de la fuerza de estabilización FdF_d, en cada punto de restricción de la pieza, debe tomarse como mínimo:

      Fd=Nd/80F_d = N_d / 80 para madera maciza; (10.60)

      Fd=Nd/100F_d = N_d / 100 para madera laminada encolada y microlaminada. (10.61)

    2. Vigas o piezas flectadas.
      El valor de cálculo de la fuerza de estabilización FdF_d , del borde comprimido de una viga o pieza flectada de sección rectangular, debe determinarse utilizando las expresiones (10.60) y (10.61), tomando como axil NdN_d, el valor deducido de la expresión siguiente:

      Nd=(1kcrit)MdhN_d = (1 - k_{crit}) \frac{M_d}{h} (10.62)

      siendo:

      kcritk_{crit} valor del factor por vuelco lateral (véase apartado 6.3.3.3), considerando la viga o pieza flectada no arriostrada lateralmente en toda su longitud;

      MdM_d momento flector máximo de cálculo en la viga, o pieza flectada;

      hh canto de la pieza simple flectada.

      Debe tenerse en cuenta que la fuerza de estabilización FdF_d puede actuar en ambos sentidos (compresión y tracción) en cada punto de restricción lateral. Y que además de la fuerza axial FdF_d, o la que resulte de la acumulación de dos o más fuerzas FdF_d procedentes de otras barras de atado (véase figura 10.12) pueden existir otras solicitaciones ocasionadas por cargas que soportan directamente.

Posible acumulación de cargas axiales en barras de atado
Figura 10.12 Posible acumulación de cargas axiales en barras de atado

El coeficiente de rigidez de un determinado apoyo es igual al valor de la carga necesaria para provocar un desplazamiento unidad.

Figura 10.13
Figura 10.13

10.5.2 Sistemas de vigas y cerchas con arriostramiento

  1. En una serie de n piezas paralelas (como vigas o pares de cerchas) que requieren restricciones laterales en puntos intermedios A, B, etc. (véase figura 10.14), debe disponerse un sistema de arriostramiento que, además de los esfuerzos debidos a otras acciones que pueden actuar (p.e. carga de viento), resista una carga lineal qdq_d definida mediante la ecuación:

    qd=k1nNd50Lq_d = k_1 \frac{n N_d}{50 \cdot L} (10.63)

    siendo:

    nn número de piezas arriostradas asociadas al arriostramiento;

    NdN_d valor medio (a lo largo del elemento puede existir un esfuerzo variable) de cálculo de la solicitación axil de compresión en la combinación más desfavorable;

    LL longitud de la pieza en m;

    k1k_1 Factor de imperfección corresponde al menor valor de los dos siguientes:

    k1=min{k1=1k1=15Lk_1 = \min \begin{cases} k_1 = 1 \\ k_1 = \sqrt{\frac{15}{L}} \end{cases} (10.64)

    La deformación horizontal del sistema de arriostramiento debida a qdq_d y a cualquier otra carga externa, no debe exceder L/500

Sistema de vigas o cerchas que requieren restricciones laterales
Figura 10.14 Sistema de vigas o cerchas que requieren restricciones laterales

Documento Básico SE - Seguridad Estructural

Versión m-2019