6 Estados límite últimos

  1. Para el caso de piezas de seccion constante, el paso de las solicitaciones de cálculo a tensiones de cálculo se podrá hacer según las fórmulas clásicas de Resistencia de Materiales salvo en las zonas en las que exista un cambio brusco de sección o, en general, un cambio brusco del estado tensional.

6.1 Agotamiento de secciones sometidas a tensiones orientadas según las direcciones principales

6.1.1 Principios generales

  1. Este apartado se aplica a la comprobación de solicitaciones en piezas de sección constante de madera maciza, laminada y productos estructurales derivados de la madera con la dirección de las fibras sensiblemente paralela a su eje axial.
  2. Se supone que las tensiones se orientan solamente según los ejes principales, según figura 6.1.
Ejes y dirección de la fibra en la pieza
Figura 6.1 Ejes y dirección de la fibra en la pieza

6.1.2 Tracción uniforme paralela a la fibra

  1. Debe cumplirse la siguiente condición: σt,0,dft,0,d\sigma_{t,0,d} \le f_{t,0,d} (6.1) siendo:
    • σt,0,d\sigma_{t,0,d} tensión de cálculo a tracción paralela a la fibra;
    • ft,0,df_{t,0,d} resistencia de cálculo a tracción paralela a la fibra.

6.1.3 Tracción uniforme perpendicular a la fibra

  1. Determinadas las tensiones de cálculo, debe cumplirse la siguiente condición: σt,90,dft,90,dmadera maciza\sigma_{t,90,d} \le f_{t,90,d} \quad \text{madera maciza} (6.2) σt,90,dkvolft,90,dmadera laminada encolada y madera microlaminada\sigma_{t,90,d} \le k_{vol} \cdot f_{t,90,d} \quad \text{madera laminada encolada y madera microlaminada} (6.3) siendo:
    • σt,90,d\sigma_{t,90,d} tensión de cálculo a tracción perpendicular a la fibra;
    • ft,90,df_{t,90,d} resistencia de cálculo a tracción perpendicular a la fibra;
    • kvolk_{vol} factor de volumen definido en el apartado 2.2.

6.1.4 Compresión uniforme paralela a la fibra

  1. Debe cumplirse la siguiente condición: σc,0,dfc,0,d\sigma_{c,0,d} \le f_{c,0,d} (6.4) siendo:
    • σc,0,d\sigma_{c,0,d} tensión de cálculo a compresión paralela a la fibra;
    • fc,0,df_{c,0,d} resistencia de cálculo a compresión paralela a la fibra.

6.1.5 Compresión uniforme perpendicular a la fibra

  1. Debe cumplirse la siguiente condición: σc,90,dkc,90fc,90,d\sigma_{c,90,d} \le k_{c,90} \cdot f_{c,90,d} (6.5) siendo σc,90,d=Fc,90,dAef\sigma_{c,90,d} = \frac{F_{c,90,d}}{A_{ef}} (6.6) siendo:
    • σc,90,d\sigma_{c,90,d} tensión de cálculo a compresión perpendicular a la fibra;
    • Fc,90,dF_{c,90,d} valor de cálculo de la carga de compresión perpendicular a la fibra;
    • AefA_{ef} área de contacto eficaz en compresión perpendicular a la fibra;
    • fc,90,df_{c,90,d} resistencia de cálculo a compresión perpendicular a la fibra.
    • kc,90k_{c,90} factor que tiene en cuenta la distribución de la carga, la posibilidad de hienda y la deformación máxima por compresión perpendicular.
      • kc,90=1,0k_{c,90} = 1,0 salvo que sean de aplicación las condiciones definidas en los párrafos siguientes
      • En el caso de durmientes (apoyo en continuo), siempre que l12hl_1 \ge 2h, (Figura 6.2a),
      • En el caso de piezas sobre apoyos aislados, siempre que l12hl_1 \ge 2h, (Figura 6.2b)
        • kc,90=1,5k_{c,90} = 1,5 para madera maciza de coníferas
        • kc,90=1,75k_{c,90} = 1,75 para madera laminada encolada de coníferas siempre que l400l \le 400 mm.
      • donde h es el canto de la pieza y l es la longitud de contacto.
  2. El área de contacto eficaz perpendicular a las fibras, AefA_{ef}, debe determinarse considerando una longitud eficaz paralela a la fibra, donde el área de contacto real, l, a cada lado se incrementa 30 mm, pero no más que l o l1/2l_1/2, (figura 6.2).
Longitud eficaz a compresión perpendicular a la fibra
Figura 6.2 Longitud eficaz a compresión perpendicular a la fibra. a) durmiente (apoyo en continuo) y b) apoyo aislado.

6.1.6 Flexión simple

  1. Debe cumplirse la siguiente condición: σm,dfm,d\sigma_{m,d} \le f_{m,d} (6.7) siendo:
    • σm,d\sigma_{m,d} tensión de cálculo a flexión;
    • fm,df_{m,d} resistencia de cálculo a flexión.

6.1.7 Flexión esviada

  1. Deben cumplirse las siguientes condiciones: σm,y,dfm,y,d+kmσm,z,dfm,z,d1\frac{\sigma_{m,y,d}}{f_{m,y,d}} + k_m \frac{\sigma_{m,z,d}}{f_{m,z,d}} \le 1 (6.8) kmσm,y,dfm,y,d+σm,z,dfm,z,d1k_m \frac{\sigma_{m,y,d}}{f_{m,y,d}} + \frac{\sigma_{m,z,d}}{f_{m,z,d}} \le 1 (6.9) siendo:
    • σm,y,d\sigma_{m,y,d} tensión de cálculo a flexión respecto al eje principal y, figura 6.1;
    • fm,y,df_{m,y,d} resistencia de cálculo a flexión respecto al eje principal y, figura 6.1;
    • σm,z,d\sigma_{m,z,d} tensión de cálculo a flexión respecto al eje principal z, figura 6.1;
    • fm,z,df_{m,z,d} resistencia de cálculo a flexión respecto al eje principal z, figura 6.1;
    • kmk_m factor que tiene en cuenta el efecto de redistribución de tensiones y la falta de homogeneidad del material en la sección transversal y adopta los valores siguientes:

6.1.8 Cortante

  1. Para solicitaciones de cortante con una de las componentes paralela a la dirección de la fibra (corte paralelo, figura 6.5.a), y para solicitaciones de cortante con ambas componentes perpendiculares a la dirección de la fibra (rodadura, figura 6.5.b), debe cumplirse la condición siguiente: τdfv,d\tau_d \le f_{v,d} (6.12) siendo:
    • τd\tau_d tensión de cálculo a cortante;
    • fv,df_{v,d} resistencia de cálculo a cortante (corte paralelo o rodadura). La resistencia a cortante por rodadura podrá considerarse igual al doble de la resistencia a tracción perpendicular a la fibra.
Tensiones de cortadura. a) corte paralelo. b) rodadura
Figura 6.5 Tensiones de cortadura. a) corte paralelo. b) rodadura
  1. Para la comprobación de cortante de piezas en flexión, debería tenerse en cuenta la influencia de las fendas utilizando un ancho eficaz de la pieza, befb_{ef}, definido por la expresión: bef=kcrbb_{ef} = k_{cr} b (6.13) siendo:
    • b es el ancho de la sección correspondiente de la pieza.
    • kcr=0,67k_{cr} = 0,67 para la madera maciza
    • kcr=0,67k_{cr} = 0,67 para la madera laminada encolada
    • kcr=1,0k_{cr} = 1,0 para otros productos derivados de la madera de acuerdo con las normas UNE-EN 13986:2006+A1:2015 y UNE-EN 14374:2005.
  2. Para la determinación del esfuerzo cortante pueden despreciarse las cargas F aplicadas en la parte superior de la viga que se encuentren dentro de una distancia h o hefh_{ef} al borde del apoyo, figura 6.6.
Situaciones de apoyo en las que parte de las cargas pueden despreciarse
Figura 6.6 Situaciones de apoyo en las que parte de las cargas (las representadas a trazos) pueden despreciarse en el cálculo del esfuerzo cortante.

6.1.9 Torsión

  1. Debe cumplirse la siguiente condición: τtor,dkformafv,d\tau_{tor,d} \le k_{forma} \cdot f_{v,d} (6.14) siendo:
    • τtor,d\tau_{tor,d} tensión tangencial de cálculo debida a la torsión;
    • fv,df_{v,d} resistencia de cálculo a cortante, definida en el apartado 6.1.8;
    • kformak_{forma} factor que depende de la forma de la sección transversal: kforma={1,2Seccioˊn circularmin{1+0,15hb2,0Seccioˊn rectangular (h > b)k_{forma} = \begin{cases} 1,2 & \text{Sección circular} \\ \min \begin{cases} 1 + 0,15 \frac{h}{b} \\ 2,0 \end{cases} & \text{Sección rectangular (h > b)} \end{cases} (6.15)
    No obstante, se recomienda reducir las tensiones de este origen a valores aun menores, cuando se trate de un torsor necesario para el equilibrio y no un torsor que aparezca por compatibilidad de deformaciones en estructuras hiperestáticas, y debido a que el torsor implica componentes de tensión perpendiculares a la fibra.

6.2 Solicitaciones combinadas en sección constante

  1. En las secciones sometidas a flexión y cortante basta que se cumplan las condiciones de flexión y cortante por separado.
  2. Las fórmulas que figuran a continuación se aplican a piezas prismáticas de sección constante de madera maciza, madera laminada encolada u otros productos estructurales derivados de la madera con la fibra sensiblemente paralela a la directriz de la pieza.

6.2.1 Compresión inclinada respecto a la fibra

  1. La tensión de compresión oblicua debe cumplir la condición siguiente: σc,α,dfc,0,dfc,0,dfc,90,dsin2α+cos2α\sigma_{c,\alpha,d} \le \frac{f_{c,0,d}}{\frac{f_{c,0,d}}{f_{c,90,d}} \sin^2 \alpha + \cos^2 \alpha} (6.16) siendo:
    • σc,α,d\sigma_{c,\alpha,d} tensión de cálculo a compresión con dirección α\alpha respecto a la fibra;
    • fc,0,df_{c,0,d} resistencia de cálculo a compresión paralela a la fibra;
    • fc,90,df_{c,90,d} resistencia de cálculo a compresión perpendicular a la fibra;
    • α\alpha ángulo representado en la figura 6.7.
Compresión inclinada respecto a la fibra (ángulo alpha)
Figura 6.7. Compresión inclinada respecto a la fibra (ángulo α)

6.2.2 Flexión y tracción axial combinadas

  1. Deben cumplirse las condiciones siguientes: σt,0,dft,0,d+σm,y,dfm,y,d+kmσm,z,dfm,z,d1\frac{\sigma_{t,0,d}}{f_{t,0,d}} + \frac{\sigma_{m,y,d}}{f_{m,y,d}} + k_m \frac{\sigma_{m,z,d}}{f_{m,z,d}} \le 1 (6.17) σt,0,dft,0,d+kmσm,y,dfm,y,d+σm,z,dfm,z,d1\frac{\sigma_{t,0,d}}{f_{t,0,d}} + k_m \frac{\sigma_{m,y,d}}{f_{m,y,d}} + \frac{\sigma_{m,z,d}}{f_{m,z,d}} \le 1 (6.18) siendo:
    • σt,0,d\sigma_{t,0,d} tensión de cálculo a tracción paralela;
    • ft,0,df_{t,0,d} resistencia de cálculo a tracción paralela;
    • σm,y,d\sigma_{m,y,d} tensión de cálculo a flexión respecto al eje y;
    • fm,y,df_{m,y,d} resistencia de cálculo a flexión respecto al eje y;
    • σm,z,d\sigma_{m,z,d} tensión de cálculo a flexión respecto al eje z;
    • fm,z,df_{m,z,d} resistencia de cálculo a flexión respecto al eje z;
    • kmk_m factor definido en el apartado 6.1.7.

6.2.3 Flexión y compresión axial combinadas

  1. Deben cumplirse las siguientes condiciones: (σc,0,dfc,0,d)2+σm,y,dfm,y,d+kmσm,z,dfm,z,d1\left( \frac{\sigma_{c,0,d}}{f_{c,0,d}} \right)^2 + \frac{\sigma_{m,y,d}}{f_{m,y,d}} + k_m \frac{\sigma_{m,z,d}}{f_{m,z,d}} \le 1 (6.19) (σc,0,dfc,0,d)2+kmσm,y,dfm,y,d+σm,z,dfm,z,d1\left( \frac{\sigma_{c,0,d}}{f_{c,0,d}} \right)^2 + k_m \frac{\sigma_{m,y,d}}{f_{m,y,d}} + \frac{\sigma_{m,z,d}}{f_{m,z,d}} \le 1 (6.20) siendo:
    • σc,0,d\sigma_{c,0,d} tensión de cálculo a compresión paralela;
    • fc,0,df_{c,0,d} resistencia de cálculo a compresión paralela;
    • σm,y,d\sigma_{m,y,d} tensión de cálculo a flexión respecto al eje y;
    • fm,y,df_{m,y,d} resistencia de cálculo a flexión respecto al eje y;
    • σm,z,d\sigma_{m,z,d} tensión de cálculo a flexión respecto al eje z;
    • fm,z,df_{m,z,d} resistencia de cálculo a flexión respecto al eje z;
    • kmk_m factor definido en el apartado 6.1.7.

6.2.4 Tracción perpendicular y cortante combinados

  1. Debe cumplirse la siguiente condición: τdfv,d+σt,90,dkvolft,90,d1\frac{\tau_d}{f_{v,d}} + \frac{\sigma_{t,90,d}}{k_{vol} f_{t,90,d}} \le 1 (6.21) siendo:
    • τd\tau_d tensión de cálculo a cortante;
    • fv,df_{v,d} resistencia de cálculo a cortante;
    • σt,90,d\sigma_{t,90,d} tensión de cálculo a tracción perpendicular a la fibra;
    • ft,90,df_{t,90,d} resistencia de cálculo a tracción perpendicular a la fibra;
    • kvolk_{vol} factor de volumen definido en el apartado 2.2.

6.3 Estabilidad de piezas.

6.3.1 Principios generales

  1. Además de las tensiones provocadas por la flexión debida a las cargas transversales deben tenerse en cuenta las tensiones provocadas por las imperfecciones geométricas de la pieza (combaduras), excentricidades inevitables de las cargas y uniones y desplazamientos inducidos.

6.3.2 Pandeo de columnas solicitadas a flexión compuesta. (Pandeo por flexión)

6.3.2.1 Definiciones:
  1. Esbeltez mecánica.
    Las esbelteces mecánicas de una pieza comprimida son las siguientes, (figura 6.8):
    1. para el pandeo en el plano xz, flectando respecto al eje y: λy=Lk,yiy\lambda_y = \frac{L_{k,y}}{i_y} (6.22)
    2. para el pandeo en el plano xy, flectando respecto al eje z: λz=Lk,ziz\lambda_z = \frac{L_{k,z}}{i_z} (6.23)
    siendo:
    • Lk,yL_{k,y} y Lk,zL_{k,z} longitudes de pandeo en los planos xz y xy, respectivamente. Lk,y=βyLL_{k,y} = \beta_y \cdot L (6.24) Lk,z=βzLL_{k,z} = \beta_z \cdot L (6.25)
    • L longitud del soporte o pieza;
    • βy\beta_y y βz\beta_z coeficientes que dependen de las condiciones de restricción de los extremos de la pieza para el movimiento en el plano xz y xy, respectivamente. Los valores de β\beta para los casos más habituales pueden consultarse en el anejo G;
    • iyi_y e izi_z radios de giro de la sección respecto a los ejes principales: y, z, respectivamente.
Ejes principales de la pieza comprimida, solicitada a compresión
Figura 6.8 Ejes principales de la pieza comprimida, solicitada a compresión.
  1. Esbeltez relativa.
    Se definen como esbelteces relativas de una pieza comprimida las siguientes: λrel,y=λyπfc,0,kE0,05\lambda_{rel,y} = \frac{\lambda_y}{\pi} \sqrt{\frac{f_{c,0,k}}{E_{0,05}}} (6.26) λrel,z=λzπfc,0,kE0,05\lambda_{rel,z} = \frac{\lambda_z}{\pi} \sqrt{\frac{f_{c,0,k}}{E_{0,05}}} (6.27) siendo:
    • σc,crit,y=π2E0,k/λy2\sigma_{c,crit,y} = \pi^2 E_{0,k} / \lambda_y^2 (6.28)
    • σc,crit,z=π2E0,k/λz2\sigma_{c,crit,z} = \pi^2 E_{0,k} / \lambda_z^2 (6.29)
    • E0,kE_{0,k} módulo de elasticidad paralelo a la fibra;
    • λy\lambda_y y λz\lambda_z esbelteces mecánicas.
6.3.2.2 Fórmulas para la comprobación de piezas simples
  1. Si λrel,y>0,3\lambda_{rel,y} > 0,3 y/o λrel,z>0,3\lambda_{rel,z} > 0,3, se comprobará este estado límite de la manera siguiente:
    1. En piezas de sección constante y compresión simple, deben cumplirse las condiciones siguientes: σc,0,dχc,yfc,0,d1\frac{\sigma_{c,0,d}}{\chi_{c,y} f_{c,0,d}} \le 1 (6.30) σc,0,dχc,zfc,0,d1\frac{\sigma_{c,0,d}}{\chi_{c,z} f_{c,0,d}} \le 1 (6.31) siendo:
      • σc,0,d\sigma_{c,0,d} tensión de cálculo a compresión paralela a la fibra;
      • fc,0,df_{c,0,d} resistencia de cálculo a compresión paralela a la fibra;
      • χc,y,χc,z\chi_{c,y}, \chi_{c,z} coeficientes de pandeo, obtenidos a partir de las siguientes expresiones: χc,y=1ky+ky2λrel,y2anaˊlogo para χc,z\chi_{c,y} = \frac{1}{k_y + \sqrt{k_y^2 - \lambda_{rel,y}^2}} \quad \text{análogo para } \chi_{c,z} (6.32) ky=0,5(1+βc(λrel,y0,3)+λrel,y2)anaˊlogo para kzk_y = 0,5(1 + \beta_c (\lambda_{rel,y} - 0,3) + \lambda_{rel,y}^2) \quad \text{análogo para } k_z (6.33) donde:
        • βc\beta_c factor asociado a la rectitud de las piezas, al que corresponden los valores siguientes:
        • λrel,y\lambda_{rel,y} esbeltez relativa según 6.3.2.1.
    2. Flexocompresión con momentos flectores adicionales al esfuerzo de compresión; Deben cumplirse las condiciones siguientes: σc,0,dχc,yfc,0,d+σm,y,dfm,y,d+kmσm,z,dfm,z,d1\frac{\sigma_{c,0,d}}{\chi_{c,y} f_{c,0,d}} + \frac{\sigma_{m,y,d}}{f_{m,y,d}} + k_m \frac{\sigma_{m,z,d}}{f_{m,z,d}} \le 1 (6.34) σc,0,dχc,zfc,0,d+kmσm,y,dfm,y,d+σm,z,dfm,z,d1\frac{\sigma_{c,0,d}}{\chi_{c,z} f_{c,0,d}} + k_m \frac{\sigma_{m,y,d}}{f_{m,y,d}} + \frac{\sigma_{m,z,d}}{f_{m,z,d}} \le 1 (6.35) siendo:
      • σc,0,d\sigma_{c,0,d} tensión de cálculo a compresión paralela;
      • fc,0,df_{c,0,d} resistencia de cálculo a compresión paralela;
      • σm,y,d\sigma_{m,y,d} tensión de cálculo a flexión respecto al eje y;
      • fm,y,df_{m,y,d} resistencia de cálculo a flexión respecto al eje y;
      • σm,z,d\sigma_{m,z,d} tensión de cálculo a flexión respecto al eje z;
      • fm,z,df_{m,z,d} resistencia de cálculo a flexión respecto al eje z;
      • kmk_m factor definido en el apartado 6.1.7;
      • km=0,7k_m = 0,7 (sección rectangular);
      • χc,y\chi_{c,y} y χc,z\chi_{c,z} coeficientes de pandeo según 6.3.2.2.
Tabla 6.1 Valores del factor de pandeo χc\chi_c (χc,y\chi_{c,y} o χc,z\chi_{c,z}), para las diferentes clases resistentes de madera maciza y laminada encolada, en función de la esbeltez mecánica y de la clase resistente
Clase Resistente Esbeltez mecánica de la pieza
2030405060708090100110120130140150160170180
C140,980,930,860,740,600,480,390,310,260,220,180,160,140,120,110,090,08
C160,990,940,870,770,640,510,410,340,280,230,200,170,150,130,110,100,09
C180,990,940,880,780,650,530,430,350,290,240,210,180,150,140,120,110,10
C200,990,940,880,780,660,540,430,350,290,250,210,180,160,140,120,110,10
C220,990,940,880,780,660,540,430,350,290,250,210,180,160,140,120,110,10
C240,990,950,890,800,680,550,450,370,310,260,220,190,160,140,120,110,10
C270,990,950,890,800,690,570,460,380,310,260,220,190,170,150,130,120,10
C300,990,950,880,790,670,550,440,360,300,250,220,190,160,140,120,110,10
C350,990,950,880,790,670,550,450,360,300,250,220,190,160,140,120,110,10
C400,990,950,890,800,690,560,460,380,310,260,220,190,170,150,130,120,10
C450,990,950,890,810,690,570,470,380,320,270,230,200,170,150,130,120,11
C500,990,950,890,810,690,570,470,380,320,270,230,200,170,150,130,120,11
D300,990,950,880,790,670,550,440,360,300,250,220,190,160,140,120,110,10
D350,990,950,880,790,670,550,450,360,300,250,220,190,160,140,120,110,10
D400,990,950,890,800,690,560,460,380,310,260,220,190,170,150,130,120,10
D501,000,960,910,830,730,610,500,420,350,290,250,210,190,160,150,130,12
D601,000,960,920,850,760,650,540,450,380,320,270,230,200,180,160,140,13
D701,000,970,930,870,790,690,580,490,410,350,300,260,220,200,170,160,14
GL24h1,000,980,950,890,800,660,540,440,360,300,250,220,190,160,150,130,12
GL28h1,000,980,950,890,790,650,530,430,350,290,250,210,190,160,140,130,11
GL32h1,000,980,940,890,790,650,520,430,350,290,250,210,180,160,140,130,11
GL36h1,000,980,940,890,790,650,530,430,350,290,250,210,180,160,140,130,11
GL24c1,000,980,960,910,840,720,600,490,410,340,290,250,210,190,170,150,13
GL28c1,000,980,950,910,820,700,570,470,390,320,270,240,200,180,160,140,12
GL32c1,000,980,950,900,820,690,570,460,380,320,270,230,200,180,160,140,12
GL36c1,000,980,950,900,810,680,560,450,370,310,270,230,200,170,150,130,12

6.3.3 Vuelco lateral de vigas

6.3.3.1 Consideraciones generales
  1. No será necesaria la comprobación a vuelco lateral en aquellas vigas o piezas en las que se impide el desplazamiento lateral de la pieza de forma continua o casi continua (como en el caso de diafragmas definido en 10.4.1.2).
  2. En este apartado se incluye la comprobación al vuelco lateral por torsión para los dos casos siguientes:
    1. flexión respecto al eje fuerte (y-y), con momento My,dM_{y,d};
    2. flexión My,dM_{y,d} combinada con un esfuerzo axial de compresión Nc,dN_{c,d}.
6.3.3.2 Definiciones
  1. Esbeltez relativa a flexión.
    La esbeltez relativa a flexión, λrel,m\lambda_{rel,m}, de una viga se determina mediante la siguiente expresión: λrel,m=fm,kσm,crit\lambda_{rel,m} = \sqrt{\frac{f_{m,k}}{\sigma_{m,crit}}} (6.36) siendo:
    • fm,kf_{m,k} resistencia característica a flexión;
    • σm,crit\sigma_{m,crit} tensión crítica a flexión calculada de acuerdo con la teoría de la estabilidad elástica, utilizando los valores característicos de los módulos de elasticidad, que en piezas de directriz recta y sección constante puede obtenerse a partir de la expresión siguiente: σm,crit=My,critWy=πE0,kIzG0,kItorβvLefWy\sigma_{m,crit} = \frac{M_{y,crit}}{W_y} = \frac{\pi \sqrt{E_{0,k} \cdot I_z \cdot G_{0,k} \cdot I_{tor}}}{\beta_v \cdot L_{ef} \cdot W_y} (6.37) siendo:
      • E0,kE_{0,k} módulo de elasticidad longitudinal característico;
      • G0,kG_{0,k} módulo de elasticidad transversal característico;
      • βv\beta_v coeficiente que define la longitud eficaz a vuelco lateral. Depende de las condiciones de apoyo y de la ley de cargas, tabla 6.2;
      • IzI_z momento de inercia respecto al eje débil;
      • ItorI_{tor} módulo de torsión;
      • LefL_{ef} longitud eficaz de vuelco lateral de la viga: Lef=βvLL_{ef} = \beta_v \cdot L (6.38) donde:
        • L luz de la viga;
        • βv\beta_v coeficiente que depende de las condiciones de carga y de la restricción de los extremos, obtenido según tabla 6.2;
      • WyW_y módulo resistente respecto al eje fuerte.
    La tensión crítica de flexión en piezas de madera de conífera de directriz recta y sección rectangular, puede obtenerse a partir de la siguiente expresión: σm,crit=0,78E0,kb2Lefh\sigma_{m,crit} = 0,78 \cdot \frac{E_{0,k} \cdot b^2}{L_{ef} \cdot h} (6.39) siendo:
    • E0,kE_{0,k} módulo de elasticidad longitudinal característico;
    • b anchura de la sección;
    • h altura (canto) de la sección.
Tabla 6.2 Valores del coeficiente βv\beta_v para vigas de sección constante con diferentes condiciones de carga y de restricción en los extremos.
Tipo de carga y viga βv=Lef/L\beta_v = L_{ef} / L
Viga con momento constante βv=1,00\beta_v = 1,00
Viga con carga uniforme βv=0,95\beta_v = 0,95
Viga con carga puntual en el centro βv=0,80/α\beta_v = 0,80/\alpha
α=1,351,4x(Lx)/L2\alpha = 1,35 - 1,4 \cdot x(L - x)/L^2
Ménsula con carga puntual en el extremo βv=2,00\beta_v = 2,00
Ménsula con carga uniforme βv=1,20\beta_v = 1,20
Ménsula con momento en el extremo βv=1,70\beta_v = 1,70
Viga continua con carga puntual βv=0,40\beta_v = 0,40
Viga continua con carga uniforme βv=0,25\beta_v = 0,25
Los valores que se dan en esta tabla son válidos para una viga cargada en su centro de gravedad y con la torsión impedida en los apoyos. Si la carga se aplica en el borde comprimido la longitud eficaz LefL_{ef} se incrementará en 2h2h y si es aplicada en el borde traccionado se reducirá en 0,5h0,5h, siendo h el canto de la pieza.
T: sección central con desplazamiento lateral impedido en el borde superior.
  1. Los ejemplos indicados en la tabla 6.2 tienen impedido el desplazamiento lateral en los apoyos y en los dos últimos casos representados, también, en un punto intermedio. Generalmente, el sistema de arriostramiento en vigas de cierta luz inmoviliza varios puntos intermedios y no son aplicables directamente estos casos. En el caso de vigas biapoyadas esta comprobación se realiza para el tramo arriostrado, donde el momento es mayor, tomándose como distancia entre secciones arriostradas la correspondiente al tramo central, con βv=1\beta_v=1, como si el momento fuera constante.
6.3.3.3 Comprobación de piezas de directriz recta y sección constante
  1. La comprobación a vuelco lateral no será necesaria en vigas que cumplan la condición λrel,m0,75\lambda_{rel,m} \le 0,75
  2. Vuelco lateral en flexión simple. Debe cumplirse la siguiente condición: σm,dkcritfm,d\sigma_{m,d} \le k_{crit} \cdot f_{m,d} (6.40) siendo:
    • σm,d\sigma_{m,d} tensión de cálculo a flexión;
    • fm,df_{m,d} resistencia de cálculo a flexión;
    • kcritk_{crit} coeficiente de vuelco lateral, obtenido a partir de las expresiones siguientes: kcrit=1,560,75λrel,mpara 0,75<λrel,m1,4k_{crit} = 1,56 - 0,75\lambda_{rel,m} \quad \text{para } 0,75 < \lambda_{rel,m} \le 1,4 (6.41) kcrit=1/λrel,m2para 1,4<λrel,mk_{crit} = 1/\lambda_{rel,m}^2 \quad \text{para } 1,4 < \lambda_{rel,m} (6.42) donde:
      • λrel,m\lambda_{rel,m} esbeltez relativa a flexión según 6.3.3.2.
    En la tabla 6.3 se dan los valores de kcritk_{crit} de piezas de sección rectangulares en función de la clase resistente y del coeficiente CeC_e definido por la expresión: Ce=Lefhb2C_e = \sqrt{\frac{L_{ef} \cdot h}{b^2}} (6.42) siendo:
    • LefL_{ef} longitud eficaz de vuelco de la viga;
    • h altura, canto de la sección;
    • b anchura de la sección.
  3. Vuelco lateral en flexocompresión. Cuando actúa un momento flector My,dM_{y,d} (respecto al eje fuerte) combinado con un esfuerzo axial de compresión Nc,dN_{c,d}, debe cumplirse la siguiente condición: (σm,dkcritfm,d)2+σc,0,dχc,zfc,0,d1\left( \frac{\sigma_{m,d}}{k_{crit} f_{m,d}} \right)^2 + \frac{\sigma_{c,0,d}}{\chi_{c,z} f_{c,0,d}} \le 1 (6.43) siendo:
    • σc,0,d\sigma_{c,0,d} tensión de cálculo a compresión;
    • fc,0,df_{c,0,d} resistencia de cálculo a compresión;
    • χc,z\chi_{c,z} coeficiente de pandeo por flexión respecto al eje z (eje débil) definido en 6.3.2.2
  4. En este caso debe comprobarse también la inestabilidad al pandeo por flexión (véase el apartado 6.3.2.2), ya que en este apartado se ha contemplado sólo el pandeo por torsión.
Tabla 6.3 Valores del coeficiente de vuelco lateral, kcritk_{crit}, para vigas de directriz recta y sección rectangular constante, según la clase resistente y el coeficiente CeC_e.
Clase Resistente Coeficiente de esbeltez geométrica CeC_e
101214161820222426283032343638
C141,001,000,910,820,730,630,540,450,390,330,290,260,230,200,18
C161,001,000,910,820,730,640,540,460,390,340,290,260,230,200,18
C181,001,000,910,820,720,630,540,450,380,330,290,250,220,200,18
C201,000,990,900,800,710,610,520,430,370,320,280,240,220,190,17
C221,000,980,880,780,680,590,490,410,350,300,260,230,210,180,16
C241,000,980,880,790,690,590,500,420,360,310,270,230,210,190,17
C271,000,970,870,770,670,570,480,400,340,290,260,230,200,180,16
C301,000,940,830,730,620,520,430,360,310,270,230,200,180,160,14
C351,000,910,810,700,590,480,400,340,290,250,220,190,170,150,13
C401,000,900,780,670,560,460,380,320,270,230,200,180,160,140,13
C450,990,880,760,650,530,430,360,300,260,220,190,170,150,130,12
C500,980,860,750,630,520,420,340,290,250,210,190,160,140,130,12
D301,000,940,830,730,620,520,430,360,310,270,230,200,180,160,14
D351,000,910,810,700,590,480,400,340,290,250,220,190,170,150,13
D401,000,900,780,670,560,460,380,320,270,230,200,180,160,140,13
D501,000,900,790,680,570,460,380,320,270,230,200,180,160,140,13
D601,000,900,790,680,570,460,380,320,280,240,210,180,160,140,13
D701,000,900,790,680,570,470,390,330,280,240,210,180,160,140,13
GL24h-c1,001,000,960,870,790,700,620,530,450,390,340,300,260,240,21
GL28h-c1,001,000,940,850,760,670,580,490,420,360,320,280,250,220,20
GL32h-c1,001,000,920,830,740,650,560,470,400,350,300,260,230,210,19
GL36h-c1,001,000,910,810,720,630,530,450,380,330,290,250,220,200,18

6.4 Agotamiento de secciones en piezas de canto variable o curvas de madera laminada encolada o microlaminada

6.4.1 Consideraciones generales

  1. En este apartado se analizan aspectos singulares del análisis y la comprobación, como el efecto del desvío de la fibra en piezas de canto variable y las tensiones perpendiculares a la dirección de la fibra que se presentan en piezas de canto variable o curvas. También se considera la pérdida de resistencia a flexión debida al curvado de las láminas.

6.4.2 Vigas de canto variable y raras sin cambio de pendiente

  1. En estas vigas (figura 6.9) se presentan, en las secciones transversales al borde horizontal (borde paralelo a las láminas) leyes de distribución de tensiones normales debidas a la flexión que no son lineales. También las propiedades resistentes están afectadas por el desvío de la fibra en el borde inclinado.
Viga a un agua
Figura 6.9 Viga a un agua (Se llama borde paralelo a la cara que marca la direccion del laminado, e inclinado al opuesto, bajo la consideración de que se mantiene el sistema de laminación. Existen otras formas de laminación, pero no se contemplan en este Documento Básico)
  1. En las fibras extremas las tensiones de cálculo a flexión en el borde paralelo y en el inclinado con relación a la dirección de la fibra, σm,0,d\sigma_{m,0,d} y σm,α,d\sigma_{m,\alpha,d}, respectivamente, deben cumplir las condiciones siguientes: σm,0,dfm,den borde paralelo respecto a la direccioˊn de la fibra\sigma_{m,0,d} \le f_{m,d} \quad \text{en borde paralelo respecto a la dirección de la fibra} (6.44) σm,α,dkm,αfm,den borde inclinado respecto a la direccioˊn de la fibra\sigma_{m,\alpha,d} \le k_{m,\alpha} \cdot f_{m,d} \quad \text{en borde inclinado respecto a la dirección de la fibra} (6.45) siendo:
    • fm,df_{m,d} resistencia de cálculo a flexión;
    • km,αk_{m,\alpha} coeficiente definido a continuación.
    si las tensiones son de tracción (figura 6.10), km,α=11+(fm,d0,75fv,dtanα)2+(fm,dft,90,dtan2α)2k_{m,\alpha} = \frac{1}{\sqrt{1 + \left( \frac{f_{m,d}}{0,75 \cdot f_{v,d}} \cdot \tan \alpha \right)^2 + \left( \frac{f_{m,d}}{f_{t,90,d}} \cdot \tan^2 \alpha \right)^2}} (6.46)
Tensiones de tracción en el borde inclinado
Figura 6.10 Tensiones de tracción en el borde inclinado (la zona rayada representa la dirección de laminado)

si las tensiones son de compresión (figura 6.11),

Tensiones de compresión en el borde inclinado (la zona rayada representa la dirección de laminado)
Figura 6.11 Tensiones de compresión en el borde inclinado (la zona rayada representa la dirección de laminado).

6.4.3 Viga a dos aguas o con cambio de pendiente en una de las caras

  1. Las comprobaciones que se indican a continuación son aplicables únicamente a piezas de madera laminada encolada o de madera microlaminada. Se define la zona de vértice, según la figura 6.12, como una zona localizada en el cambio de pendiente, siendo el semivano el resto. Se comprobará:
    1. en los semivanos. En los dos tramos de viga con canto variable (figura 6.12), se realizarán las comprobaciones indicadas en el apartado 6.4.2;
Viga a dos aguas
Figura 6.12. Viga a dos aguas
  1. en la zona del vértice (zona rayada de la figura 6.12. El rayado se hace sólo para indicar la zona, ya que el laminado se supone paralelo a la cara inferior con pendiente constante):
    1. tensiones normales debidas a la flexión en la zona del vértice:
      • en la zona del vértice, la tensión de cálculo a flexión, σm,d\sigma_{m,d}, debe cumplir la siguiente condición: σm,dkrfm,d\sigma_{m,d} \le k_r f_{m,d} (6.48) siendo:
        • fm,df_{m,d} resistencia de cálculo a flexión.
      • la tensión de flexión en la sección central de la zona de vértice, σm,d\sigma_{m,d}, puede obtenerse a partir de la siguiente ecuación (la clásica fórmula de resistencia de materiales modificada por el coeficiente klk_l): σm,d=kl6Map,dbhap2\sigma_{m,d} = k_l \frac{6 M_{ap,d}}{b h_{ap}^2} (6.49) siendo:
        • kl=1+1,4tanαap+5,4tan2αapk_l = 1 + 1,4 \tan \alpha_{ap} + 5,4 \tan^2 \alpha_{ap} (6.50)
        • Map,dM_{ap,d} momento flector máximo de cálculo en la sección del vértice;
        • b anchura de la sección;
        • haph_{ap} altura de sección en el vértice de la viga (figura 6.12);
        • αap\alpha_{ap} ángulo del faldón (figura 6.12).
    2. tensiones de tracción perpendicular a la fibra:
      • la tensión de cálculo máxima de tracción perpendicular a la fibra, σt,90,d\sigma_{t,90,d}, debe cumplir la siguiente condición: σt,90,dkdiskvolft,90,d\sigma_{t,90,d} \le k_{dis} \cdot k_{vol} \cdot f_{t,90,d} (6.51) siendo:
        • σt,90,d=0,2tanαap6Map,dbhap20,6pdb\sigma_{t,90,d} = 0,2 \tan \alpha_{ap} \frac{6 M_{ap,d}}{b h_{ap}^2} - 0,6 \frac{p_d}{b} (6.52)
        • kdis=1,4k_{dis} = 1,4 coeficiente que tiene en cuenta el efecto de la distribución de tensiones de tracción perpendicular en la zona de vértice;
        • kvolk_{vol} factor de volumen definido en el apartado 2.2.1.2. En este caso, V, es el volumen, en m³, de la zona de vértice (figuras 6.13 y 6.14). Como valor máximo de V debe tomarse 2/3 del volumen total de la viga; V0=0,01m3V_0 = 0,01 m^3;
        • ft,90,df_{t,90,d} resistencia de cálculo a tracción perpendicular a la fibra;
        • pdp_d carga distribuida de compresión sobre la zona del vértice en el borde superior de la viga;
        • b ancho de la sección transversal de la viga.
  1. Además, debe realizarse la comprobación a cortante según el apartado 6.1.8.

6.4.4 Vigas con partes de su trazado curvadas.

  1. Este apartado se refiere a vigas cuyo alzado se corresponde con uno de los dos representados en las figuras 6.13 y 6.14. Se ejemplifica en casos simétricos en los que la zona de vértice, correspondiente al trazado en curva, está en el centro.
Figura 6.13 Viga curva de canto constante (la laminación es paralela a las caras)
Figura 6.13 Viga curva de canto constante (la laminación es paralela a las caras)
Figura 6.13 Viga curva de canto constante (la laminación es paralela a las caras)
Figura 6.14 Viga a dos aguas con intradós curvo (la laminación se interrumpe en la zona del vértice, en el cambio de pendiente, pero no en las zonas próximas al intradós)

Deben efectuarse las comprobaciones siguientes:

  1. en los tramos de directriz recta de la viga (exteriores a la zona del vértice):
    1. en los dos tramos de directriz recta y canto constante de la viga (figura 6.13), se realizarán las comprobaciones ya indicadas para piezas de sección constante (apartados 6.1, 6.2 y 6.3);
    2. en los tramos de directriz recta y canto variable de la viga, figura 6.14, se realizarán, además de las comprobaciones ya indicadas para piezas de sección constante (apartados 6.1, 6.2 y 6.3), las del apartado 6.4.2 para piezas de canto variable.
    3. en los tramos de directriz recta se realizará una comprobación a cortante según el apartado 6.1.8.
  2. en la zona del vértice (zona rayada de las figuras 6.13 y 6.14). Se realizarán las comprobaciones siguientes:
    1. tensiones de flexión. La tensión de cálculo a flexión, σm,d\sigma_{m,d}, debe cumplir la siguiente condición: σm,dkrfm,d\sigma_{m,d} \le k_r f_{m,d} (6.53) siendo: σm,d=kl6Map,dbhap2\sigma_{m,d} = k_l \frac{6 M_{ap,d}}{b h_{ap}^2} (6.54) donde: kl=k1+k2(hapr)+k3(hapr)2+k4(hapr)3k_l = k_1 + k_2 \left( \frac{h_{ap}}{r} \right) + k_3 \left( \frac{h_{ap}}{r} \right)^2 + k_4 \left( \frac{h_{ap}}{r} \right)^3 (6.55)
      • k1=1+1,4tanαap+5,4tan2αapk_1 = 1 + 1,4 \tan \alpha_{ap} + 5,4 \tan^2 \alpha_{ap} (6.56)
      • k2=0,358tanαapk_2 = 0,35 - 8 \tan \alpha_{ap} (6.57)
      • k3=0,6+8,3tanαap7,8tan2αapk_3 = 0,6 + 8,3 \tan \alpha_{ap} - 7,8 \tan^2 \alpha_{ap} (6.58)
      • k4=6tan2αapk_4 = 6 \tan^2 \alpha_{ap} (6.59)
      • Map,dM_{ap,d} momento flector de cálculo en la sección del vértice;
      • b anchura de la sección;
      • haph_{ap} altura de sección en el vértice de la viga, figuras 6.13 y 6.14;
      • αap\alpha_{ap} ángulo definido en las figuras 6.13 y 6.14;
      • fm,df_{m,d} resistencia de cálculo a flexión;
      • r=rin+0,5hapr = r_{in} + 0,5 h_{ap} (6.60)
      • rinr_{in} radio del intradós de la viga;
      • krk_r coeficiente de curvatura que tiene en cuenta la pérdida de resistencia de la madera debida al curvado de las láminas en el proceso de fabricación. Adopta los valores siguientes: kr={1para rint2400,76+0,001rintpara rint<240k_r = \begin{cases} 1 & \text{para } \frac{r_{in}}{t} \ge 240 \\ 0,76 + 0,001 \frac{r_{in}}{t} & \text{para } \frac{r_{in}}{t} < 240 \end{cases} (6.61, 6.62)
      • t espesor de la lámina.
    2. tensiones de tracción perpendicular a la fibra. La tensión máxima de cálculo a tracción perpendicular a la fibra, σt,90,d\sigma_{t,90,d}, debe cumplir la siguiente condición: σt,90,dkdiskvolft,90,d\sigma_{t,90,d} \le k_{dis} \cdot k_{vol} \cdot f_{t,90,d} (6.63) siendo: σt,90,d=kp6Map,dbhap20,6pdb\sigma_{t,90,d} = k_p \frac{6 M_{ap,d}}{b h_{ap}^2} - 0,6 \frac{p_d}{b} (6.64) donde:
      • pdp_d carga distribuida (de compresión) aplicada en la zona de vértice sobre el borde superior de la viga;
      • b ancho de la viga;
      • Map,dM_{ap,d} momento flector de cálculo en la sección de vértice;
      • haph_{ap} altura de la sección en el vértice de la viga, figuras 6.13 y 6.14.
      • kp=k5+k6(hapr)+k7(hapr)2k_p = k_5 + k_6 \left( \frac{h_{ap}}{r} \right) + k_7 \left( \frac{h_{ap}}{r} \right)^2 (6.65)
      • k5=0,2tanαapk_5 = 0,2 \tan \alpha_{ap} (6.66)
      • k6=0,251,5tanαap+2,6tan2αapk_6 = 0,25 - 1,5 \tan \alpha_{ap} + 2,6 \tan^2 \alpha_{ap} (6.67)
      • k7=2,1tanαap4tan2αapk_7 = 2,1 \tan \alpha_{ap} - 4 \tan^2 \alpha_{ap} (6.68)
      • kvolk_{vol} factor de volumen definido en el apartado 2.1.1.2. En este caso, V, es el volumen, en m³, de la zona de vértice (figuras 6.13 y 6.14). Como valor máximo de V debe tomarse 2/3 del volumen total de la viga; V0=0,01m3V_0 = 0,01 m^3;
      • kdisk_{dis} coeficiente de distribución que adopta los valores siguientes:
        • kdis=1,4k_{dis} = 1,4 para la viga representada en la figura 6.13;
        • kdis=1,7k_{dis} = 1,7 para la viga representada en la figura 6.14;
      • ft,90,df_{t,90,d} resistencia de cálculo a tracción perpendicular a la fibra.
      • r=rin+0,5hapr = r_{in} + 0,5 h_{ap}
  1. Además, debe realizarse la comprobación a cortante según el apartado 6.1.8.

6.5 Piezas rebajadas

6.5.1 Principios generales

  1. La existencia de un rebaje implica una concentración de tensiones. Se podrá evitar la comprobación al respecto en los siguientes casos:
    1. solicitaciones axiles de tracción o compresión paralela a la fibra;
    2. solicitación de flexión provocando tracciones en la zona del rebaje si su pendiente no es mayor que 1:10 (i:l), figura 6.15 (izquierda);
    3. solicitación de flexión provocando compresiones en la zona del rebaje, figura 6.15 (derecha).
Flexión en la zona rebajada. Izquierda: tensiones de tracción en el rebaje; derecha: tensiones de compresión en el rebaje
Figura 6.15 Flexión en la zona rebajada. Izquierda: tensiones de tracción en el rebaje; derecha: tensiones de compresión en el rebaje.

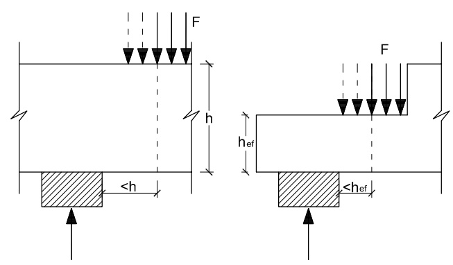
6.5.2 Vigas con rebaje en la zona de apoyo

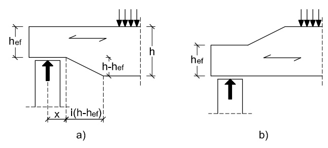
  1. En las vigas con los extremos rebajados debe tenerse en cuenta la influencia de la concentración de tensiones, figura 6.16. Para las vigas de sección rectangular con la fibra sensiblemente paralela al eje esta influencia se considera haciendo la comprobación siguiente:
    Extremos rebajados de vigas
    Figura 6.16 Extremos rebajados de vigas.
    τd=1,5Vdbhefkvfv,d\tau_d = \frac{1,5 \cdot V_d}{b \cdot h_{ef}} \le k_v \cdot f_{v,d} (6.69) siendo:
    • VdV_d esfuerzo cortante de cálculo en la viga;
    • hefh_{ef} canto eficaz, véase figura 6.16;
    • kvk_v factor de reducción que adopta los valores siguientes:
      • en el apoyo extremo de vigas con el rebaje en la parte superior (figura 6.16.b); kv=1k_v = 1
      • en el apoyo extremo de vigas con el rebaje en la parte inferior, (figura 6.16.a). kv=min{1kn(1+1,1i1,5h)h(α(1α)+0,8xh1αα2)k_v = \min \begin{cases} 1 \\ \frac{k_n \cdot \left( 1 + \frac{1,1 \cdot i^{1,5}}{\sqrt{h}} \right)}{\sqrt{h} \cdot \left( \sqrt{\alpha \cdot (1 - \alpha)} + 0,8 \cdot \frac{x}{h} \sqrt{\frac{1}{\alpha} - \alpha^2} \right)} \end{cases} (6.70)
        • i define la inclinación del rebaje (figura 6.16.a);
        • h canto de la viga en mm (figura 6.16.a);
        • x distancia desde el eje del apoyo hasta el final del rebaje (figura 6.16.a).
        • α=hef/h\alpha = h_{ef} / h
        • kn={4,5Para madera microlaminada5,0Para madera maciza6,5Para madera laminada encoladak_n = \begin{cases} 4,5 & \text{Para madera microlaminada} \\ 5,0 & \text{Para madera maciza} \\ 6,5 & \text{Para madera laminada encolada} \end{cases} (6.71)

6.6 Piezas con agujeros

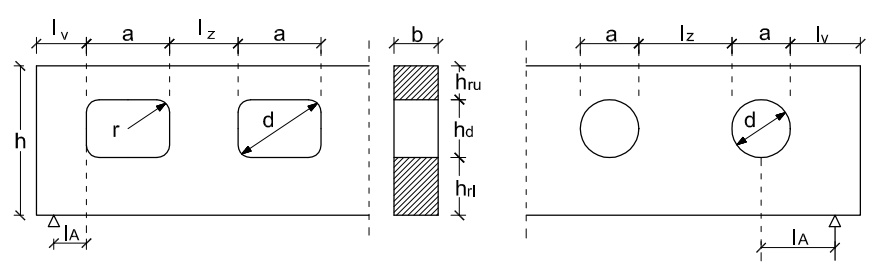
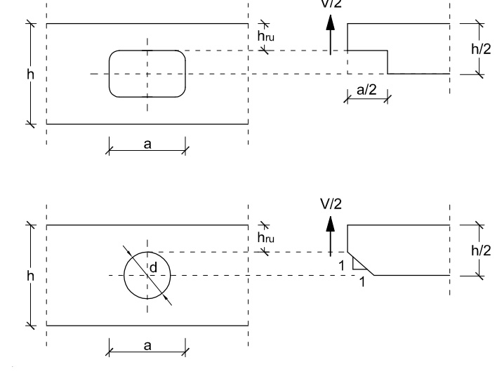
  1. La comprobación de la resistencia a cortante de una pieza con agujeros como los indicados en la figura 6.17, y bajo las condiciones siguientes:
    • lvhl_v \ge h
    • lzmax(h,300 mm)l_z \ge \max(h, 300\text{ mm})
    • lAh/2l_A \ge h/2
    • hru0,25hh_{ru} \ge 0,25h
    • hrl0,25hh_{rl} \ge 0,25h
    • aha \le h
    • hd0,4hh_d \le 0,4h
    • r15 mmr \ge 15\text{ mm}
    se basa en la comprobación una viga equivalente con una entalladura según se ilustra en la figura 6.18 y utilizando el método de comprobación expuesto en el apartado 6.5.2.

    Como modelo de análisis se considera el usual modelo simplificado para viga Vierendeel, de forma que se supone que los momentos locales de los cordones son nulos en el centro de la barra; y además se supone que el cortante de cada cordón es proporcional a su área. De este modo, La sección esta sometida a unos cortantes VuV_u y VlV_l respectivamente, definidos por las expresiones siguientes:

    Vu=Vdhruhru+hrlV_u = \frac{V_d \cdot h_{ru}}{h_{ru} + h_{rl}} (6.72) Vl=Vdhrlhru+hrlV_l = \frac{V_d \cdot h_{rl}}{h_{ru} + h_{rl}} (6.73) siendo:
    • VdV_d cortante total de cálculo en la sección, figura 6.18.
  2. El análisis de la estructura deberá ser acorde con el anterior modelo de viga Vierendeel. En los casos hiperestáticos el proyectista deberá revisar la corrección de las hipótesis simplificadas adoptadas, ya que en algunos casos los puntos de momentos local nulo de los cordones están muy alejados de los puntos intermedios; quedando en todo caso bajo su criterio y reponsabilidad la elección del modelo de análisis.
  3. En el caso de 3 de forma circular, de acuerdo con el modelo simplificado expuesto, la comprobación de la resistencia a cortante debe realizarse considerando una pendiente de la entalladura de 1:1, figura 6.18.
Dimensiones del agujero y distancias
Figura 6.17 Dimensiones del agujero y distancias.
  1. En las piezas en las que no se cumplan las hipótesis de partida del modelo de análisis, o bajo criterio del proyectista, se considerarán los principios generales del Capt. 5.
  2. Bajo las hipótesis expuestas en el apartado 2; no será necesario realizar ninguna comprobación para los agujeros con una dimensión interior, d, menor que 0,1h0,1 \cdot h.
Las vigas con agujeros situados en el centro de la viga se comprobarán a cortante considerando un efecto equivalente como si se tratara de una entalladura en la viga. A la izquierda se representan los agujeros y a la derecha la entalladura equivalente.
Figura 6.18 Las vigas con agujeros situados en el centro de la viga se comprobarán a cortante considerando un efecto equivalente como si se tratara de una entalladura en la viga. A la izquierda se representan los agujeros y a la derecha la entalladura equivalente.

Documento Básico SE - Seguridad Estructural

Versión m-2019