ITC-BT-24 Instalaciones interiores o receptoras. Protección contra los contactos directos e indirectos

1. Introducción

La presente instrucción describe las medidas destinadas a asegurar la protección de las personas y animales domésticos contra los choques eléctricos.
En la protección contra los choques eléctricos se aplicarán las medidas apropiadas:

  • para la protección contra los contactos directos y contra los contactos indirectos.
  • para la protección contra contactos directos.
  • para la protección contra contactos indirectos.

2. Protección contra contactos directos e indirectos

La protección contra los choques eléctricos para contactos directos e indirectos a la vez se realiza mediante la utilización de muy baja tensión de seguridad MBTS, que debe cumplir las siguientes condiciones:

  • Tensión nominal en el campo I de acuerdo a la norma UNE 20.481 y la ITC-BT-36.
  • Fuente de alimentación de seguridad para MBTS de acuerdo con lo indicado en la norma UNE 20.460-4-41.
  • Los circuitos de instalaciones para MBTS, cumplirán lo que se indica en la Norma UNE 20.460-4-41 y en la ITC-BT-36.

3. Protección contra contactos directos

Esta protección consiste en tomar las medidas destinadas a proteger las personas contra los peligros que pueden derivarse de un contacto con las partes activas de los materiales eléctricos.

Salvo indicación contraria, los medios a utilizar vienen expuestos y definidos en la Norma UNE 20.460-4-41, que son habitualmente:

  • Protección por aislamiento de las partes activas.
  • Protección por medio de barreras o envolventes.
  • Protección por medio de obstáculos.
  • Protección por puesta fuera de alcance por alejamiento.
  • Protección complementaria por dispositivos de corriente diferencial residual.

3.1 Protección por aislamiento de las partes activas

Las partes activas deberán estar recubiertas de un aislamiento que no pueda ser eliminado más que destruyéndolo.

Las pinturas, barnices, lacas y productos similares no se considera que constituyan un aislamiento suficiente en el marco de la protección contra los contactos directos.

3.2 Protección por medio de barreras o envolventes

Las partes activas deben estar situadas en el interior de las envolventes o detrás de barreras que posean, como mínimo, el grado de protección IP XXB, según UNE 20.324. Si se necesitan aberturas mayores para la reparación de piezas o para el buen funcionamiento de los equipos, se adoptarán precauciones apropiadas para impedir que las personas o animales domésticos toquen las partes activas y se garantizará que las personas sean conscientes del hecho de que las partes activas no deben ser tocadas voluntariamente.

Las superficies superiores de las barreras o envolventes horizontales que son fácilmente accesibles, deben responder como mínimo al grado de protección IP4X o IP XXD.

Las barreras o envolventes deben fijarse de manera segura y ser de una robustez y durabilidad suficientes para mantener los grados de protección exigidos, con una separación suficiente de las partes activas en las condiciones normales de servicio, teniendo en cuenta las influencias externas.

Cuando sea necesario suprimir las barreras, abrir las envolventes o quitar partes de éstas, esto no debe ser posible más que:

  • bien con la ayuda de una llave o de una herramienta;
  • o bien, después de quitar la tensión de las partes activas protegidas por estas barreras o estas envolventes, no pudiendo ser restablecida la tensión hasta después de volver a colocar las barreras o las envolventes;
  • o bien, si hay interpuesta una segunda barrera que posee como mínimo el grado de protección IP2X o IP XXB, que no pueda ser quitada más que con la ayuda de una llave o de una herramienta y que impida todo contacto con las partes activas.

3.3 Protección por medio de obstáculos

Esta medida no garantiza una protección completa y su aplicación se limita, en la práctica, a los locales de servicio eléctrico solo accesibles al personal autorizado.

Los obstáculos están destinados a impedir los contactos fortuitos con las partes activas, pero no los contactos voluntarios por una tentativa deliberada de salvar el obstáculo.

Los obstáculos deben impedir:

  • bien, un acercamiento físico no intencionado a las partes activas;
  • bien, los contactos no intencionados con las partes activas en el caso de intervenciones en equipos bajo tensión durante el servicio.

Los obstáculos pueden ser desmontables sin la ayuda de una herramienta o de una llave; no obstante, deben estar fijados de manera que se impida todo desmontaje involuntario.

3.4 Protección por puesta fuera de alcance por alejamiento

Esta medida no garantiza una protección completa y su aplicación se limita, en la práctica a los locales de servicio eléctrico solo accesibles al personal autorizado.

La puesta fuera de alcance por alejamiento está destinada solamente a impedir los contactos fortuitos con las partes activas.

Las partes accesibles simultáneamente, que se encuentran a tensiones diferentes no deben encontrarse dentro del volumen de accesibilidad.

El volumen de accesibilidad de las personas se define como el situado alrededor de los emplazamientos en los que pueden permanecer o circular personas, y cuyos límites no pueden ser alcanzados por una mano sin medios auxiliares. Por convenio, este volumen está limitado conforme a la figura 1, entendiendo que la altura que limita el volumen es 2,5 m.

Volumen de accesibilidad
Figura 1. Volumen de accesibilidad. S=Superficie susceptible de ocupación por personas

Cuando el espacio en el que permanecen y circulan normalmente personas está limitado por un obstáculo (por ejemplo, listón de protección, barandillas, panel enrejado) que presenta un grado de protección inferior al IP2X o IP XXB, según UNE 20324, el volumen de accesibilidad comienza a partir de este obstáculo.

En los emplazamientos en que se manipulen corrientemente objetos conductores de gran longitud o voluminosos, las distancias prescritas anteriormente deben aumentarse teniendo en cuenta las dimensiones de estos objetos.

3.5 Protección complementaria por dispositivos de corriente diferencial-residual

Esta medida de protección está destinada solamente a complementar otras medidas de protección contra los contactos directos.

El empleo de dispositivos de corriente diferencial-residual, cuyo valor de corriente diferencial asignada de funcionamiento sea inferior o igual a 30 mA, se reconoce como medida de protección complementaria en caso de fallo de otra medida de protección contra los contactos directos o en caso de imprudencia de los usuarios.

Cuando se prevea que las corrientes diferenciales puedan ser no senoidales (como por ejemplo en salas de radiología intervencionista), los dispositivos de corriente diferencial-residual utilizados serán de clase A que aseguran la desconexión para corrientes alternas senoidales así como para corrientes continuas pulsantes.

La utilización de tales dispositivos no constituye por sí mismo una medida de protección completa y requiere el empleo de una de las medidas de protección enunciadas en los apartados 3.1 a 3.4 de la presente instrucción.

4. Protección contra los contactos indirectos

Esta protección se consigue mediante la aplicación de algunas de las medidas siguientes:

4.1 Protección por corte automático de la alimentación

El corte automático de la alimentación después de la aparición de un fallo está destinado a impedir que una tensión de contacto de valor suficiente, se mantenga durante un tiempo tal que puede dar como resultado un riesgo.

Debe existir una adecuada coordinación entre el esquema de conexiones a tierra de la instalación utilizado de entre los descritos en la ITC-BT-08 y las características de los dispositivos de protección.

El corte automático de la alimentación está prescrito cuando puede producirse un efecto peligroso en las personas o animales domésticos en caso de defecto, debido al valor y duración de la tensión de contacto. Se utilizará como referencia lo indicado en la norma UNE 20.572-1.

La tensión límite convencional es igual a 50 V, valor eficaz en corriente alterna, en condiciones normales. En ciertas condiciones pueden especificarse valores menos elevados, como por ejemplo, 24 V para las instalaciones de alumbrado público contempladas en la ITC-BT-09, apartado 10.

Se describen a continuación aquellos aspectos más significativos que deben reunir los sistemas de protección en función de los distintos esquemas de conexión de la instalación, según la ITC-BT-08 y que la norma UNE 20.460-4-41 define cada caso.

4.1.1 Esquemas TN, características y prescripciones de los dispositivos de protección.

Una puesta a tierra múltiple, en puntos repartidos con regularidad, puede ser necesaria para asegurarse de que el potencial del conductor de protección se mantiene, en caso de fallo, lo más próximo posible al de tierra. Por la misma razón, se recomienda conectar el conductor de protección a tierra en el punto de entrada de cada edificio o establecimiento.

Las características de los dispositivos de protección y las secciones de los conductores se eligen de manera que, si se produce en un lugar cualquiera un fallo, de impedancia despreciable, entre un conductor de fase y el conductor de protección o una masa, el corte automático se efectúe en un tiempo igual, como máximo, al valor especificado, y se cumpla la condición siguiente:

Zs×IaU0Z_s \times I_a \leq U_0

donde:

Zs es la impedancia del bucle de defecto, incluyendo la de la fuente, la del conductor activo hasta el punto de defecto y la del conductor de protección, desde el punto de defecto hasta la fuente.

Ia es la corriente que asegura el funcionamiento del dispositivo de corte automático en un tiempo como máximo igual al definido en la tabla 1 para tensión nominal igual a U0. En caso de utilización de un dispositivo de corriente diferencial-residual, Ia es la corriente diferencial asignada

U0 es la tensión nominal entre fase y tierra, valor eficaz en corriente alterna.

Tabla 1
U0 (V) Tiempos de interrupción (s)
230 0,4
400 0,2
> 400 0,1

En la norma UNE 20.460-4-41 se indican las condiciones especiales que deben cumplirse para permitir tiempos de interrupción mayores o condiciones especiales de instalación.

En el esquema TN pueden utilizarse los dispositivos de protección siguientes:

  • Dispositivos de protección de máxima corriente, tales como fusibles, interruptores automáticos.
  • Dispositivos de protección de corriente diferencial-residual.

Cuando el conductor neutro y el conductor de protección sean comunes (esquemas TN-C), no podrá utilizarse dispositivos de protección de corriente diferencial-residual.

Cuando se utilice un dispositivo de protección de corriente diferencial-residual en esquemas TN-C-S, no debe utilizarse un conductor CPN aguas abajo. La conexión del conductor de protección al conductor CPN debe efectuarse aguas arriba del dispositivo de protección de corriente diferencial-residual.

Con miras a la selectividad pueden instalarse dispositivos de corriente diferencial-residual temporizada (por ejemplo del tipo «S») en serie con dispositivos de protección de corriente diferencial de tipo general.

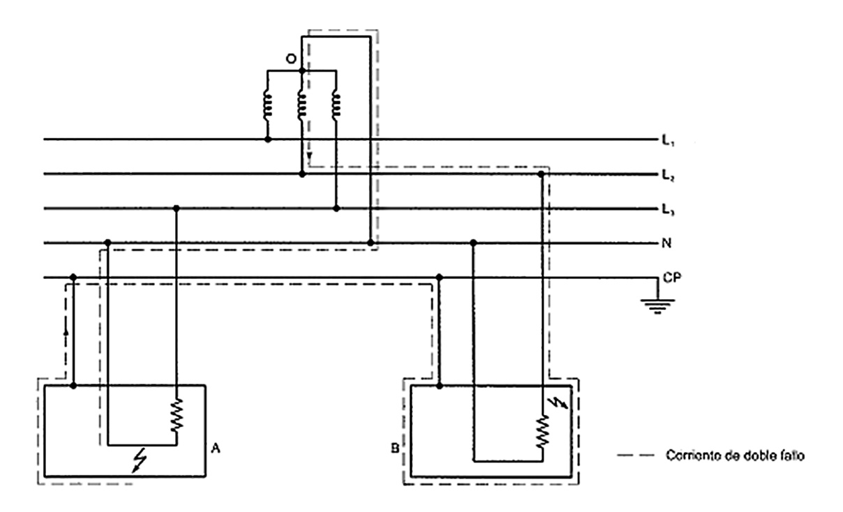
Esquema TN-C
Figura 2. Esquema TN-C
Esquema TN-S
Figura 3. Esquema TN-S
4.1.2 Esquemas TT. Características y prescripciones de los dispositivos de protección.

Todas las masas de los equipos eléctricos protegidos por un mismo dispositivo de protección, deben ser interconectadas y unidas por un conductor de protección a una misma toma de tierra. Si varios dispositivos de protección van montados en serie, esta prescripción se aplica por separado a las masas protegidas por cada dispositivo.

El punto neutro de cada generador o transformador, o si no existe, un conductor de fase de cada generador o transformador, debe ponerse a tierra.

Se cumplirá la siguiente condición:

RA×IaUR_A \times I_a \leq U

donde:

RA es la suma de las resistencias de la toma de tierra y de los conductores de protección de masas.

Ia es la corriente que asegura el funcionamiento automático del dispositivo de protección. Cuando el dispositivo de protección es un dispositivo de corriente diferencial-residual es la corriente diferencial-residual asignada.

U es la tensión de contacto límite convencional (50, 24V u otras, según los casos). En el esquema TT, se utilizan los dispositivos de protección siguientes:

  • Dispositivos de protección de corriente diferencial-residual.
  • Dispositivos de protección de máxima corriente, tales como fusibles, interruptores automáticos. Estos dispositivos solamente son aplicables cuando la resistencia RA tiene un valor muy bajo.

Cuando el dispositivo de protección es un dispositivo de protección contra las sobreintensidades, debe ser:

  • bien un dispositivo que posea una característica de funcionamiento de tiempo inverso e Ia debe ser la corriente que asegure el funcionamiento automático en 5 s como máximo;
  • o bien un dispositivo que posea una característica de funcionamiento instantánea e la debe ser la corriente que asegura el funcionamiento instantáneo.

La utilización de dispositivos de protección de tensión de defecto no está excluida para aplicaciones especiales cuando no puedan utilizarse los dispositivos de protección antes señalados.

Con miras a la selectividad pueden instalarse dispositivos de corriente diferencial-residual temporizada (por ejemplo del tipo «S») en serie con dispositivos de protección de corriente diferencial-residual de tipo general, con un tiempo de funcionamiento como máximo igual a 1 s.

Esquema TT
Figura 4. Esquema TT
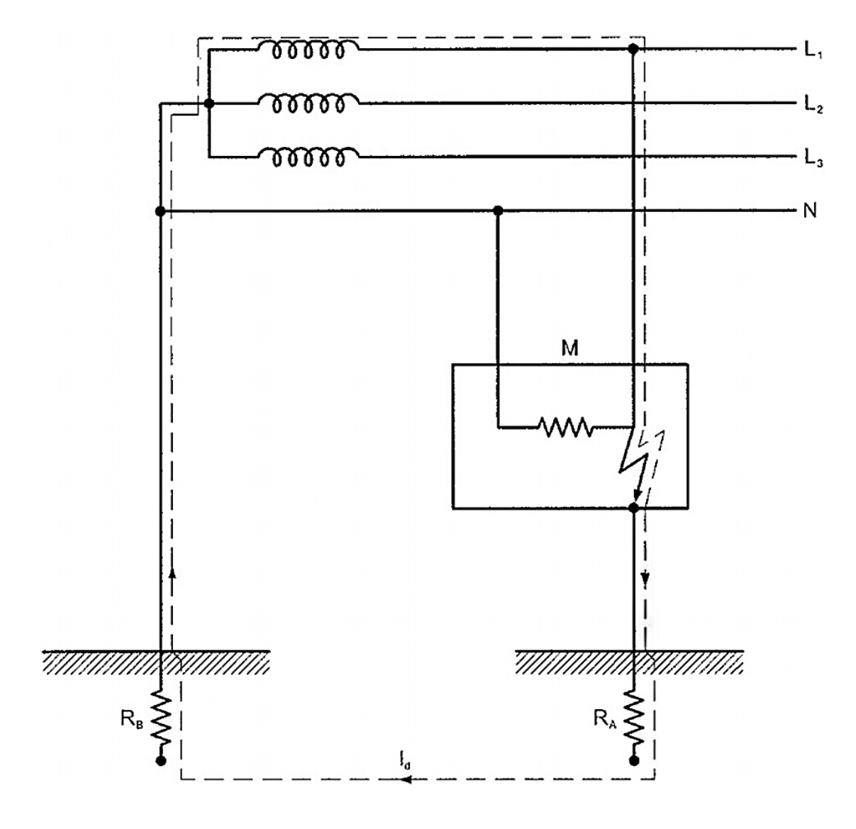
4.1.3 Esquemas IT. Características y prescripciones de los dispositivos de protección

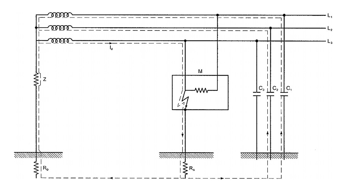
En el esquema IT, la instalación debe estar aislada de tierra o conectada a tierra a través de una impedancia de valor suficientemente alto. Esta conexión se efectúa bien sea en el punto neutro de la instalación, si está montada en estrella, o en un punto neutro artificial. Cuando no exista ningún punto de neutro, un conductor de fase puede conectarse a tierra a través de una impedancia.

En caso de que exista un sólo defecto a masa o a tierra, la corriente de fallo es de poca intensidad y no es imperativo el corte. Sin embargo, se deben tomar medidas para evitar cualquier peligro en caso de aparición de dos fallos simultáneos.

Ningún conductor activo debe conectarse directamente a tierra en la instalación.

Las masas deben conectarse a tierra, bien sea individualmente o por grupos.

Debe ser satisfecha la condición siguiente:

RA×IdULR_A \times I_d \leq U_L

donde:

RA es la suma de las resistencias de toma de tierra y de los conductores de protección de las masas.

Id es la corriente de defecto en caso de un primer defecto franco de baja impedancia entre un conductor de fase y una masa. Este valor tiene en cuenta las corrientes de fuga y la impedancia global de puesta a tierra de la instalación eléctrica

UL es la tensión de contacto límite convencional (50, 24V u otras, según los casos). C1; C2; C3 Capacidad homopolar de los conductores respecto de tierra.

Esquema IT aislado de tierra
Figura 5. Esquema IT aislado de tierra
Esquema IT unido a tierra por impedancia
Figura 6. Esquema IT unido a tierra por impedancia Z y con las puestas a tierra de la alimentación y de las masas separadas

En el esquema IT, se utilizan los dispositivos de protección siguientes:

  • Controladores permanentes de aislamiento
  • Dispositivos de protección de corriente diferencial-residual
  • Dispositivos de protección de máxima corriente, tales como fusibles, interruptores automáticos.

Si se ha previsto un controlador permanente de primer defecto para indicar la aparición de un primer defecto de una parte activa a masa o a tierra, debe activar una señal acústica o visual.

Después de la aparición de un primer defecto, las condiciones de interrupción de la alimentación en un segundo defecto deben ser las siguientes:

  • Cuando se pongan a tierra masas por grupos o individualmente, las condiciones de protección son las del esquema TT, salvo que el neutro no debe ponerse a tierra.
  • Cuando las masas estén interconectadas mediante un conductor de protección, colectivamente a tierra, se aplican las condiciones del esquema TN, con protección mediante un dispositivo contra sobreintensidades de forma que se cumplan las condiciones siguientes:
  1. si el neutro no esta distribuido: 2×Zs×IaU2 \times Z_s \times I_a \leq U
  2. si el neutro esta distribuido: 2×Zs×IaU02 \times Z'_s \times I_a \leq U_0

donde:

Zs es la impedancia del bucle de defecto constituido por el conductor de fase y el conductor de protección.

Z's es la impedancia del bucle de defecto constituido por el conductor neutro, el conductor de protección y el de fase.

Ia es la corriente que garantiza el funcionamiento del dispositivo de protección de la instalación en un tiempo t, según la tabla 2, ó tiempos superiores, con 5 segundos como máximo, para aquellos casos especiales contemplados en la norma UNE 20.460-4-41.

U es la tensión entre fases, valor eficaz en corriente alterna.

U0 es la tensión entre fase y neutro, valor eficaz en corriente alterna

Tabla 2
Tensión nominal de la instalación (U0/U) Tiempo de interrupción (s)
Neutro no distribuido Neutro distribuido
230/400 0,4 0,8
400/690 0,2 0,4
580/1000 0,1 0,2
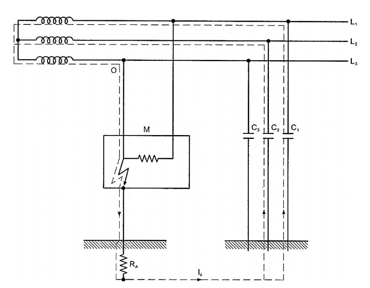
Corriente de segundo defecto en IT neutro no distribuido
Figura 7. Corriente de segundo defecto en el esquema IT con masa conectadas a la misma toma de tierra y neutro no distribuido
Corriente de segundo defecto en IT neutro distribuido
Figura 8. Corriente de segundo defecto en el esquema IT con masa conectadas a la misma toma de tierra y neutro distribuido

Si no es posible utilizar dispositivos de protección contra sobreintensidades de forma que se cumpla lo anterior, se utilizarán dispositivos de protección de corriente diferencial-residual para cada aparato de utilización o se realizará una conexión equipotencial complementaria según lo dispuesto en la norma UNE 20.460-4-41

4.2 Protección por empleo de equipos de la clase II o por aislamiento equivalente.

Se asegura esta protección por:

  • Utilización de equipos con un aislamiento doble o reforzado (clase II).
  • Conjuntos de aparamenta construidos en fábrica y que posean aislamiento equivalente (doble o reforzado).
  • Aislamientos suplementarios montados en el curso de la instalación eléctrica y que aíslen equipos eléctricos que posean únicamente un aislamiento principal.
  • Aislamientos reforzados montados en el curso de la instalación eléctrica y que aíslen las partes activas descubiertas, cuando por construcción no sea posible la utilización de un doble aislamiento.

La norma UNE 20.460-4-41 describe el resto de características y revestimiento que deben cumplir las envolventes de estos equipos.

4.3 Protección en los locales o emplazamientos no conductores

La norma UNE 20.460-4-41 indica las características de las protecciones y medios para estos casos.

Esta medida de protección está destinada a impedir en caso de fallo del aislamiento principal de las partes activas, el contacto simultáneo con partes que pueden ser puestas a tensiones diferentes. Se admite la utilización de materiales de la clase 0 condición que se respete el conjunto de las condiciones siguientes:

Las masas deben estar dispuestas de manera que, en condiciones normales, las personas no hagan contacto simultáneo: bien con dos masas, bien con una masa y cualquier elemento conductor, si estos elementos pueden encontrarse a tensiones diferentes en caso de un fallo del aislamiento principal de las partes activas

En estos locales (o emplazamientos), no debe estar previsto ningún conductor de protección.

Las prescripciones del apartado anterior se consideran satisfechas si el emplazamiento posee paredes aislantes y si se cumplen una o varias de las condiciones siguientes:

  1. Alejamiento respectivo de las masas y de los elementos conductores, así como de las masas entre sí. Este alejamiento se considera suficiente si la distancia entre dos elementos es de 2 m como mínimo, pudiendo ser reducida esta distancia a 1,25 m por fuera del volumen de accesibilidad.
  2. Interposición de obstáculos eficaces entre las masas o entre las masas y los elementos conductores. Estos obstáculos son considerados como suficientemente eficaces si dejan la distancia a franquear en los valores indicados en el punto a). No deben conectarse ni a tierra ni a las masas y, en la medida de lo posible, deben ser de material aislante.
  3. Aislamiento o disposición aislada de los elementos conductores. El aislamiento debe tener una rigidez mecánica suficiente y poder soportar una tensión de ensayo de un mínimo de 2.000 V. La corriente de fuga no debe ser superior a 1 mA en las condiciones normales de empleo.

Las figuras siguientes contienen ejemplos explicativos de las disposiciones anteriores.

Ejemplos de alejamiento y aislamiento
Figura 9
Ejemplos de alejamiento y aislamiento
Figura 10

Las paredes y suelos aislantes deben presentar una resistencia no inferior a:

  • 50 kΩ, si la tensión nominal de la instalación no es superior a 500 V; y
  • 100 kΩ, si la tensión nominal de la instalación es superior a 500 V,

Si la resistencia no es superior o igual, en todo punto, al valor prescrito, estas paredes y suelos se considerarán como elementos conductores desde el punto de vista de la protección contra las descargas eléctricas.

Las disposiciones adoptadas deben ser duraderas y no deben poder inutilizarse. Igualmente deben garantizar la protección de los equipos móviles cuando esté prevista la utilización de éstos.

Deberá evitarse la colocación posterior, en las instalaciones eléctricas no vigiladas continuamente, de otras partes (por ejemplo, materiales móviles de la clase I o elementos conductores, tales como conductos de agua metálicos), que puedan anular la conformidad con el apartado anterior.

Deberá evitarse que la humedad pueda comprometer el aislamiento de las paredes y de los suelos.

Deben adoptarse medidas adecuadas para evitar que los elementos conductores puedan transferir tensiones fuera del emplazamiento considerado.

4.4 Protección mediante conexiones equipotenciales locales no conectadas a tierra

Los conductores de equipotencialidad deben conectar todas las masas y todos los elementos conductores que sean simultáneamente accesibles.

La conexión equipotencial local así realizada no debe estar conectada a tierra, ni directamente ni a través de masas o de elementos conductores.

Deben adoptarse disposiciones para asegurar el acceso de personas al emplazamiento considerado sin que éstas puedan ser sometidas a una diferencia de potencial peligrosa. Esto se aplica concretamente en el caso en que un suelo conductor, aunque aislado del terreno, está conectado a la conexión equipotencial local.

4.5 Protección por separación eléctrica

El circuito debe alimentarse a través de una fuente de separación, es decir:

  • un transformador de aislamiento,
  • una fuente que asegure un grado de seguridad equivalente al transformador de aislamiento anterior, por ejemplo un grupo motor generador que posea una separación equivalente.

La norma UNE 20.460-4-41 enuncia el conjunto de prescripciones que debe garantizar esta protección.

En el caso de que el circuito separado no alimente más que un solo aparato, las masas del circuito no deben ser conectadas a un conductor de protección.

En el caso de un circuito separado que alimente muchos aparatos, se satisfarán las siguientes prescripciones:

  1. Las masas del circuito separado deben conectarse entre sí mediante conductores de equipotencialidad aislados, no conectados a tierra. Tales conductores, no deben conectarse ni a conductores de protección, ni a masas de otros circuitos ni a elementos conductores.
  2. Todas las bases de tomas de corriente deben estar previstas de un contacto de tierra que debe estar conectado al conductor de equipotencialidad descrito en el apartado anterior.
  3. Todos los cables flexibles de equipos que no sean de clase II, deben tener un conductor de protección utilizado como conductor de equipotencialidad.
  4. En el caso de dos fallos francos que afecten a dos masas y alimentados por dos conductores de polaridad diferente, debe existir un dispositivo de protección que garantice el corte en un tiempo como máximo igual al indicado en la tabla 1 incluida en el apartado 4.1.1, para esquemas TN.

Reglamento electrotécnico para baja tensión e ITC

Versión 2025