ITC-BT-52 Instalaciones con fines especiales. Infraestructura para la recarga de vehículos eléctricos

1. Objeto y ámbito de aplicación

  1. Constituye el objeto de esta Instrucción el establecimiento de las prescripciones aplicables a las instalaciones para la recarga de vehículos eléctricos.
  2. Las disposiciones de esta Instrucción se aplicarán a las instalaciones eléctricas incluidas en el ámbito del Reglamento electrotécnico para baja tensión con independencia de si su titularidad es individual, colectiva o corresponde a un gestor de cargas, necesarias para la recarga de los vehículos eléctricos en lugares públicos o privados, tales como:
    1. Aparcamientos de viviendas unifamiliares o de una sola propiedad.
    2. Aparcamientos o estacionamientos colectivos en edificios o conjuntos inmobiliarios de régimen de propiedad horizontal.
    3. Aparcamientos o estacionamientos de flotas privadas, cooperativas o de empresa, o los de oficinas, para su propio personal o asociados, los de talleres, de concesionarios de automóviles o depósitos municipales de vehículos eléctricos y similares.
    4. Aparcamientos o estacionamientos públicos, gratuitos o de pago, sean de titularidad pública o privada.
    5. Vías de dominio público destinadas a la circulación de vehículos eléctricos, situadas en zonas urbanas y en áreas de servicio de las carreteras de titularidad del Estado previstas en el artículo 28 de la Ley 25/1988, de 29 de julio, de Carreteras.
  3. Esta instrucción no es aplicable a los sistemas de recarga por inducción, ni a las instalaciones para la recarga de baterías que produzcan desprendimiento de gases durante su recarga.

2. Términos y definiciones

A los efectos de esta instrucción se entenderá por:

Circuito de recarga colectivo

Circuito interior de la instalación receptora que partiendo de una centralización de contadores o de un cuadro de mando y protección, está previsto para alimentar dos o más estaciones de recarga del vehículo eléctrico.

Circuito de recarga individual

Circuito interior de la instalación receptora que partiendo de la centralización de contadores está previsto para alimentar una estación de recarga del vehículo eléctrico, o circuito de una vivienda que partiendo del cuadro general de mando y protección está destinado a alimentar una estación de recarga del vehículo eléctrico (circuito C13).

Contador eléctrico principal

Contador de energía eléctrica destinado a la medida de energía consumida por una o varias estaciones de recarga. Estos contadores cumplirán con la reglamentación de metrología legal aplicable y con el reglamento unificado de puntos de medida.

Contador secundario

Sistema de medida individual asociado a una estación de recarga, que permite la repercusión de los costes y la gestión de los consumos. Estos sistemas de medida individuales cumplirán la reglamentación de metrología legal aplicable, pero no están sujetos al reglamento unificado de puntos de medida al no tratarse de puntos frontera del sistema eléctrico.

Estación de movilidad eléctrica

Infraestructura de recarga que cuenta con, al menos, dos estaciones de recarga, que permitan la recarga simultánea de vehículo eléctrico con categoría hasta M1 (Vehículo eléctrico de ocho plazas como máximo –excluida la del conductor– diseñados y fabricados para el transporte de pasajeros) y N1 (Vehículo eléctrico cuya masa máxima no supere las 3,5 toneladas diseñados y fabricados para el transporte de mercancías), según la Directiva 2007/46/CE. Ha de posibilitar la recarga en corriente alterna (monofásica o trifásica) o en corriente continua.

Estación de recarga

Conjunto de elementos necesarios para efectuar la conexión del vehículo eléctrico a la instalación eléctrica fija necesaria para su recarga. Las estaciones de recarga se clasifican como:

  1. Punto de recarga simple, compuesto por las protecciones necesarias, una o varias bases de toma de corriente no específicas para el vehículo eléctrico y, en su caso, la envolvente.
  2. Punto de recarga tipo SAVE (Sistema de alimentación específico del vehículo eléctrico).

Función de control piloto

Cualquier medio, ya sea electrónico o mecánico, que asegure que se satisfacen las condiciones relacionadas con la seguridad y con la transmisión de datos requeridas según el modo recarga utilizado.

Infraestructura de recarga de vehículos eléctricos (IVEHÍCULO ELÉCTRICO)

Conjunto de dispositivos físicos y lógicos, destinados a la recarga de vehículos eléctricos que cumplan los requisitos de seguridad y disponibilidad previstos para cada caso, con capacidad para prestar servicio de recarga de forma completa e integral. Una IVEHÍCULO ELÉCTRICO incluye las estaciones de recarga, el sistema de control, canalizaciones eléctricas, los cuadros eléctricos de mando y protección y los equipos de medida, cuando éstos sean exclusivos para la recarga del vehículo eléctrico.

Modo de carga 1

Conexión del vehículo eléctrico a la red de alimentación de corriente alterna mediante tomas de corriente normalizadas, con una intensidad no superior a los 16A y tensión asignada en el lado de la alimentación no superior a 250 V de corriente alterna en monofásico o 480 V de corriente alterna en trifásico y utilizando los conductores activos y de protección.

Modo de carga 2

Conexión del vehículo eléctrico a la red de alimentación de corriente alterna no excediendo de 32A y 250 V en corriente alterna monofásica o 480 V en trifásico, utilizando tomas de corriente normalizadas monofásicas o trifásicas y usando los conductores activos y de protección junto con una función de control piloto y un sistema de protección para las personas, contra el choque eléctrico (dispositivo de corriente diferencial), entre el vehículo eléctrico y la clavija o como parte de la caja de control situada en el cable.

Modo de carga 3

Conexión directa del vehículo eléctrico a la red de alimentación de corriente alterna usando un SAVE, dónde la función de control piloto se amplía al sistema de control del SAVE, estando éste conectado permanentemente a la instalación de alimentación fija.

Modo de carga 4

Conexión indirecta del vehículo eléctrico a la red de alimentación de corriente alterna usando un SAVE que incorpora un cargador externo en que la función de control piloto se extiende al equipo conectado permanentemente a la instalación de alimentación fija.

Punto de conexión

Punto en el que el vehículo eléctrico se conecta a la instalación eléctrica fija necesaria para su recarga, ya sea a una toma de corriente o a un conector.

Sistema de alimentación específico de vehículo eléctrico (SAVE)

Conjunto de equipos montados con el fin de suministrar energía eléctrica para la recarga de un vehículo eléctrico, incluyendo protecciones de la estación de recarga, el cable de conexión, (con conductores de fase, neutro y protección) y la base de toma de corriente o el conector. Este sistema permitirá en su caso la comunicación entre el vehículo eléctrico y la instalación fija. En el modo de carga 4 el SAVE incluye también un convertidor alterna-continua.

Nota: Las definiciones de la función de control piloto, de los modos de carga y del sistema de alimentación específico del vehículo eléctrico (SAVE) están basadas en las normas internacionales aplicables.

Sistema de protección de la línea general de alimentación (SPL)

Sistema de protección de la línea general de alimentación contra sobrecargas, que evita el fallo de suministro para el conjunto del edificio debido a la actuación de los fusibles de la caja general de protección, mediante la disminución momentánea de la potencia destinada a la recarga del vehículo eléctrico. Este sistema puede actuar desconectando cargas, o regulando la intensidad de recarga cuando se utilicen los modos 3 o 4. El orden de desconexión y reconexión podrá actuar sobre un contactor o sistema equivalente.

Vehículo eléctrico (VEHÍCULO ELÉCTRICO)

Vehículo eléctrico cuya energía de propulsión procede, total o parcialmente, de la electricidad de sus baterías utilizando para su recarga la energía de una fuente exterior al vehículo eléctrico, por ejemplo, la red eléctrica.

Tipos de conexión entre la estación de recarga y el vehículo eléctrico

La conexión entre la estación de recarga y el vehículo eléctrico se podrá realizar según los casos A, B y C descritos en las figuras 1, 2 y 3. Nótese que las figuras 1, 2 y 3 no presuponen ningún diseño específico.

Caso A. Conexión del VEHÍCULO ELÉCTRICO a la estación de recarga
Figura 1. Caso A. Conexión del VEHÍCULO ELÉCTRICO a la estación de recarga mediante un cable terminado en una clavija con el cable solidario al VEHÍCULO ELÉCTRICO.
Leyenda de Figura 1
Leyenda
1 Base de toma de corriente
2 Clavija
3 Cable de conexión
6 Cargador incorporado al vehículo eléctrico
7 Batería de tracción
8 Punto de conexión
9 Punto de recarga simple
10 SAVE

Caso A1: conexión a un punto de recarga simple mediante una toma de corriente para usos domésticos y análogos.
Caso A2: conexión a un punto de recarga tipo SAVE.

Caso B. Conexión del VEHÍCULO ELÉCTRICO a la estación de recarga
Figura 2. Caso B. Conexión del VEHÍCULO ELÉCTRICO a la estación de recarga mediante un cable terminado por un extremo en una clavija y por el otro en un conector, donde el cable es un accesorio del VEHÍCULO ELÉCTRICO.
Leyenda de Figura 2
Leyenda
1 Base de toma de corriente
2 Clavija
3 Cable de conexión
4 Conector
5 Entrada de alimentación al vehículo eléctrico
6 Cargador incorporado al vehículo eléctrico
7 Batería de tracción
8 Punto de conexión
9 Punto de recarga simple
10 SAVE

Caso B1: conexión a un punto de recarga simple mediante una toma de corriente para usos domésticos y análogos.
Caso B2: conexión a un punto de recarga tipo SAVE.

Caso C. Conexión del VEHÍCULO ELÉCTRICO a la estación de recarga
Figura 3. Caso C. Conexión del VEHÍCULO ELÉCTRICO a la estación de recarga mediante un cable terminado en un conector: el cable forma parte de la instalación fija.
Leyenda de Figura 3
Leyenda
3 Cable de conexión
4 Conector
5 Entrada de alimentación al vehículo eléctrico
6 Cargador incorporado al vehículo eléctrico
7 Batería de tracción
8 Punto de conexión
10 SAVE
Caso D. Conexión de un VEHÍCULO ELÉCTRICO ligero
Figura 4. Caso D. Conexión de un VEHÍCULO ELÉCTRICO ligero a la estación de recarga mediante un cable terminado en un conector: el cable incorpora el cargador.
Leyenda de Figura 4
Leyenda
1 Base de toma de corriente
2 Clavija
3 Cable de alimentación
4 Conector
5 Entrada de alimentación al vehículo eléctrico
6 Cargador en cable de alimentación
7 Batería de tracción
8 Punto de conexión
9 Punto de recarga simple
10 SAVE

3. Esquemas de instalación para la recarga de vehículos eléctricos

Las instalaciones nuevas para la alimentación de las estaciones de recarga, así como la modificación de instalaciones ya existentes, que se alimenten de la red de distribución de energía eléctrica, se realizarán según los esquemas de conexión descritos en este apartado. En cualquier caso, antes de la ejecución de la instalación, el instalador o en su caso el proyectista, deben preparar una documentación técnica en la forma de memoria técnica de diseño o de proyecto, según proceda en aplicación de la (ITC) BT-04, en la que se indique el esquema de conexión a utilizar. Los posibles esquemas serán los siguientes:

  1. Esquema colectivo o troncal con un contador principal en el origen de la instalación.
  2. Esquema individual con un contador común para la vivienda y la estación de recarga.
  3. Esquema individual con un contador para cada estación de recarga.
  4. Esquema con circuito o circuitos adicionales para la recarga del vehículo eléctrico.
Esquema 1a
Figura 5. Esquema 1a: instalación colectiva troncal con contador principal en el origen de la instalación y contadores secundarios en las estaciones de recarga
Esquema 1b
Figura 6. Esquema 1b: instalación colectiva troncal con contador principal en origen de la instalación y contadores secundarios en las estaciones de recarga (con nueva centralización de contadores para recarga VEHÍCULO ELÉCTRICO)

Para la selección entre los esquemas 1a y 1b, se aplicarán los siguientes criterios de prioridad, en primer lugar se utilizarán los módulos de reserva de la centralización existente (esquema 1a), si ello no fuera suficiente se ampliará la centralización existente utilizando también el esquema 1a, en último caso y por falta de espacio, se dispondrán una o varias centralizaciones nuevas en armarios o locales (esquema 1b).

Esquema 1c
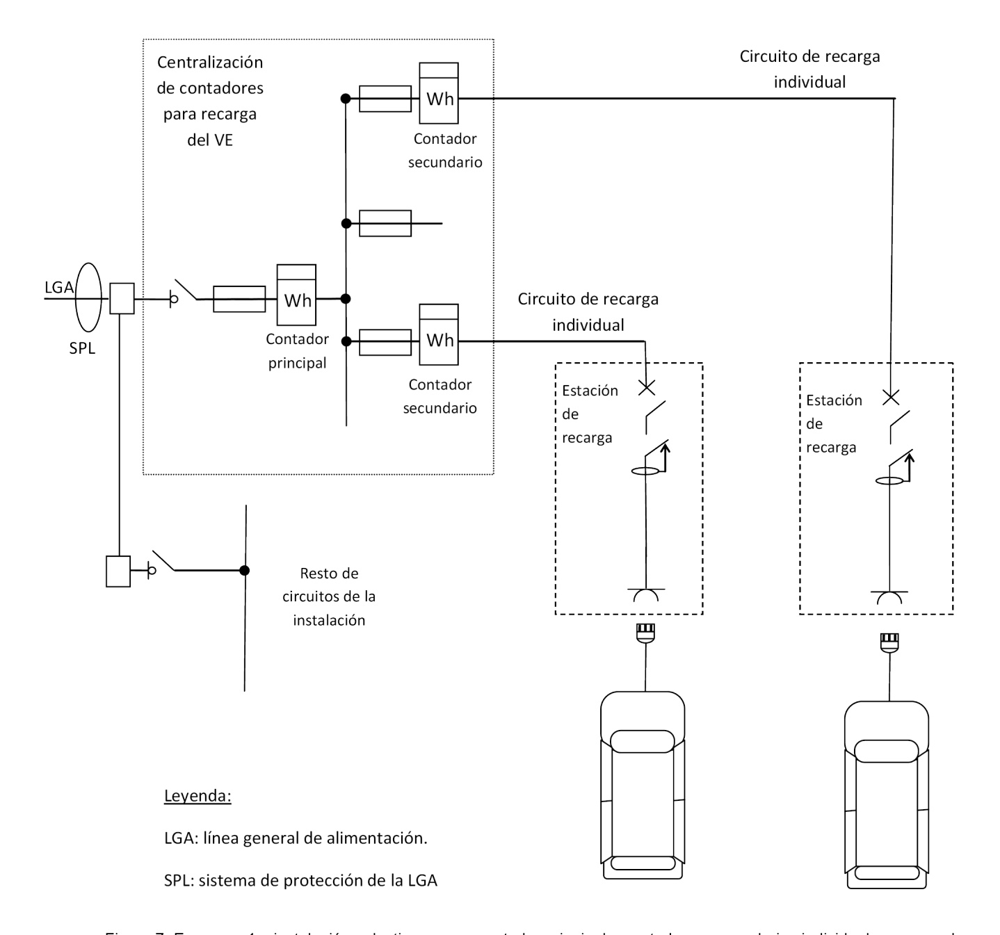
Figura 7. Esquema 1c: instalación colectiva con un contador principal y contadores secundarios individuales para cada estación de recarga.

La protección de los circuitos de recarga se puede realizar con fusibles o con interruptores automáticos. La centralización de contadores para recarga del vehículo eléctrico puede formar parte de la centralización existente o disponerse en una o varias centralizaciones nuevas en armarios o locales.

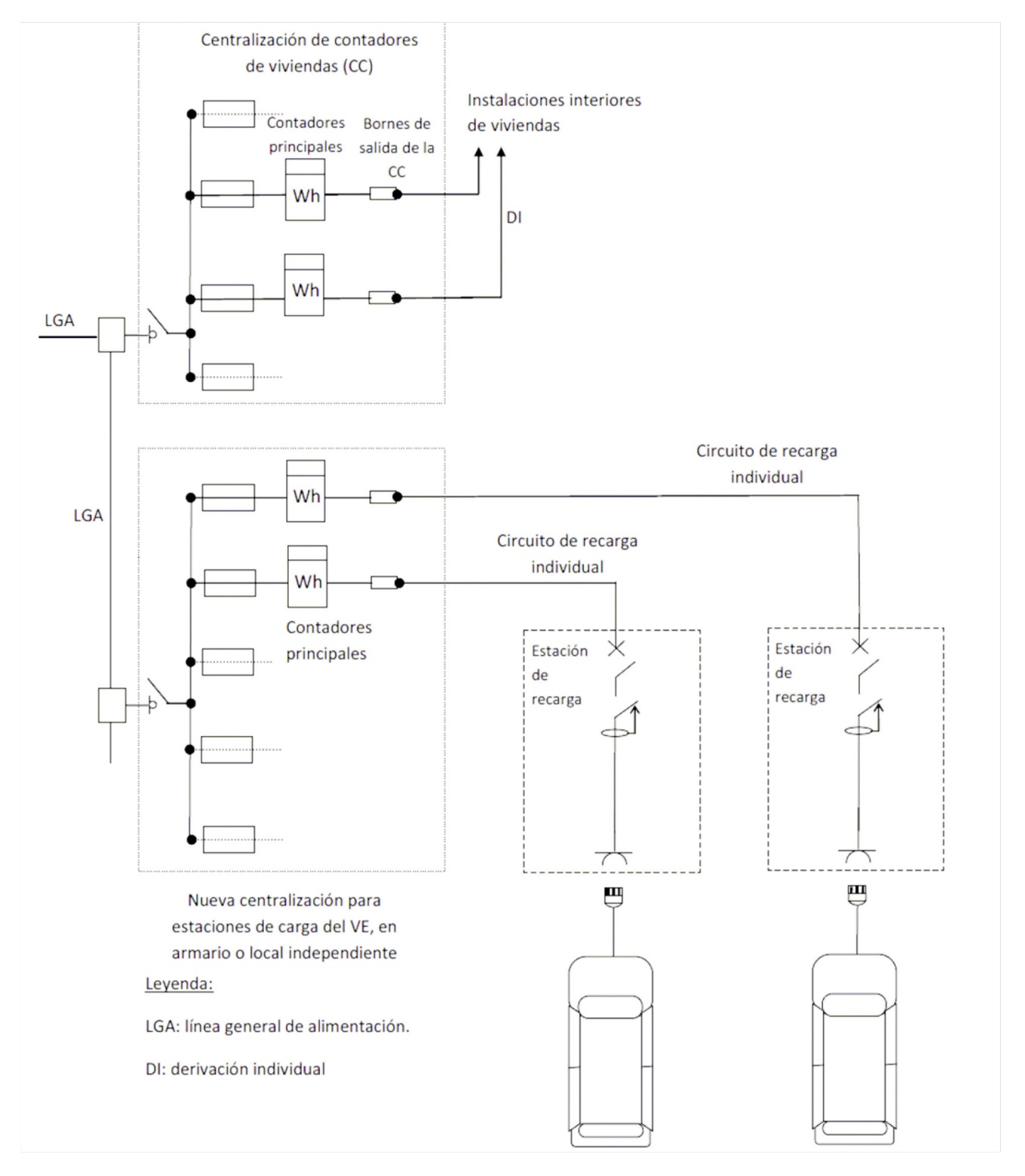
Esquema 2
Figura 8. Esquema 2: instalación individual con un contador principal común para la vivienda y para la estación de recarga.

Para el esquema 2 en el proyecto o memoria técnica de diseño se justificará que el fusible de la centralización protege contra cortocircuitos tanto a la derivación individual, como al circuito de recarga individual, en especial para la intensidad mínima de cortocircuito, incrementando la sección obtenida por aplicación de los criterios de caída de tensión y de protección contra sobrecargas para este circuito, si fuera necesario. La función de control de potencia contratada por el cliente será realizada por el contador principal, sin necesidad de instalar un ICP independiente. En caso de actuación de la función de control de potencia, su rearme se realizará directamente desde la vivienda.

Esquema 3a
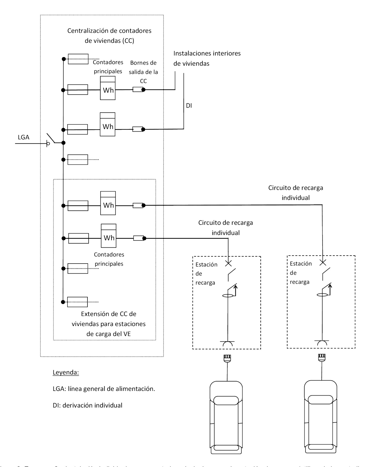
Figura 9. Esquema 3a: instalación individual con un contador principal para cada estación de recarga (utilizando la centralización de contadores existente).
Esquema 3b
Figura 10. Esquema 3b: instalación individual con un contador principal para cada estación de recarga (con una nueva centralización de contadores).

Para la selección entre los esquemas 3a y 3b, se aplicarán los siguientes criterios de prioridad, en primer lugar se utilizarán los módulos de reserva de la centralización existente (esquema 3a), si ello no fuera suficiente se ampliará la centralización existente utilizando también el esquema 3a, en último caso y por falta de espacio, se dispondrán una o varias centralizaciones nuevas en armarios o locales (esquema 3b).

Esquema 4a
Figura 11. Esquema 4a: instalación con circuito adicional individual para la recarga del VEHÍCULO ELÉCTRICO en viviendas unifamiliares.
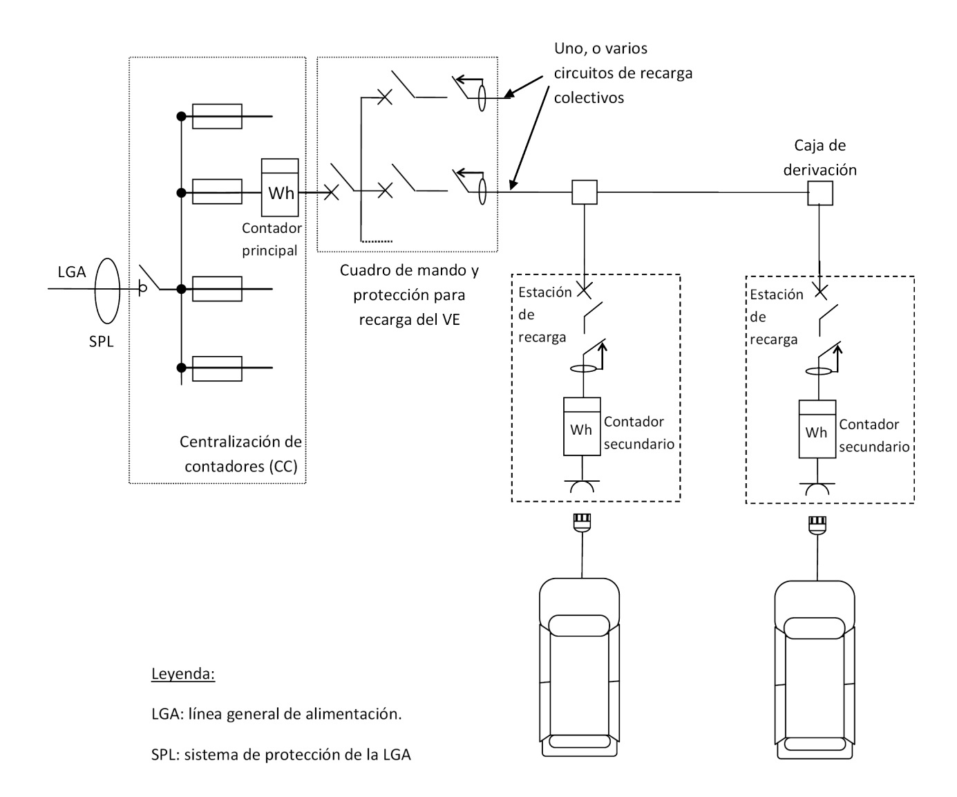
Esquema 4b
Figura 12. Esquema 4b: instalación con circuito o circuitos adicionales para la recarga del VEHÍCULO ELÉCTRICO.

Los esquemas de instalación descritos en este apartado no resultan aplicables para la conexión de las estaciones de recarga que se alimenten mediante una red independiente de la red de distribución de corriente alterna usualmente utilizada, por ejemplo, mediante una red de corriente continua o corriente alterna ferroviaria, o mediante un fuente de energía de origen renovable con posible almacenamiento de energía, en cuyo caso el diseñador de la instalación especificará el esquema eléctrico a utilizar.

Nótese que las figuras 5 a 12 son solamente ejemplos ilustrativos de los distintos esquemas de instalaciones de recarga de vehículos eléctricos y que no contienen todos los elementos de la instalación.

3.1 Instalación en aparcamientos de viviendas unifamiliares.

En las viviendas unifamiliares que dispongan de aparcamiento o zona prevista para poder albergar un vehículo eléctrico se instalará un circuito exclusivo para la recarga de vehículo eléctrico. Este circuito se denominará circuito C13, según la nomenclatura de la (ITC) BT-25 y seguirá el esquema de instalación 4a.

Las instalaciones existentes en las que se desee instalar una estación de recarga se ajustarán también a lo establecido en este apartado.

La alimentación de este circuito podrá ser monofásica o trifásica y la potencia instalada responderá generalmente a uno de los escalones de la tabla 1, según prevea el proyectista de la instalación. No obstante, el proyectista podrá justificar una potencia mayor, en función de la previsión de potencia por estación de recarga o del número de plazas construidas para la vivienda unifamiliar, en cuyo caso el circuito y sus protecciones se dimensionarán acorde con la potencia prevista.

Tabla 1. Potencias instaladas normalizadas en un circuito de recarga para una vivienda unifamiliar
Unominal Interruptor automático de protección en el origen del circuito Potencia instalada Estaciones de recarga por circuito
230 V 10 A 2.300 W 1
16 A 3.680 W 1
20 A 4.600 W 1
32 A 7.360 W 1
230/400 V 40 A 9.200 W 1
16 A 11.085 W de 1 a 3
20 A 13.856 W de 1 a 4
32 A 22.170 W de 1 a 6
40 A 27.713 W de 1 a 8

Para evitar desequilibrios en la red eléctrica los circuitos C13 monofásicos no dispondrán de una potencia instalada superior a los 9.200 W.

Cuando en un circuito trifásico se conecten estaciones monofásicas, éstas se repartirán de la forma más equilibrada posible entre las tres fases. El número máximo de estaciones de recarga de la tabla 1 por cada circuito de recarga trifásico se ha calculado suponiendo estaciones monofásicas de una potencia unitaria de 3.680 W. El proyectista podrá ampliar o reducir el número máximo si justifica una potencia instalada por estación de recarga inferior o superior respectivamente.

Las bases de toma de corriente o conectores instalados en la estación de recarga y sus interruptores automáticos de protección deberán ser conformes con alguna de las opciones indicadas en el apartado 5.4.

3.2 Instalación en aparcamientos o estacionamientos colectivos interiores o adscritos a edificios o conjuntos inmobiliarios.

Las instalaciones eléctricas para la recarga de vehículos eléctricos ubicadas en aparcamientos o estacionamientos interiores o adscritos a edificios o conjuntos inmobiliarios seguirán cualquiera de los esquemas descritos anteriormente. En un mismo edificio se podrán utilizar esquemas distintos siempre que se cumplan todos los requisitos establecidos en esta (ITC) BT-52.

En el esquema 4a, el circuito de recarga seguirá las condiciones de instalación descritas en la (ITC) BT-15, utilizando cables y sistemas de conducción de los mismos tipos y características que para una derivación individual, y la sección del cable se calculará conforme a los requisitos generales del apartado 5 de esta ITC, no siendo necesario prever una ampliación de la sección de los cables para determinar el diámetro o las dimensiones transversales del sistema de conducción a utilizar.

El esquema 4b se utilizará cuando la alimentación de las estaciones de recarga se proyecte como parte integrante o ampliación de la instalación eléctrica que atiende a los servicios generales de los garajes.

Tanto en instalaciones existentes como en instalaciones nuevas, y con objeto de facilitar la utilización del esquema eléctrico seleccionado, los cuadros que alberguen las protecciones generales y otros dispositivos para realizar recarga de vehículos eléctricos se podrán ubicar en los cuartos habilitados para ello o en zonas comunes.

La preinstalación eléctrica para la recarga de vehículo eléctrico en aparcamientos ubicados o adscritos a edificios o conjuntos inmobiliarios facilitará la utilización posterior de cualquiera de los posibles esquemas de instalación. Para ello se preverán los siguientes elementos:

  1. Instalación de sistemas de conducción de cables desde la centralización de contadores y por las vías principales del aparcamiento o estacionamiento con objeto de poder alimentar posteriormente las estaciones de recarga que se puedan ubicar en las plazas individuales del aparcamiento o estacionamiento. Cuando la preinstalación esté prevista para el 100 % de las plazas, los sistemas de conducción de cables llegarán hasta cada una de las plazas. Cuando la preinstalación no esté prevista para el 100 % de las plazas, se definirán las plazas que se consideran para el cumplimiento de la dotación reglamentaria de sistemas de conducción de cables, y dichos sistemas llegarán hasta cada una de esas plazas.
  2. La centralización de contadores se dimensionará de acuerdo al esquema eléctrico escogido para la recarga del vehículo eléctrico y según lo establecido en la (ITC) BT-16. Se instalarán módulos de reserva para al menos el 20 % de las plazas de garaje no asociadas a una vivienda y, aunque todas las plazas estén asociadas a viviendas, como mínimo un módulo de reserva. Estos módulos de reserva tendrán capacidad para ubicar el contador principal y los dispositivos de protección contra sobreintensidades asociados al contador, bien sea con fusibles o con interruptor automático.

Las bases de toma de corriente o conectores instalados en la estación de recarga y sus interruptores automáticos de protección deberán ser conformes con alguna de las opciones indicadas en el apartado 5.4.

3.3 Otras instalaciones de recarga.

Las instalaciones eléctricas para la recarga de vehículos eléctricos alimentadas de la red de distribución de energía eléctrica, distintas de las descritas en 3.1 y 3.2 seguirán los esquemas 1a, 1b, 1c, 3 o 4b descritos anteriormente.

Las bases de toma de corriente o conectores instalados en la estación de recarga y sus interruptores automáticos de protección deberán ser conformes con alguna de las opciones indicadas en el apartado 5.4.

3.3.1 Estaciones de recarga para autoservicio (uso por personas no adiestradas).

Estas estaciones de recarga, tales como las ubicadas en la vía pública, en aparcamientos o estacionamientos de flotas privadas, cooperativas o de empresa, para su propio personal o asociados y en aparcamientos o estacionamientos públicos, gratuitos o de pago, de titularidad pública o privada, están destinadas a ser utilizadas por usuarios no familiarizados con los riesgos de la energía eléctrica.
Este tipo de instalaciones podrán utilizar cualquier modo de carga.

3.3.2 Estaciones de recarga con asistencia para su utilización (uso por personas adiestradas o cualificadas).

Estas estaciones de recarga, tales como las ubicadas en aparcamientos para recarga de flotas, talleres, concesionarios de automóviles, depósitos municipales de vehículo eléctrico, así como otras estaciones dedicadas específicamente a la recarga del vehículo eléctrico, están destinadas a ser utilizadas o supervisadas por usuarios familiarizados con los riesgos de la energía eléctrica,
Este tipo de instalaciones dispondrán preferentemente de los modos de carga 3 o 4, aunque también podrán equiparse con estaciones de recarga en modo 1 ó 2, cuando esté previsto recargar vehículos eléctricos de baja potencia tales como bicicletas, ciclomotores y cuadriciclos.

4. Previsión de cargas según el esquema de la instalación

4.1 Esquema colectivo con un contador principal común (esquemas 1a, 1b y 1c)

La instalación del SPL será opcional, en edificios de nueva construcción a criterio del promotor y en instalaciones en edificios existentes a criterio del titular del suministro, o, en su caso, de la Junta de Propietarios. El dimensionamiento de las instalaciones de enlace y la previsión de cargas se realizará considerando un factor de simultaneidad de las cargas del vehículo eléctrico con el resto de la instalación igual a 0,3 cuando se instale el SPL y de 1,0 cuando no se instale. Como entrada de información el SPL recibirá la medida de intensidad que circula por la LGA.

Pedificio=(P1+P2+P3+P4)+0,3P5 (se instala el SPL)Pedificio = (P1 + P2 + P3 + P4 ) + 0,3 \cdot P5 \text{ (se instala el SPL)}

Pedificio=(P1+P2+P3+P4)+P5 (no se instala el SPL)Pedificio = (P1 + P2 + P3 + P4 ) + P5 \text{ (no se instala el SPL)}

Donde:

  • P1 Carga correspondiente al conjunto de viviendas obtenida como el número de viviendas por el coeficiente de simultaneidad de la tabla 1 de la (ITC) BT-10.
  • P2 Carga correspondiente a los servicios generales.
  • P3 Carga correspondiente a locales comerciales y oficinas.
  • P4 Carga correspondiente a los garajes distintas de la recarga del vehículo eléctrico.
  • P5 Carga prevista para la recarga del vehículo eléctrico.

En el proyecto o memoria técnica de diseño de instalaciones en edificios existentes se incluirá el cálculo del número máximo de estaciones de recarga que se pueden alimentar teniendo en cuenta la potencia disponible en la LGA y considerando la suma de la potencia instalada en todas las estaciones de recarga con el factor de simultaneidad que corresponda con el resto de la instalación, según se disponga o no del SPL.

El número de estaciones de recarga posibles para cada circuito de recarga colectivo y su previsión de carga se calcularán, teniendo en cuenta la potencia prevista de cada estación con un factor de simultaneidad entre las estaciones de recarga igual a la unidad. No obstante, el número de estaciones por circuito de recarga colectivo podrá aumentarse y el factor de simultaneidad entre ellas disminuirse si se dispone de un sistema de control que mida la intensidad que pasa por el circuito de recarga colectivo y reduzca la intensidad disponible en las estaciones, evitando las sobrecargas en el circuito de recarga colectivo.

4.2 Esquema individual (esquemas 2, 3a y 3b)

El dimensionamiento de las instalaciones de enlace y la previsión de cargas se realizará considerando un factor de simultaneidad de las cargas del vehículo eléctrico con el resto de cargas de la instalación igual a 1,0.
En los esquemas 3a y 3b, la función de control de potencia contratada para la estación de recarga se realizará con el contador principal, sin necesidad de instalar un ICP externo al contador.

4.3 Esquema 4 (esquemas 4a y 4b)

La previsión de cargas se realizará considerando un factor de simultaneidad de las cargas del vehículo eléctrico con el resto de circuitos de la instalación igual a 1,0. Para calcular el número de estaciones de recarga en un circuito de recarga colectivo y la simultaneidad entre ellas según el esquema 4b, se aplicará lo indicado en el apartado 4.1.

5. Requisitos generales de la instalación

En los locales cerrados de edificios destinados a aparcamientos o estacionamientos colectivos de uso público o privado, se podrá realizar la operación de recarga de baterías siempre que dicha operación se realice sin desprendimiento de gases durante la recarga y que dichos locales no estén clasificados como locales con riesgo de incendio o explosión según la (ITC) BT-29. En el local donde se realice la recarga del vehículo eléctrico se colocará un cartel reflectante en el punto de recarga que identifique que no está permitida la recarga de baterías con desprendimiento de gases.

Los circuitos de recarga colectivos discurrirán preferentemente por zonas comunes.
Para los esquemas 1a, 1b, 1c, 2, 3a y 3b, los contadores principales se ubicarán en el propio local o armario destinado a albergar la concentración de contadores o, en caso que no se disponga de espacio suficiente, se habilitará un nuevo local o armario al efecto de acuerdo con los requisitos de la (ITC) BT-16. Cuando se instalen contadores secundarios, éstos se ubicarán en un armario, en una envolvente o dentro de un SAVE.

Se admitirá que la línea general de alimentación tenga derivaciones de menor sección si se garantiza la protección de dichas derivaciones contra sobreintensidades. Para tal fin, en los esquemas 1b, 1c y 3b, se podrán incluir en la caja de derivación las protecciones necesarias con fusibles o interruptor automático.

Cuando se instale un circuito de recarga colectivo que alimente a varias estaciones de recarga (según el esquema 1a, o 1b), cada circuito partirá de un interruptor automático para su protección contra sobrecargas y cortocircuitos. Aguas arriba de cada interruptor automático y en el mismo cuadro se instalará un IGA (interruptor general automático) para la protección general de todos los circuitos de recarga.

En aparcamientos y estacionamientos, el cuadro de mando y protección asociado a las estaciones de recarga estará identificado en relación a la plaza o plazas de aparcamiento asignadas. Los elementos a instalar en dicho cuadro se definen en el apartado 6.

Los cuadros de mando y protección, o en su caso los SAVE con protecciones integradas, deberán disponer de sistemas de cierre a fin de evitar manipulaciones indebidas de los dispositivos de mando y protección.

La potencia instalada en los circuitos de recarga colectivos trifásicos según el esquema 1a, 1b o 4b se ajustará generalmente a uno de los escalones de la tabla siguiente, aunque el proyectista podrá justificar una potencia distinta, en cuyo caso el circuito y sus protecciones se dimensionarán acorde con la potencia prevista.

Tabla 2. Potencias instaladas normalizadas de los circuitos de recarga colectivos destinados a alimentar estaciones de recarga
Unominal Interruptor automático de protección en origen circuito recarga Potencia instalada N.º máximo de estaciones de recarga por circuito
230/400 V 16 A 11.085 W 3
230/400 V 32 A 22.170 W 6
230/400 V 50 A 34.641 W 9
230/400 V 63 A 43.647 W 12

Las estaciones de recarga monofásicas se repartirán de forma equilibrada entre las tres fases del circuito de recarga colectivo. El número máximo de estaciones de recarga por cada circuito de recarga colectivo indicado en la tabla 2, se ha calculado suponiendo que las estaciones son monofásicas y de una potencia unitaria de 3.680 W. El proyectista podrá ampliar o reducir el número de estaciones de recarga si justifica una potencia instalada por estación inferior o superior respectivamente.

La previsión de potencia y las características del circuito de recarga colectivo o individual previsto para el modo de carga 4 se determinarán para cada proyecto en particular.

El sistema de iluminación en la zona donde esté prevista la realización de la recarga garantizará que durante las operaciones y maniobras necesarias para el inicio y terminación de la recarga exista un nivel de iluminancia horizontal mínima a nivel de suelo de 20 lux para estaciones de recarga de exterior y de 50 lux para estaciones de recarga de interior.

La caída de tensión máxima admisible en cualquier circuito desde su origen hasta el punto de recarga no será superior al 5 %. Los conductores utilizados serán generalmente de cobre y su sección no será inferior a 2,5 mm², aunque podrán ser de aluminio en instalaciones distintas de las viviendas o aparcamientos colectivos en edificios de viviendas, en cuyo caso la sección mínima será de 4 mm². Siempre que se utilicen conductores de aluminio, sus conexiones deberán realizarse utilizando las técnicas apropiadas que eviten el deterioro del conductor debido a la aparición de potenciales peligrosos, originados por pares galvánicos entre metales distintos.

En instalaciones para la recarga de vehículo eléctrico, que reúnan más de 5 estaciones de recarga, por ejemplo en estaciones dedicadas específicamente a la recarga del vehículo eléctrico, el proyectista estudiará la necesidad de instalar filtros de corrección de armónicos, con el objeto de garantizar que se mantiene la distorsión armónica de la tensión según los límites característicos de la tensión suministrada por las redes generales de distribución, para que otros usuarios que estén conectados en el mismo punto de la red no se vean perjudicados.

El circuito que alimenta el punto de recarga debe ser un circuito dedicado y no debe usarse para alimentar ningún otro equipo eléctrico salvo los consumos auxiliares relacionados con el propio sistema de recarga, entre los que se puede incluir la iluminación de la estación de recarga.

La instalación fija para la recarga del vehículo eléctrico deberá contar con las bases de toma de corriente que corresponda según el modo de carga y ubicación de la estación de recarga conforme al apartado 5.4, de forma que se evite la utilización de prolongadores o adaptadores por parte de los usuarios de los servicios de recarga.

En todos los casos, pero de forma especial en los edificios existentes, el diseñador de la instalación comprobará que no se sobrepasa la intensidad admisible de la línea general de alimentación (o de la derivación individual en caso de viviendas unifamiliares), teniendo en cuenta la potencia prevista de cada estación de recarga y el factor de simultaneidad que proceda según se indica en el apartado 4.

La instalación para la recarga del vehículo eléctrico se podrá proyectar como una ampliación de la instalación de baja tensión ya existente o con una alimentación directa de la red de distribución mediante una instalación de enlace propia independiente de la ya existente.

Para toda instalación dedicada a la recarga de vehículos eléctricos, se aplicarán las prescripciones generales siguientes:

5.1 Alimentación

La tensión nominal de las instalaciones eléctricas para la recarga de vehículos eléctricos alimentadas desde la red de distribución será de 230/400 V en corriente alterna para los modos de carga 1, 2 y 3. Cuando se requiera instalar una estación de recarga con alimentación trifásica, y la tensión de alimentación existente sea de 127/220 V, se procederá a su conversión a trifásica 230/400 V.
En el modo de carga 4, la tensión de alimentación se refiere a la tensión de entrada del convertidor alterna-continua, y podrá llegar hasta 1000 V en trifásico corriente alterna y 1500 V en corriente continua.

5.2 Sistemas de conexión del neutro

Con objeto de permitir la protección contra contactos indirectos mediante el uso de dispositivos de protección diferencial en los casos especiales en los que la instalación esté alimentada por un esquema TN, solamente se utilizará en la forma TN-S.

5.3 Canalizaciones

Las canalizaciones necesarias para la instalación de puntos de recarga deberán cumplir con los requerimientos que se establecen en las diferentes ITC del REBT en función del tipo de local donde se vaya a hacer la instalación (local de pública concurrencia, local de características especiales, etc.).
Los cables desde el SAVE hasta el punto de conexión que formen parte de la instalación fija (ver figura 3, caso C de forma de conexión), deben ser de tensión asignada mínima 450/750 V, con conductor de cobre clase 5 o 6 (aptos para usos móviles) y resistentes a todas las condiciones previstas en el lugar de la instalación: mecánicas (por ejemplo abrasión e impacto, sacudidas o aplastamiento), ambientales (por ejemplo presencia de aceites, radiación ultravioleta o temperaturas extremas) y de seguridad (por ejemplo deflagración o vandalismo).
Cuando los cables de alimentación de las estaciones de recarga discurran por el exterior, estos serán de tensión asignada 0,6/1 kV.

5.4 Punto de conexión

El punto de conexión deberá situarse junto a la plaza a alimentar, e instalarse de forma fija en una envolvente.

La altura mínima de instalación de las tomas de corriente y conectores será de 60 cm sobre el nivel del suelo. Si la estación de recarga está prevista para uso público la altura máxima será de 120 cm. En las plazas de aparcamiento accesibles las tomas de corriente y conectores tendrán contraste cromático respecto del entorno, se situarán a una altura comprendida entre 80 y 120 cm y la distancia a encuentros en rincón será de, como mínimo, 35 cm.

Para garantizar la interconectividad del vehículo eléctrico a los puntos de recarga, para potencias mayores de 3,7 kW y menores o iguales de 22 kW los puntos de recarga de corriente alterna estarán equipados al menos con bases o conectores del tipo 2. Para potencias mayores de 22 kW los puntos de recarga de corriente alterna estarán equipados al menos con conectores del tipo 2. En modo de carga 4 los puntos de recarga de corriente continua estarán equipados al menos con conectores del tipo combo 2, de conformidad con la norma EN 62196-3.

En el caso de estaciones de recarga monofásicas de corriente alterna potencia menor o igual de 3,7 kW instaladas en viviendas unifamiliares o en aparcamientos para edificios de viviendas en régimen de propiedad horizontal el punto de recarga de corriente alterna podrá estar equipado con cualquiera de las bases de toma de corriente o conectores indicados en la tabla 3.

En modos de carga 3 y 4 las bases y conectores siempre deben estar incorporadas en un SAVE o en un sistema equivalente que haga las funciones del SAVE.

Según el modo de carga (1, 2 o 3) las bases de toma de corriente o conectores instalados en cada estación de recarga y sus protecciones deberán ser conformes a alguna de las opciones de la tabla 3, en función de la ubicación de la estación de recarga, y de que la alimentación sea monofásica o trifásica.

Tabla 3. Puntos de conexión posibles a instalar en función de su ubicación
Alimentación de la estación de recarga Base de toma de corriente o conector del tipo descrito en: (1) Intensidad asignada del punto de conexión Interruptor automático de protección del punto de conexión Modo de carga previsto Ubicación posible del punto de conexión
Viviendas unifamiliares Aparcamientos en edificios de viviendas Otras instalaciones
Monofásica Base de toma de corriente: UNE 20315-1-2. Fig. C2a. 10 A(2) 1 o 2 No
Base de toma de corriente: UNE 20315-2-11. Fig. C7a. 10 A(2) 1 o 2 No
UNE-EN 62196-2, tipo 2(3) 16 A (4) 3
UNE-EN 62196-2, tipo 2(3) 32 A (4) 3
Trifásica UNE-EN 62196-2, tipo 2(3) 16 A (4) 3
UNE-EN 62196-2, tipo 2(3) 32 A (4) 3
UNE-EN 62196-2, tipo 2(3) 63 A (4) 3 No No
(1) La recarga de autobuses eléctricos puede requerir de estaciones de recarga de muy alta potencia, por lo que en estos casos se podrán utilizar otras bases de toma de corriente y conectores normalizados distintos de los indicados en la tabla.
(2) Se podrá utilizar también un automático de 16 A, siempre que el fabricante de la base garantice que queda protegida por este automático en las condiciones de funcionamiento previstas para la recarga lenta del vehículo eléctrico con recargas diarias de 8 horas, a la intensidad de 16 A.
(3) Las estaciones de recarga distintas de las previstas para el modo de recarga 4 que estén ubicadas en lugares públicos, tales como centros comerciales, garajes de uso público o vía pública, estarán preparadas para el modo de recarga 3 con bases de toma de corriente tipo 2, salvo en aquellas plazas destinadas a recargar vehículos eléctricos de baja potencia, tales como bicicletas, ciclomotores y cuadriciclos que podrán utilizar otros modos de recarga y bases de toma de corriente normalizadas.
(4) La protección contra sobreintensidades de cada toma de corriente o conector puede estar en el interior de la estación de recarga (SAVE) por lo que, en tal caso, la elección de sus características es responsabilidad del fabricante. Para la protección del circuito de alimentación a la estación de recarga véase el apartado 6.3.

El contenido de este apartado se adaptará a las prescripciones que de carácter obligatorio dicten las futuras directivas o reglamentos europeos en este campo.

5.5 Contador secundario de medida de energía

Los contadores secundarios de medida de energía eléctrica tendrán al menos la capacidad de medir energía activa y serán de clase A o superior.
Cuando en los esquemas 1a, 1b, 1c, y 4b, exista una transacción comercial que dependa de la medida de la energía consumida será obligatoria la instalación de contadores secundarios para cada una de las estaciones de recarga ubicadas en:

  1. Plazas de aparcamiento de aparcamientos o estacionamientos colectivos en edificios o conjuntos inmobiliarios en régimen de propiedad horizontal.
  2. En estaciones de movilidad eléctrica para la recarga del vehículo eléctrico.
  3. En las estaciones de recarga ubicadas en la vía pública.

Para los esquemas 1a, 1b, 1c, y 4b, en edificios comerciales, de oficinas o de industrias, también se instalarán contadores secundarios cuando sea necesario identificar consumos individuales. Su instalación será opcional a elección del titular para los esquemas 2 y 4a.

6. Protección para garantizar la seguridad

6.1 Medidas de protección contra contactos directos e indirectos

Las medidas generales para la protección contra los contactos directos e indirectos serán las indicadas en la (ITC) BT-24 teniendo en cuenta lo indicado a continuación.

El circuito para la alimentación de las estaciones de recarga de vehículos eléctricos deberá disponer siempre de conductor de protección, y la instalación general deberá disponer de toma de tierra.

En este tipo de instalaciones se admitirán exclusivamente las medidas establecidas en la (ITC) BT-24 contra contactos directos según los apartados 3.1, protección por aislamiento de las partes activas, o 3.2, protección por medio de barreras o envolventes, así como las medidas protectoras contra contactos indirectos según los apartados 4.1, protección por corte automático de la alimentación, 4.2, protección por empleo de equipos de la clase II o por aislamiento equivalente, o 4.5, protección por separación eléctrica.

Cualquiera que sea el esquema utilizado, la protección de las instalaciones de los equipos eléctricos debe asegurarse mediante dispositivos de protección diferencial. Cada punto de conexión deberá protegerse individualmente mediante un dispositivo de protección diferencial de corriente diferencial-residual asignada máxima de 30 mA, que podrá formar parte de la instalación fija o estar dentro del SAVE. Con objeto de garantizar la selectividad la protección diferencial instalada en el origen del circuito de recarga colectivo será selectiva o retardada con la instalada aguas abajo.

Los dispositivos de protección diferencial serán de clase A. Los dispositivos de protección diferencial instalados en la vía pública estarán preparados para que se pueda instalar un dispositivo de rearme automático y los instalados en aparcamientos públicos o en estaciones de movilidad eléctrica dispondrán de un sistema de aviso de desconexión o estarán equipados con un dispositivo de rearme automático.

6.2 Medidas de protección en función de las influencias externas

Las principales influencias externas a considerar en este tipo de instalaciones son:

Para las instalaciones en el exterior: Penetración de cuerpos sólidos extraños, penetración de agua, corrosión y resistencia a los rayos ultravioletas.
Para instalaciones en aparcamientos o estacionamientos públicos, privados o en vía pública: competencia de las personas que utilicen el equipo.
En todos los casos, el daño mecánico.

El proyectista deberá prestar especial atención a las influencias externas existentes en el emplazamiento en el que se ubique la instalación a fin de analizar la necesidad de elegir características superiores o adicionales a las que se prescriben en este apartado.
Cuando la estación de recarga esté instalada en el exterior, los equipos deben garantizar una adecuada protección contra la corrosión. Para ello se tendrán en cuenta las prescripciones que se incluyen en la (ITC) BT-30.

Los grados de protección contra la penetración de cuerpos sólidos y acceso a partes peligrosas, contra la penetración del agua y contra impactos mecánicos de las estaciones de recarga podrán obtenerse mediante la utilización de envolventes múltiples proporcionando el grado de protección requerido el conjunto de las envolventes completamente montadas. En este caso, en la documentación del fabricante de la estación de recarga deberá estar perfectamente definido el método para la obtención de los diferentes grados de protección IP e IK.

6.2.1 Grado de protección contra penetración de cuerpos sólidos y acceso a partes peligrosas

Cuando la estación de recarga esté instalada en el exterior las canalizaciones deben garantizar una protección mínima IP4X o IPXXD.
Las estaciones de recarga y otros cuadros eléctricos tendrán un grado de protección mínimo IP4X o IPXXD para aquellas instaladas en el interior e IP5X para aquellas instaladas en exterior. El grado de protección especificado para la estación de recarga no aplica durante el proceso de recarga.

6.2.2 Grado de protección contra la penetración del agua

Cuando la estación de recarga esté instalada en el exterior, la instalación debe realizarse de acuerdo a lo indicado en el capítulo 2 de la (ITC) BT-30, garantizando, por tanto para las canalizaciones un IPX4.
Las estaciones de recarga y otros cuadros eléctricos tendrán un grado de protección mínimo IPX4. Cuando la base de toma de corriente o el conector no cumpla con el grado IP anterior, éste deberá proporcionarlo la propia estación de recarga mediante su diseño. El grado de protección especificado para la estación de recarga no aplica durante el proceso de recarga.

6.2.3 Grado de protección contra impactos mecánicos

Los equipos instalados en emplazamientos en los que circulen vehículos eléctricos deberán protegerse frente a daños mecánicos externos del tipo impacto de severidad elevada (AG3). La protección del equipo se garantizará a través de alguno de los medios siguientes:

  1. Emplazando el material eléctrico en una ubicación en la que éste no se encuentre sujeto a un riesgo de impacto previsible.
  2. Disponiendo algún tipo de protección mecánica adicional en aquellas zonas en las que el equipo se encuentre sujeto al riesgo de impacto.
  3. Seleccionando el material eléctrico con un grado de protección contra daños mecánicos de acuerdo con lo especificado en los apartados 6.2.3.1 y 6.2.3.2.
  4. Usando la combinación de alguna o todas las medidas anteriores.
6.2.3.1 Grado de protección de las envolventes

Cuando la protección del equipo eléctrico frente a daños mecánicos se garantice mediante envolventes, una vez instaladas deberán proporcionar un grado de protección mínimo IK08 contra impactos mecánicos externos.
El cuerpo de las estaciones de recarga y otros cuadros eléctricos ubicados en el exterior tendrán un grado de protección mínimo contra impactos mecánicos externos de IK10. El cuerpo de las estaciones de recarga excluye partes tales como teclado, leds, pantallas o rejillas de ventilación. El grado de protección especificado para la estación de recarga no aplica durante el proceso de recarga.

6.2.3.2 Grado de protección de las canalizaciones

Cuando las canalizaciones se instalen en una ubicación sujeta a riesgo de daños mecánicos, tales como áreas de circulación de vehículos eléctricos, éstas presentarán una resistencia adecuada a los daños mecánicos. En estos casos, los tubos presentarán una resistencia mínima al impacto grado 4 y una resistencia mínima a la compresión grado 5. Si se utilizan canales protectoras, éstas presentarán una resistencia mínima IK08 a impactos mecánicos.
En otros sistemas de conducción que no aporten protección mecánica a los cables, la protección se garantizará mediante el uso de medios mecánicos adicionales, por ejemplo mediante la utilización de cables armados.

6.3 Medidas de protección contra sobreintensidades

Los circuitos de recarga, hasta el punto de conexión, deberán protegerse contra sobrecargas y cortocircuitos con dispositivos de corte omnipolar, curva C, dimensionados de acuerdo con los requisitos de la (ITC) BT-22.
Cada punto de conexión deberá protegerse individualmente. Esta protección podrá formar parte de la instalación fija o estar dentro del SAVE.
En instalaciones previstas para modo de carga 1 o 2 en las que el punto de recarga esté constituido por tomas de corriente conformes con la norma UNE 20315, el interruptor automático que protege cada toma deberá tener una intensidad asignada máxima de 10 A, aunque se podrá utilizar una intensidad asignada de 16 A, siempre que el fabricante de la base garantice que queda protegida por este interruptor automático en las condiciones de funcionamiento previstas para la recarga lenta del vehículo eléctrico con recargas diarias de ocho horas, a la intensidad de 16 A.
En las instalaciones previstas para modo de carga 3 la selección del interruptor automático que protege el circuito que alimenta la estación de recarga garantizará la correcta protección del circuito, evitando al mismo tiempo el disparo intempestivo de la protección durante el proceso de recarga. Para su selección se puede utilizar como referencia la documentación del fabricante de la estación. La tolerancia de la señal correspondiente a la intensidad de carga, el consumo interno de la propia estación de recarga y las condiciones ambientales de instalación, justifican que la intensidad asignada del interruptor automático sea en algunos casos superior a la suma de intensidades asignadas que pueden suministrar los puntos de conexión de la estación de recarga.

6.4 Medidas de protección contra sobretensiones

Todos los circuitos deben estar protegidos contra sobretensiones temporales y transitorias. Los dispositivos de protección contra sobretensiones temporales estarán previstos para una máxima sobretensión entre fase y neutro hasta 440 V. Los dispositivos de protección contra sobretensiones temporales deben ser adecuados a la máxima sobretensión entre fase y neutro prevista.
Los dispositivos de protección contra sobretensiones transitorias deben ser instalados en la proximidad del origen de la instalación o en el cuadro principal de mando y protección, lo más cerca posible del origen de la instalación eléctrica en el edificio. Según cuál sea la distancia entre la estación de recarga y el dispositivo de protección contra sobretensiones transitorias situado aguas arriba, puede ser necesario proyectar la instalación con un dispositivo de protección contra sobretensiones transitorias adicional junto a la estación de recarga. En este caso, los dos dispositivos de protección contra sobretensiones transitorias deberán estar coordinados entre sí.
Con el fin de optimizar la continuidad de servicio en caso de destrucción del dispositivo de protección contra sobretensiones transitorias a causa de una descarga de rayo de intensidad superior a la máxima prevista, cuando el dispositivo de protección contra sobretensiones no lleve incorporada su propia protección, se debe instalar el dispositivo de protección recomendado por el fabricante, aguas arriba del dispositivo de protección contra sobretensiones, con objeto de mantener la continuidad de todo el sistema, evitando así el disparo del interruptor general.

7. Condiciones particulares de instalación

7.1 Red de tierra para plazas de aparcamiento en el exterior

El presente apartado aplica tanto a la instalación de puntos de recarga en vía pública como a la instalación en aparcamientos o estacionamientos públicos a la intemperie.
La instalación de puesta a tierra se realizará de forma tal que la máxima resistencia de puesta a tierra a lo largo de la vida de la instalación y en cualquier época del año, no se puedan producir tensiones de contacto mayores de 24 V, en las partes metálicas accesibles de la instalación (estaciones de recarga, cuadros metálicos, etc.). Cada poste de recarga dispondrá de un borne de puesta a tierra, conectado al circuito general de puesta a tierra de la instalación.
Los conductores de la red de tierra que unen los electrodos podrán ser:

  • Desnudos, de cobre, de 35 mm² de sección mínima, si forman parte de la propia red de tierra, en cuyo caso irán por fuera de las canalizaciones de los cables de alimentación.
  • Aislados, mediante cables de tensión asignada 450/750 V, con recubrimiento de color verde-amarillo, con conductores de cobre, de sección mínima 16 mm². El conductor de protección que une cada punto de recarga con el electrodo o con la red de tierra, será de cable unipolar aislado, de tensión asignada 450/750 V, con recubrimiento de color verde-amarillo, y sección mínima de 16 mm² de cobre.

Todas las conexiones de los circuitos de tierra, se realizarán mediante terminales, grapas, soldadura o elementos apropiados que garanticen un buen contacto permanente y protegido contra la corrosión.

Reglamento electrotécnico para baja tensión e ITC

Versión 2025